Запчасти Komatsu D40A-3 УПРАВЛЯЮЩ. КЛАПАН (ДЛЯ -POINT СЦЕПКА И ВСПОМОГ. FРУКОЯТЬING ИНСТРУМЕНТ) ОПЦИОННЫЕ КОМПОНЕНТЫ

Схема запчастей Komatsu D40A-3 - УПРАВЛЯЮЩ. КЛАПАН (ДЛЯ -POINT СЦЕПКА И ВСПОМОГ. FРУКОЯТЬING ИНСТРУМЕНТ) ОПЦИОННЫЕ КОМПОНЕНТЫ
FIT
1:1
100%

Артикул

Название

Примечание

Количество

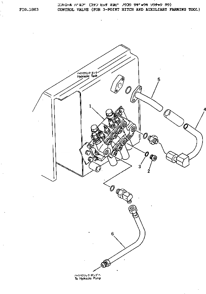
1

700-84-38000

VALVE ASS'Y

SN: 6001-UP

1шт.

2

07040-12414

PLUG

SN: 6001-UP

6шт.

3

07002-12434

O-RING

SN: 6001-UP

6шт.

4

120-62-31771

TUBE

SN: 6001-UP

1шт.

5

120-62-31781

TUBE

SN: 6001-UP

1шт.

6

120-62-31451

TUBE

SN: 6001-UP

1шт.

Выбрано товаров: 6