Запчасти Komatsu D40A-3 ОСНОВН. ВАЛ И ПРИВОД ОСНОВН. МУФТА И ТРАНСМИССИЯ

Схема запчастей Komatsu D40A-3 - ОСНОВН. ВАЛ И ПРИВОД ОСНОВН. МУФТА И ТРАНСМИССИЯ
FIT
1:1
100%

Артикул

Название

Примечание

Количество

|$0

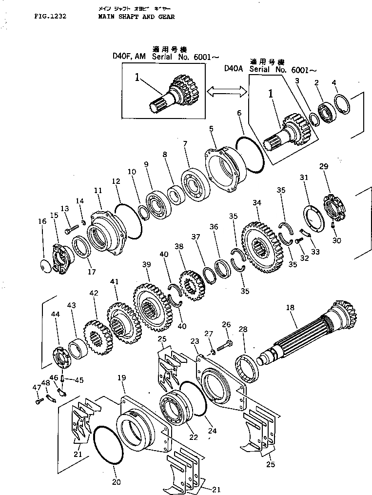
120-14-00010

TRANSMISSION ASS'Y D40A

SN: 6001-UP

1шт.

|$1

120-14-00100

TRANSMISSION ASS'Y D40F

SN: 6001-UP

1шт.

|$2

120-14-00151

TRANSMISSION ASS'Y D40AM

SN: .-UP

1шт.

|$3

0

TRANSMISSION ASS'Y D40AM

SN: 6001-.

1шт.

|$$5

THESE ASSEMBLIES CONSIST OF ALL PARTS SHOWN IN FIGS.1231 TO 1237.

-1шт.

1

120-14-32112

GEAR, 22 TEETH D40A

SN: 6001-UP

1шт.

1

120-14-38112

GEAR, 22-29 TEETH D40F

SN: 6001-UP

1шт.

1

120-14-39110

GEAR, 22-25 TEETH D40AM

SN: 6001-UP

1шт.

2

06042-00307

BEARING,ROLLER

SN: 6001-UP

1шт.

3

04064-03515

RING,SNAP

SN: 6001-UP

1шт.

4

04065-08025

RING,SNAP

SN: 6001-UP

1шт.

5

120-14-32132

CAGE

SN: 6001-UP

1шт.

6

07000-05145

O-RING (KIT)

SN: 6001-UP

1шт.

7

06030-21312

BEARING,ROLLER

SN: 6001-UP

1шт.

8

120-14-32211

COLLAR

SN: 6001-UP

1шт.

9

06044-00310

BEARING,ROLLER

SN: 6001-UP

1шт.

10

04064-05020

RING,SNAP

SN: 6001-UP

1шт.

11

120-14-32122

CAGE

SN: 6001-UP

1шт.

12

07000-02145

O-RING (KIT)

SN: 6001-UP

1шт.

13

01010-31040

BOLT

SN: 6001-UP

5шт.

14

01602-01030

WASHER,SPRING

SN: 6001-UP

5шт.

15

120-14-32410

YOKE

SN: 6001-UP

1шт.

16

07046-15520

PLUG

SN: 6001-UP

1шт.

17

07012-10070

SEAL,OIL (KIT)

SN: 6001-UP

1шт.

18

120-14-32232

SHAFT,MAIN

SN: 6001-UP

1шт.

19

120-14-32311

CAGE

SN: 6001-UP

1шт.

20

07000-05160

O-RING (KIT)

SN: 6001-UP

1шт.

21

124-15-05010

SHIM KIT (KIT)

SN: 6001-UP

1шт.

21

0

SHIM, 0.2MM

SN: 6001-UP

2шт.

21

0

SHIM, 0.2MM

SN: 6001-UP

2шт.

21

0

SHIM, 0.3MM

SN: 6001-UP

4шт.

21

0

SHIM, 0.3MM

SN: 6001-UP

4шт.

21

0

SHIM, 1.0MM

SN: 6001-UP

2шт.

21

0

SHIM, 1.0MM

SN: 6001-UP

2шт.

22

144-15-22810

BEARING,ROLLER

SN: 6001-UP

1шт.

23

120-14-32321

COVER

SN: 6001-UP

1шт.

24

07000-05150

O-RING (KIT)

SN: 6001-UP

1шт.

25

124-15-05020

SHIM KIT (KIT)

SN: 6001-UP

1шт.

25

0

SHIM, 0.2MM

SN: 6001-UP

2шт.

25

0

SHIM, 0.2MM

SN: 6001-UP

2шт.

25

0

SHIM, 0.3MM

SN: 6001-UP

4шт.

25

0

SHIM, 0.3MM

SN: 6001-UP

4шт.

26

01010-31255

BOLT

SN: 6001-UP

4шт.

27

01602-01236

WASHER,SPRING

SN: 6001-UP

4шт.

28

07013-10090

SEAL,OIL (KIT)

SN: 6001-UP

1шт.

29

135-15-11634

NUT

SN: 6001-UP

1шт.

30

145-15-31331

PIN

SN: 6001-UP

1шт.

31

145-15-31340

RING

SN: 6001-UP

1шт.

32

01010-30610

BOLT

SN: 6001-UP

4шт.

33

145-15-31350

LOCK (KIT)

SN: 6001-UP

2шт.

34

120-14-32191

GEAR, 41 TEETH D40A

SN: 6001-UP

1шт.

34

120-14-38151

GEAR, 41 TEETH D40F

SN: 6001-UP

1шт.

34

120-14-39120

GEAR, 42 TEETH D40AM

SN: 6001-UP

1шт.

35

120-14-32280

COLLAR

SN: 6001-UP

4шт.

36

120-14-32270

COLLAR

SN: 6001-UP

1шт.

37

04064-06525

RING,SNAP

SN: 6001-UP

1шт.

38

120-14-32261

GEAR, 22 TEETH

SN: 6001-UP

1шт.

39

120-14-32171

GEAR, 37 TEETH

SN: 6001-UP

1шт.

40

120-14-32280

COLLAR

SN: 6001-UP

2шт.

41

120-14-32251

GEAR, 32 TEETH D40A

SN: 6001-UP

1шт.

41

120-14-38131

GEAR, 36 TEETH D40F

SN: 6001-UP

1шт.

41

120-14-32251

GEAR, 32 TEETH D40AM

SN: 6001-UP

1шт.

42

120-14-32241

GEAR, 26 TEETH D40A

SN: 6001-UP

1шт.

42

120-14-38121

GEAR, 33 TEETH D40F

SN: 6001-UP

1шт.

42

120-14-39130

GEAR, 28 TEETH D40AM

SN: .-UP

1шт.

42

0

GEAR, 26 TEETH D40AM

SN: 6001-.

1шт.

|$$67

(120-14-39130,120-14-39330)

-1шт.

43

120-14-32360

COLLAR

SN: 6001-UP

1шт.

44

141-14-34220

NUT

SN: 6001-UP

1шт.

45

141-14-34230

PIN

SN: 6001-UP

1шт.

46

141-14-34240

PLATE

SN: 6001-UP

1шт.

47

01010-30616

BOLT

SN: 6001-UP

2шт.

48

141-14-34250

PLATE (KIT)

SN: 6001-UP

1шт.

Выбрано товаров: 73