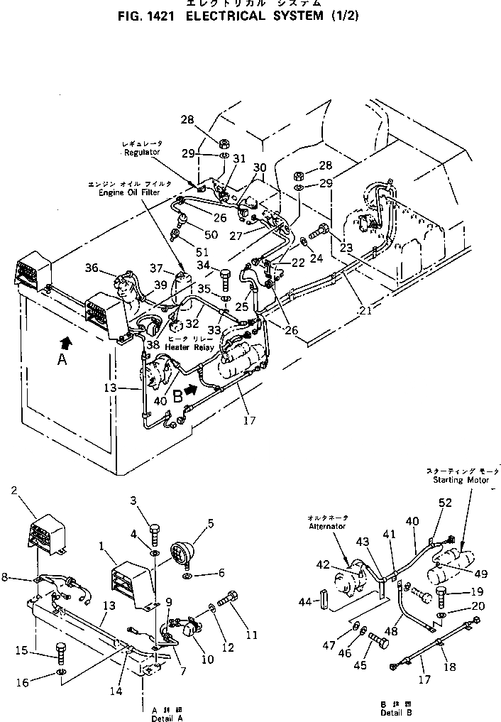
Запчасти Komatsu D40A-5 ЭЛЕКТРИКА (/) КОМПОНЕНТЫ ДВИГАТЕЛЯ И ЭЛЕКТРИКА

Схема запчастей Komatsu D40A-5 - ЭЛЕКТРИКА (/) КОМПОНЕНТЫ ДВИГАТЕЛЯ И ЭЛЕКТРИКА
FIT
1:1
100%

Артикул

Название

Примечание

Количество

1

120-06-33291

BRACKET,L.H.

SN: 10001-UP

1шт.

2

120-06-33281

BRACKET,R.H.

SN: 10001-UP

1шт.

3

01010-51225

BOLT

SN: 10001-UP

6шт.

4

01602-21236

WASHER,SPRING

SN: 10001-UP

6шт.

|4

01643-31232

WASHER,SPRING (FOR P.A.P.T. DOZER)

SN: 10001-UP

6шт.

5

08128-22400

LAMP ASS'Y

SN: 10001-UP

2шт.

|5

08113-02480

BULB¤ 80W

SN: 10001-UP

1шт.

|5

08128-00003

HOLDER

SN: 10001-UP

1шт.

6

01640-21426

WASHER

SN: 10001-UP

2шт.

7

120-06-33111

WIRE,L.H.

SN: 10001-UP

1шт.

|7

120-06-33610

WIRE,L.H. (FOR P.A.P.T. DOZER)

SN: 10001-UP

1шт.

8

120-06-33121

WIRE,R.H.

SN: 10001-UP

1шт.

|8

120-06-33620

WIRE,R.H. (FOR P.A.P.T. DOZER)

SN: 10001-UP

1шт.

9

130-06-44711

GROMMET

SN: 10001-UP

2шт.

|9

135-06-34260

GROMMET,(FOR P.A.P.T. DOZER)

SN: 10001-UP

2шт.

10

08160-22400

HORN

SN: 10001-UP

1шт.

11

01010-50816

BOLT

SN: 10001-UP

2шт.

12

01602-20825

WASHER,SPRING

SN: 10001-UP

2шт.

13

120-06-43260

WIRE

SN: 10001-UP

1шт.

14

08035-01510

CLIP

SN: 10001-UP

6шт.

15

01010-51016

BOLT

SN: 10001-UP

6шт.

16

01602-21030

WASHER,SPRING

SN: 10001-UP

6шт.

17

120-06-43270

WIRE

SN: 10001-UP

1шт.

18

08035-01510

CLIP

SN: 10001-UP

3шт.

19

01010-51016

BOLT

SN: 10001-UP

3шт.

20

01602-21030

WASHER,SPRING

SN: 10001-UP

3шт.

21

120-06-43120

WIRE

SN: 10001-UP

1шт.

22

130-06-64160

PLATE

SN: 10001-UP

1шт.

23

01010-50616

BOLT

SN: 10001-UP

2шт.

24

01602-20619

WASHER,SPRING

SN: 10001-UP

2шт.

25

08035-03014

CLIP

SN: 10001-UP

1шт.

26

144-43-81620

GROMMET

SN: 10091-UP

1шт.

|26

125-06-22250

CAP

SN: 10001-10090

1шт.

27

120-06-43130

WIRE

SN: 10001-UP

1шт.

28

01580-10605

NUT

SN: 10001-UP

2шт.

29

01602-20619

WASHER,SPRING

SN: 10001-UP

2шт.

30

120-06-43110

WIRE

SN: 10001-UP

1шт.

31

08034-00414

BAND

SN: 10001-UP

2шт.

32

120-06-43210

WIRE

SN: 10001-UP

1шт.

33

08035-02514

CLIP

SN: 10001-UP

1шт.

34

01010-51220

BOLT

SN: 10001-UP

1шт.

35

01602-21236

WASHER,SPRING

SN: 10001-UP

1шт.

36

08035-01510

CLIP

SN: 10001-UP

1шт.

37

08038-02027

CAP

SN: 10001-UP

1шт.

38

08038-00519

CAP

SN: 10001-UP

2шт.

39

08034-00414

BAND

SN: 10001-UP

5шт.

40

120-06-43220

WIRE

SN: 10001-UP

1шт.

41

08035-02510

CLIP

SN: 10001-UP

1шт.

42

08038-00519

CAP

SN: 10001-UP

2шт.

43

154-33-23280

CLIP

SN: 10001-UP

1шт.

44

6134-12-5120

SPACER

SN: 10001-UP

1шт.

45

01010-51050

BOLT

SN: 10001-UP

1шт.

46

01602-21030

WASHER,SPRING

SN: 10001-UP

1шт.

47

01643-31032

WASHER

SN: 10001-UP

1шт.

48

08028-44030

CABLE

SN: 10001-UP

1шт.

49

08038-00519

CAP

SN: 10001-UP

1шт.

50

08089-00000

SWITCH,AIR CLEANER

SN: 10001-UP

1шт.

51

232-06-52390

NIPPLE

SN: 10001-UP

1шт.

52

08035-02508

CLIP

SN: 10001-UP

1шт.

Выбрано товаров: 59