Запчасти Komatsu D40AF-1 РУЛЕВ. УПРАВЛЕНИЕ КОРПУС КРЫШКА(/) СИСТЕМАУПРАВЛЕНИЯ ПОВОРОТОМ И КОНЕЧНАЯ ПЕРЕДАЧА

Схема запчастей Komatsu D40AF-1 - РУЛЕВ. УПРАВЛЕНИЕ КОРПУС КРЫШКА(/) СИСТЕМАУПРАВЛЕНИЯ ПОВОРОТОМ И КОНЕЧНАЯ ПЕРЕДАЧА
FIT
1:1
100%

Артикул

Название

Примечание

Количество

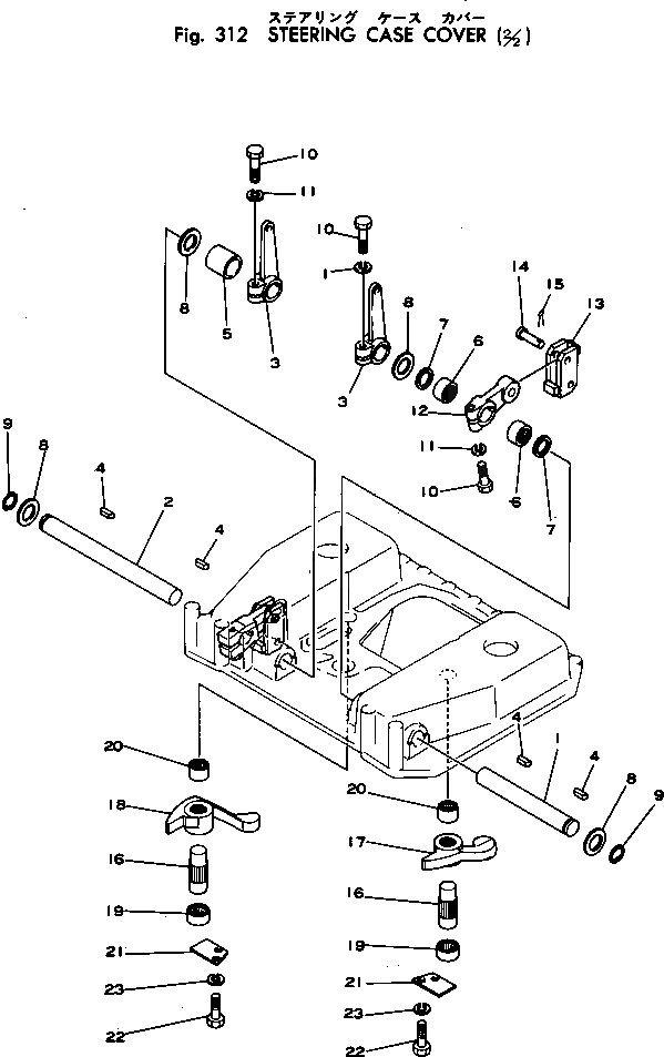
1

125-43-22461

SHAFT

SN: 2201-UP

1шт.

2

12F-43-12250

SHAFT

SN: 2201-UP

1шт.

3

12F-43-12261

LEVER,L.H.

SN: 2201-UP

1шт.

3

12F-43-16340

LEVER,R.H.

SN: 2201-UP

1шт.

4

04010-00728

KEY

SN: 2201-UP

4шт.

5

12F-43-12270

COLLAR

SN: 2201-UP

1шт.

6

06120-03020

BEARING,NEEDLE

SN: 2201-UP

4шт.

7

06122-03004

SEAL,BEARING

SN: 2201-UP

4шт.

8

130-814-5250

COLLAR

SN: 2201-UP

4шт.

9

04064-03015

RING,SNAP

SN: 2201-UP

2шт.

10

01010-31240

BOLT

SN: 2201-UP

4шт.

11

01602-01236

WASHER,SPRING

SN: 2201-UP

4шт.

12

131-43-41480

LEVER

SN: 2201-UP

2шт.

13

125-43-22360

PLATE

SN: 2201-UP

2шт.

14

04205-01645

PIN

SN: 2201-UP

4шт.

15

04050-04025

PIN,COTTER

SN: 2201-UP

4шт.

16

125-43-22310

SHAFT

SN: 2201-UP

2шт.

17

125-43-22420

LEVER,L.H.

SN: 2201-UP

1шт.

18

125-43-22410

LEVER,R.H.

SN: 2201-UP

1шт.

19

06120-03020

BEARING,NEEDLE

SN: 2201-UP

2шт.

20

06121-02820

BEARING,NEEDLE

SN: 2201-UP

2шт.

21

125-43-22320

PLATE

SN: 2201-UP

2шт.

22

01010-31020

BOLT

SN: 2201-UP

4шт.

23

01602-01030

WASHER,SPRING

SN: 2201-UP

4шт.

Выбрано товаров: 24