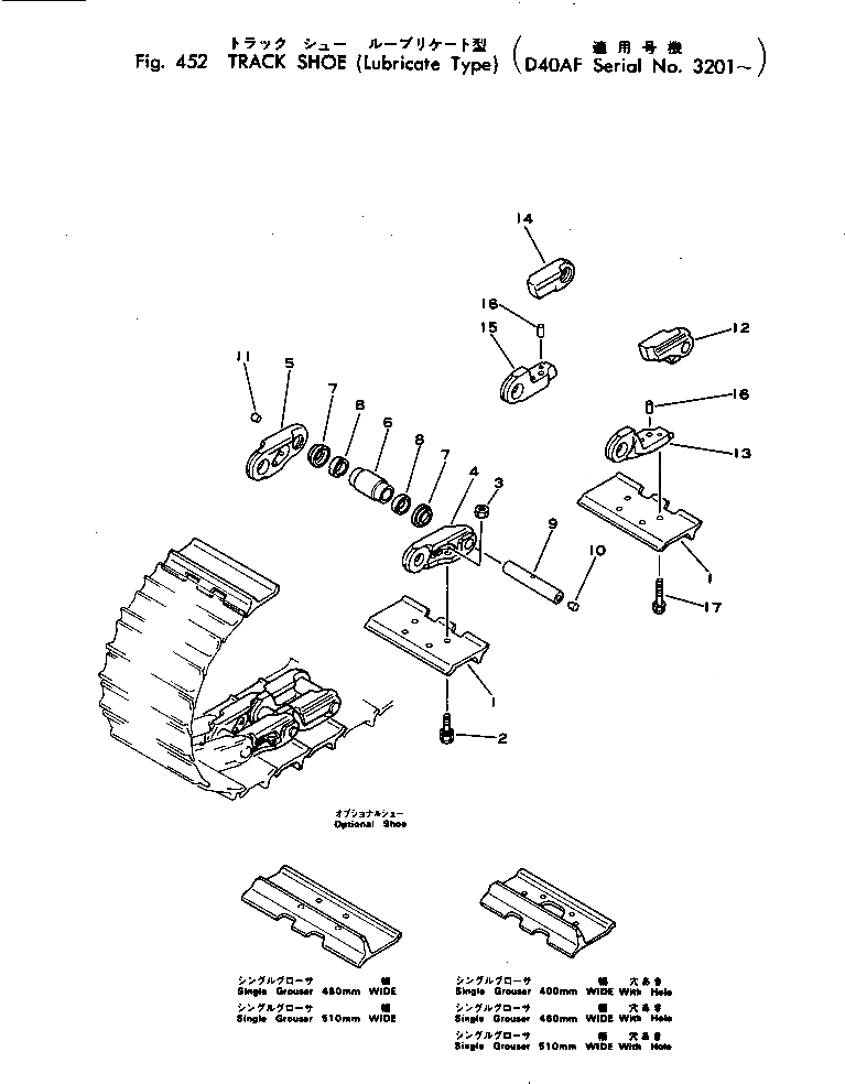
Запчасти Komatsu D40AF-1 ГУСЕНИЦЫ (СМАЗЫВ. ТИПА)(№-) ГУСЕНИЦЫ

Схема запчастей Komatsu D40AF-1 - ГУСЕНИЦЫ (СМАЗЫВ. ТИПА)(№-) ГУСЕНИЦЫ
FIT
1:1
100%

Артикул

Название

Примечание

Количество

|$$1

SINGLE 400MM

-1шт.

|$1

124-32-02400

TRACK SHOE ASS'Y

SN: 3201-UP

1шт.

1

130-32-11113

SHOE,TRACK

SN: 3201-UP

74шт.

2

130-32-11213

BOLT, SHOE (KIT)

SN: 3201-UP

280шт.

3

01803-01622

NUT, SHOE (KIT)

SN: 3201-UP

280шт.

|$5

125-32-00020

TRACK LINK ASS'Y

SN: 3201-UP

1шт.

4

130-32-11126

LINK,TRACK, L.H.

SN: 3201-UP

70шт.

5

130-32-11136

LINK,TRACK, R.H.

SN: 3201-UP

70шт.

6

130-32-21140

BUSHING

SN: 3201-UP

74шт.

7

130-32-21160

SEAL ASS'Y

SN: 3201-UP

148шт.

8

130-32-21190

SPACER

SN: 3201-UP

148шт.

9

130-32-21150

PIN

SN: 3201-UP

74шт.

10

198-32-11291

PLUG,LARGE

SN: 3201-UP

74шт.

11

198-32-11310

PLUG,SMALL

SN: 3201-UP

74шт.

12

130-32-21220

LINK,MASTER, L.H., PIN SIDE

SN: 3201-UP

4шт.

13

130-32-21230

LINK,MASTER, L.H., BUSHING SIDE

SN: 3201-UP

4шт.

14

130-32-21320

LINK,MASTER, R.H., PIN SIDE

SN: 3201-UP

4шт.

15

130-32-21330

LINK,MASTER, R.H., BUSHING SIDE

SN: 3201-UP

4шт.

16

130-32-21240

PIN,DOWEL

SN: 3201-UP

8шт.

17

130-32-21251

BOLT,MASTER LINK

SN: 3201-UP

16шт.

|$$21

SINGLE 460MM

-1шт.

1

124-32-02410

TRACK SHOE ASS'Y

SN: 3201-UP

1шт.

1

130-32-11280

SHOE,TRACK

SN: 3201-UP

74шт.

2

130-32-11213

BOLT, SHOE (KIT)

SN: 3201-UP

280шт.

3

01803-01622

NUT, SHOE (KIT)

SN: 3201-UP

280шт.

4

125-32-00020

TRACK LINK ASS'Y

SN: 3201-UP

1шт.

|$$27

SINGLE 510MM

-1шт.

1

124-32-02420

TRACK SHOE ASS'Y

SN: 3201-UP

1шт.

1

130-32-11270

SHOE,TRACK

SN: 3201-UP

74шт.

2

130-32-11213

BOLT, SHOE (KIT)

SN: 3201-UP

280шт.

3

01803-01622

NUT, SHOE (KIT)

SN: 3201-UP

280шт.

4

125-32-00020

TRACK LINK ASS'Y

SN: 3201-UP

1шт.

|$$33

SINGLE 400MM,WITH HOLE

-1шт.

1

124-32-02430

TRACK SHOE ASS'Y

SN: 3201-UP

1шт.

1

130-32-11320

SHOE,TRACK

SN: 3201-UP

74шт.

2

130-32-11213

BOLT, SHOE (KIT)

SN: 3201-UP

280шт.

3

01803-01622

NUT, SHOE (KIT)

SN: 3201-UP

280шт.

4

125-32-00020

TRACK LINK ASS'Y

SN: 3201-UP

1шт.

|$$39

SINGLE 460MM,WITH HOLE

-1шт.

1

124-32-02440

TRACK SHOE ASS'Y

SN: 3201-UP

1шт.

1

130-32-11291

SHOE,TRACK

SN: 3201-UP

74шт.

2

130-32-11213

BOLT, SHOE (KIT)

SN: 3201-UP

280шт.

3

01803-01622

NUT, SHOE (KIT)

SN: 3201-UP

280шт.

4

125-32-00020

TRACK LINK ASS'Y

SN: 3201-UP

1шт.

|$$45

SINGLE 510MM,WITH HOLE

-1шт.

1

124-32-02450

TRACK SHOE ASS'Y

SN: 3201-UP

1шт.

1

130-32-11410

SHOE,TRACK

SN: 3201-UP

74шт.

2

130-32-11213

BOLT, SHOE (KIT)

SN: 3201-UP

280шт.

3

01803-01622

NUT, SHOE (KIT)

SN: 3201-UP

280шт.

4

125-32-00020

TRACK LINK ASS'Y

SN: 3201-UP

1шт.

|$$51

SERVICE KIT

-1шт.

2

130-32-05001

SHOE BOLT AND NUT K.

SN: 3201-UP

1шт.

2

130-32-11213

BOLT, SHOE

SN: 3201-UP

50шт.

3

01803-01622

NUT, SHOE

SN: 3201-UP

50шт.

|$$55

OVERSIZE PARTS

-1шт.

|$$56

0.10MM OVERSIZE

-1шт.

6

130-98-09210

BUSHING

SN: 3201-UP

-2шт.

9

130-98-09070

PIN

SN: 3201-UP

-2шт.

|$$59

0.18MM OVERSIZE

-1шт.

6

130-98-09220

BUSHING

SN: 3201-UP

-2шт.

9

130-98-09080

PIN

SN: 3201-UP

-2шт.

Выбрано товаров: 0