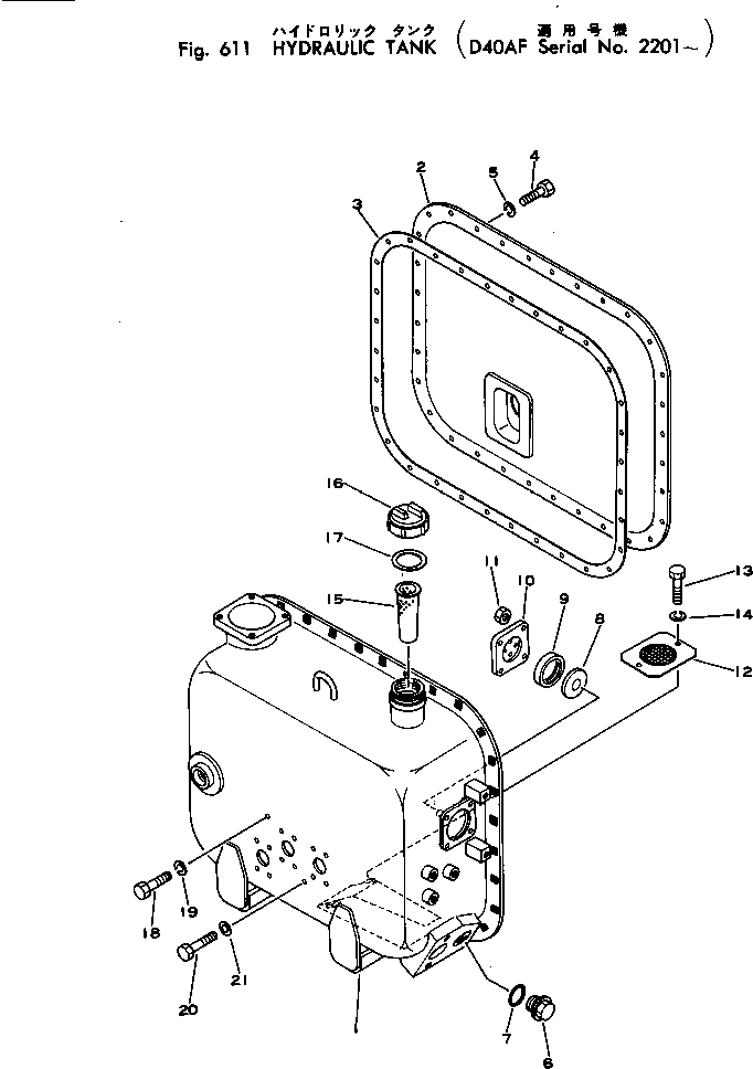
Запчасти Komatsu D40AF-1 ГИДР. БАК. УПРАВЛ-Е РАБОЧИМ ОБОРУДОВАНИЕМ

Схема запчастей Komatsu D40AF-1 - ГИДР. БАК. УПРАВЛ-Е РАБОЧИМ ОБОРУДОВАНИЕМ
FIT
1:1
100%

Артикул

Название

Примечание

Количество

|$0

124-60-21001

TANK ASS'Y

SN: 2201-UP

1шт.

1

124-60-21111

TANK,HYDRAULIC

SN: 2201-UP

1шт.

2

124-60-21122

COVER

SN: 2201-UP

1шт.

3

124-60-21130

GASKET

SN: 2201-UP

1шт.

4

01010-31025

BOLT

SN: 2201-UP

32шт.

5

01602-01030

WASHER,SPRING

SN: 2201-UP

32шт.

6

07044-13620

PLUG,DRAIN

SN: 2201-UP

1шт.

7

07002-03634

O-RING

SN: 2201-UP

1шт.

8

07715-00651

COVER

SN: 2201-UP

1шт.

9

07715-11257

RING

SN: 2201-UP

1шт.

10

07715-13393

CASE

SN: 2201-UP

1шт.

11

01598-01011

NUT

SN: 2201-UP

4шт.

12

144-60-13311

STRAINER

SN: 2201-UP

1шт.

13

01010-30816

BOLT

SN: 2201-UP

2шт.

14

01602-00825

WASHER,SPRING

SN: 2201-UP

2шт.

15

141-60-33730

STRAINER

SN: 2201-UP

1шт.

16

101-60-13490

CAP,TANK

SN: 2201-UP

1шт.

17

07051-00003

GASKET

SN: 2201-UP

1шт.

18

01010-31025

BOLT

SN: 2201-UP

1шт.

19

01602-01030

WASHER,SPRING

SN: 2201-UP

1шт.

20

01010-31025

BOLT,(FOR SHIPPING)

SN: 2201-UP

1шт.

21

01643-31032

WASHER,(FOR SHIPPING)

SN: 2201-UP

1шт.

Выбрано товаров: 0