Запчасти Komatsu 6D105-1CC-AM АНТИКОРРОЗ. ЭЛЕМЕНТ И ТРУБЫ СИСТЕМА ОХЛАЖДЕНИЯ

Схема запчастей Komatsu 6D105-1CC-AM - АНТИКОРРОЗ. ЭЛЕМЕНТ И ТРУБЫ СИСТЕМА ОХЛАЖДЕНИЯ
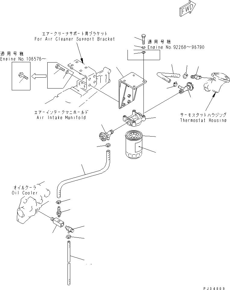
1
2
2
3
4
5
6
7
8
9
10
10
11
12
13
14
15
15
15
15
16
17
18
19
1
2
2
3
4
5
6
7
8
9
10
10
11
12
13
14
15
15
15
15
16
17
18
19
FIT
1:1
100%

Артикул

Название

Примечание

Количество

1

6136-61-8151

BRACKET

SN: 92268-UP

1шт.

2

01435-01030

BOLT

SN: 106576-UP

4шт.

|2

0

BOLT

SN: 92268-106575

4шт.

3

01602-01030

WASHER,SPRING

SN: 92268-106575

4шт.

|4

6134-61-8102

RESISTOR ASS'Y,CORROSION

SN: 92268-UP

1шт.

4

6150-61-8211

HEAD

SN: 92268-UP

1шт.

5

600-411-1140

CARTRIDGE

SN: 92268-UP

1шт.

6

09647-00202

PLATE¤ INSTRUCTION,(JAPANESE-ENGLISH)

SN: 92268-UP

1шт.

7

02010-70632

BOLT

SN: 92268-UP

4шт.

8

01602-00929

WASHER,SPRING

SN: 92268-UP

4шт.

9

01642-21016

WASHER

SN: 92268-96790

4шт.

10

6150-61-8410

VALVE,WATER

SN: 92268-UP

2шт.

11

07260-20928

HOSE

SN: 92268-UP

1шт.

12

6136-61-8630

NIPPLE

SN: 92268-UP

1шт.

13

07260-20963

HOSE

SN: 92268-UP

1шт.

14

6136-61-8720

CONNECTOR

SN: 92268-UP

1шт.

15

07281-00197

CLAMP

SN: 92268-UP

4шт.

16

6136-61-8610

NIPPLE

SN: 92268-UP

1шт.

17

6050-61-6630

VALVE

SN: 92268-UP

1шт.

18

6682-74-9991

HOSE

SN: 92268-UP

1шт.

19

07280-01210

CLAMP

SN: 92268-UP

1шт.

1

6136-61-8151

BRACKET

SN: 92268-UP

1шт.

2

01435-01030

BOLT

SN: 106576-UP

4шт.

|2

0

BOLT

SN: 92268-106575

4шт.

3

01602-01030

WASHER,SPRING

SN: 92268-106575

4шт.

|4

6134-61-8102

RESISTOR ASS'Y,CORROSION

SN: 92268-UP

1шт.

4

6150-61-8211

HEAD

SN: 92268-UP

1шт.

5

600-411-1140

CARTRIDGE

SN: 92268-UP

1шт.

6

09647-00202

PLATE¤ INSTRUCTION,(JAPANESE-ENGLISH)

SN: 92268-UP

1шт.

7

02010-70632

BOLT

SN: 92268-UP

4шт.

8

01602-00929

WASHER,SPRING

SN: 92268-UP

4шт.

9

01642-21016

WASHER

SN: 92268-96790

4шт.

10

6150-61-8410

VALVE,WATER

SN: 92268-UP

2шт.

11

07260-20928

HOSE

SN: 92268-UP

1шт.

12

6136-61-8630

NIPPLE

SN: 92268-UP

1шт.

13

07260-20963

HOSE

SN: 92268-UP

1шт.

14

6136-61-8720

CONNECTOR

SN: 92268-UP

1шт.

15

07281-00197

CLAMP

SN: 92268-UP

4шт.

16

6136-61-8610

NIPPLE

SN: 92268-UP

1шт.

17

6050-61-6630

VALVE

SN: 92268-UP

1шт.

18

6682-74-9991

HOSE

SN: 92268-UP

1шт.

19

07280-01210

CLAMP

SN: 92268-UP

1шт.

Выбрано товаров: 42