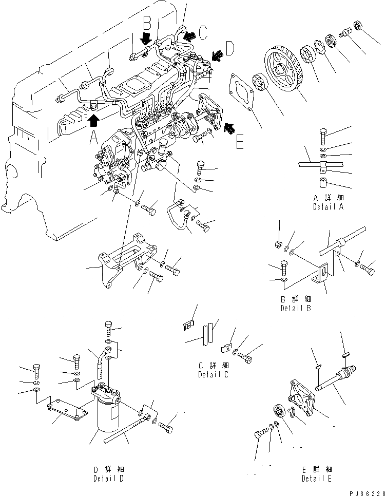
Запчасти Komatsu 6D105-1M-F ТОПЛ. НАСОС И ТРУБЫ ТОПЛИВН. СИСТЕМА

Схема запчастей Komatsu 6D105-1M-F - ТОПЛ. НАСОС И ТРУБЫ ТОПЛИВН. СИСТЕМА
1
2
3
4
5
5
6
7
8
9
10
11
12
13
14
15
16
17
18
18
19
20
21
22
23
24
25
26
27
27
28
28
29
29
30
31
32
32
33
34
35
36
37
38
39
39
40
40
40
41
41
41
42
43
44
45
45
46
46
47
47
48
48
49
50
51
52
53
54
54
55
56
57
57
58
59
60
60
61
1
2
3
4
5
5
6
7
8
9
10
11
12
13
14
15
16
17
18
18
19
20
21
22
23
24
25
26
27
27
28
28
29
29
30
31
32
32
33
34
35
36
37
38
39
39
40
40
40
41
41
41
42
43
44
45
45
46
46
47
47
48
48
49
50
51
52
53
54
54
55
56
57
57
58
59
60
60
61
FIT
1:1
100%

Артикул

Название

Примечание

Количество

1

6136-72-1420

INJECTION PUMP ASS'Y,(FOR D40A,P,AM)

SN: 50001-UP

1шт.

1

6136-71-1420

INJECTION PUMP ASS'Y,(FOR D40A,P,AM) (SEE FIG.0453)

SN: 16269-49999

1шт.

1

6136-71-1430

INJECTION PUMP ASS'Y,(FOR D40P,PF) (SEE FIG.0455)

SN: 16269-UP

1шт.

1

6136-72-1430

INJECTION PUMP ASS'Y,(FOR D40F) (SEE FIG.0457)

SN: 55043-UP

1шт.

1

6136-72-1440

INJECTION PUMP ASS'Y,(HIGH ALTITUDE SPEC.)

SN: 55043-UP

1шт.

2

6136-21-6110

BRACKET

SN: 16269-UP

1шт.

3

01010-31035

BOLT

SN: 16269-UP

3шт.

4

01010-31040

BOLT

SN: 16269-UP

1шт.

5

01602-01030

WASHER,SPRING

SN: 16269-UP

4шт.

6

01010-30870

BOLT

SN: 16269-UP

4шт.

7

01602-00825

WASHER,SPRING

SN: 16269-UP

4шт.

8

6110-71-5810

WASHER

SN: 16269-UP

4шт.

9

6136-71-3330

COVER

SN: 16269-UP

1шт.

10

07012-00032

SEAL,OIL (K2)

SN: 16269-UP

1шт.

11

6131-81-3141

GASKET (K2)

SN: 16269-UP

1шт.

12

01050-31020

BOLT

SN: 16269-UP

4шт.

13

01602-01030

WASHER,SPRING

SN: 16269-UP

4шт.

14

6136-71-3810

POINTER

SN: 16269-UP

1шт.

15

01010-30820

BOLT

SN: 16269-UP

2шт.

16

01602-00825

WASHER,SPRING

SN: 16269-UP

2шт.

17

01642-20810

WASHER

SN: 16269-UP

2шт.

18

06000-06007

BEARING,BALL

SN: 16269-UP

2шт.

19

6136-71-3240

SHAFT

SN: 16269-UP

1шт.

20

04010-00416

KEY

SN: 16269-UP

1шт.

21

04000-00722

KEY

SN: 16269-UP

1шт.

22

6136-71-3120

GEAR

SN: 16269-UP

1шт.

23

6136-71-3130

NUT,LOCK

SN: 16269-UP

1шт.

24

6136-71-3141

WASHER,LOCK (K2)

SN: 89310-UP

1шт.

24

6136-71-3141

WASHER,LOCK

SN: 16269-89309

1шт.

25

6136-81-3951

SHAFT

SN: 16269-UP

1шт.

26

6610-71-1911

SEAL,OIL

SN: 16269-UP

1шт.

27

6136-71-5110

PIPE,INJECTION, NO.1

SN: 16269-UP

1шт.

28

6136-71-5120

PIPE,INJECTION, NO.2

SN: 16269-UP

1шт.

29

6136-71-5130

PIPE,INJECTION, NO.3

SN: 16269-UP

1шт.

30

6136-71-5140

PIPE,INJECTION, NO.4

SN: 16269-UP

1шт.

31

6136-71-5150

PIPE,INJECTION, NO.5

SN: 16269-UP

1шт.

32

6136-71-5160

PIPE,INJECTION, NO.6

SN: 16269-UP

1шт.

|$37

6130-71-5720

CLIP ASS'Y

SN: 16269-UP

1шт.

33

6130-71-5730

CLIP

SN: 16269-UP

1шт.

34

6130-71-5740

CLIP, WITH THREAD

SN: 16269-UP

1шт.

35

6130-71-5750

BOLT

SN: 16269-UP

1шт.

36

6130-71-5760

WASHER

SN: 16269-UP

1шт.

37

6631-11-6390

SPACER

SN: 16269-UP

1шт.

38

6136-71-5720

CLIP

SN: 16269-UP

1шт.

39

01010-31035

BOLT

SN: 16269-UP

3шт.

40

01602-01030

WASHER,SPRING

SN: 16269-UP

5шт.

41

01640-01016

WASHER

SN: 16269-UP

5шт.

42

6136-71-3710

BRACKET

SN: 16269-UP

1шт.

43

01010-31030

BOLT

SN: 16269-UP

2шт.

44

6136-71-6100

FUEL FILTER ASS'Y

SN: 16269-UP

1шт.

45

6130-71-5640

HOSE

SN: 16269-UP

1шт.

46

6141-74-5850

HOSE

SN: 16269-UP

1шт.

47

07206-11014

BOLT,JOINT

SN: 16269-UP

2шт.

48

07005-01412

GASKET (K2)

SN: 16269-UP

4шт.

49

6136-51-6740

PIPE

SN: 16269-UP

1шт.

50

07206-10610

BOLT

SN: 16269-UP

1шт.

51

07005-01012

GASKET (K2)

SN: 16269-UP

4шт.

52

6136-51-6720

PIPE

SN: 16269-UP

1шт.

53

07206-10812

BOLT

SN: 16269-UP

1шт.

54

07005-01212

GASKET (K2)

SN: 16269-UP

2шт.

55

6136-71-5730

BRACKET

SN: 16269-UP

1шт.

56

01010-31020

BOLT

SN: 16269-UP

1шт.

57

01602-01030

WASHER,SPRING

SN: 16269-UP

2шт.

58

6136-71-5720

CLIP

SN: 16269-UP

2шт.

59

01010-31025

BOLT

SN: 16269-UP

1шт.

60

01642-01016

WASHER

SN: 16269-UP

2шт.

61

01580-01008

NUT

SN: 16269-UP

1шт.

1

6136-72-1420

INJECTION PUMP ASS'Y,(FOR D40A,P,AM)

SN: 50001-UP

1шт.

1

6136-71-1420

INJECTION PUMP ASS'Y,(FOR D40A,P,AM) (SEE FIG.0453)

SN: 16269-49999

1шт.

1

6136-71-1430

INJECTION PUMP ASS'Y,(FOR D40P,PF) (SEE FIG.0455)

SN: 16269-UP

1шт.

1

6136-72-1430

INJECTION PUMP ASS'Y,(FOR D40F) (SEE FIG.0457)

SN: 55043-UP

1шт.

1

6136-72-1440

INJECTION PUMP ASS'Y,(HIGH ALTITUDE SPEC.)

SN: 55043-UP

1шт.

2

6136-21-6110

BRACKET

SN: 16269-UP

1шт.

3

01010-31035

BOLT

SN: 16269-UP

3шт.

4

01010-31040

BOLT

SN: 16269-UP

1шт.

5

01602-01030

WASHER,SPRING

SN: 16269-UP

4шт.

6

01010-30870

BOLT

SN: 16269-UP

4шт.

7

01602-00825

WASHER,SPRING

SN: 16269-UP

4шт.

8

6110-71-5810

WASHER

SN: 16269-UP

4шт.

9

6136-71-3330

COVER

SN: 16269-UP

1шт.

10

07012-00032

SEAL,OIL (K2)

SN: 16269-UP

1шт.

11

6131-81-3141

GASKET (K2)

SN: 16269-UP

1шт.

12

01050-31020

BOLT

SN: 16269-UP

4шт.

13

01602-01030

WASHER,SPRING

SN: 16269-UP

4шт.

14

6136-71-3810

POINTER

SN: 16269-UP

1шт.

15

01010-30820

BOLT

SN: 16269-UP

2шт.

16

01602-00825

WASHER,SPRING

SN: 16269-UP

2шт.

17

01642-20810

WASHER

SN: 16269-UP

2шт.

18

06000-06007

BEARING,BALL

SN: 16269-UP

2шт.

19

6136-71-3240

SHAFT

SN: 16269-UP

1шт.

20

04010-00416

KEY

SN: 16269-UP

1шт.

21

04000-00722

KEY

SN: 16269-UP

1шт.

22

6136-71-3120

GEAR

SN: 16269-UP

1шт.

23

6136-71-3130

NUT,LOCK

SN: 16269-UP

1шт.

24

6136-71-3141

WASHER,LOCK (K2)

SN: 89310-UP

1шт.

24

6136-71-3141

WASHER,LOCK

SN: 16269-89309

1шт.

25

6136-81-3951

SHAFT

SN: 16269-UP

1шт.

26

6610-71-1911

SEAL,OIL

SN: 16269-UP

1шт.

27

6136-71-5110

PIPE,INJECTION, NO.1

SN: 16269-UP

1шт.

28

6136-71-5120

PIPE,INJECTION, NO.2

SN: 16269-UP

1шт.

29

6136-71-5130

PIPE,INJECTION, NO.3

SN: 16269-UP

1шт.

30

6136-71-5140

PIPE,INJECTION, NO.4

SN: 16269-UP

1шт.

31

6136-71-5150

PIPE,INJECTION, NO.5

SN: 16269-UP

1шт.

32

6136-71-5160

PIPE,INJECTION, NO.6

SN: 16269-UP

1шт.

|$37

6130-71-5720

CLIP ASS'Y

SN: 16269-UP

1шт.

33

6130-71-5730

CLIP

SN: 16269-UP

1шт.

34

6130-71-5740

CLIP, WITH THREAD

SN: 16269-UP

1шт.

35

6130-71-5750

BOLT

SN: 16269-UP

1шт.

36

6130-71-5760

WASHER

SN: 16269-UP

1шт.

37

6631-11-6390

SPACER

SN: 16269-UP

1шт.

38

6136-71-5720

CLIP

SN: 16269-UP

1шт.

39

01010-31035

BOLT

SN: 16269-UP

3шт.

40

01602-01030

WASHER,SPRING

SN: 16269-UP

5шт.

41

01640-01016

WASHER

SN: 16269-UP

5шт.

42

6136-71-3710

BRACKET

SN: 16269-UP

1шт.

43

01010-31030

BOLT

SN: 16269-UP

2шт.

44

6136-71-6100

FUEL FILTER ASS'Y

SN: 16269-UP

1шт.

45

6130-71-5640

HOSE

SN: 16269-UP

1шт.

46

6141-74-5850

HOSE

SN: 16269-UP

1шт.

47

07206-11014

BOLT,JOINT

SN: 16269-UP

2шт.

48

07005-01412

GASKET (K2)

SN: 16269-UP

4шт.

49

6136-51-6740

PIPE

SN: 16269-UP

1шт.

50

07206-10610

BOLT

SN: 16269-UP

1шт.

51

07005-01012

GASKET (K2)

SN: 16269-UP

4шт.

52

6136-51-6720

PIPE

SN: 16269-UP

1шт.

53

07206-10812

BOLT

SN: 16269-UP

1шт.

54

07005-01212

GASKET (K2)

SN: 16269-UP

2шт.

55

6136-71-5730

BRACKET

SN: 16269-UP

1шт.

56

01010-31020

BOLT

SN: 16269-UP

1шт.

57

01602-01030

WASHER,SPRING

SN: 16269-UP

2шт.

58

6136-71-5720

CLIP

SN: 16269-UP

2шт.

59

01010-31025

BOLT

SN: 16269-UP

1шт.

60

01642-01016

WASHER

SN: 16269-UP

2шт.

61

01580-01008

NUT

SN: 16269-UP

1шт.

Выбрано товаров: 134