Запчасти Komatsu D40P-5A ЧАСТИ ДЛЯ ПЕРИОДИЧ. ЗАМЕНЫ (/)(ГИДРАВЛ ШЛАНГИ)(DP) КАТАЛОГИ ЗЧ

Схема запчастей Komatsu D40P-5A - ЧАСТИ ДЛЯ ПЕРИОДИЧ. ЗАМЕНЫ (/)(ГИДРАВЛ ШЛАНГИ)(DP) КАТАЛОГИ ЗЧ
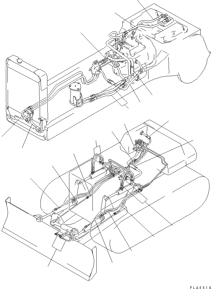
1
2
3
4
5
6
7
8
9
10
11
12
13
13
14
14
15
16
16
17
17
FIT
1:1
100%

Артикул

Название

Примечание

Количество

1

07102-20404

HOSE

SN: 10001-UP

1шт.

2

07102-20403

HOSE

SN: 10001-UP

1шт.

3

07102-21004

HOSE

SN: 10001-UP

1шт.

4

07102-21005

HOSE

SN: 10001-UP

1шт.

5

07260-23218

HOSE

SN: 10001-UP

1шт.

6

07102-20606

HOSE

SN: 10001-UP

2шт.

7

07102-20407

HOSE

SN: 10001-UP

1шт.

8

07102-20405

HOSE

SN: 10001-UP

1шт.

9

07260-04111

HOSE

SN: 10001-UP

1шт.

10

07260-04118

HOSE

SN: 10001-UP

1шт.

11

07086-00604

HOSE

SN: 10001-UP

1шт.

12

203-62-22221

HOSE

SN: 10001-UP

1шт.

13

07123-00407

HOSE

SN: 10001-UP

4шт.

14

120-62-42450

HOSE

SN: 10001-UP

2шт.

15

07086-40307

HOSE

SN: 10001-UP

2шт.

16

12F-62-42430

HOSE

SN: 10001-UP

2шт.

17

12F-62-42440

HOSE

SN: 10001-UP

2шт.

Выбрано товаров: 17