Запчасти Komatsu D40P-5A КОРПУС БЛОКА УПРАВЛЕНИЯ ПОВОРОТОМ И ОСНОВНАЯ РАМА ОСНОВН. МУФТА¤ ДЕМПФЕР¤ ТРАНСМИССИЯ¤ РУЛЕВ. УПРАВЛЕНИЕ И КОНЕЧНАЯ ПЕРЕДАЧА

Схема запчастей Komatsu D40P-5A - КОРПУС БЛОКА УПРАВЛЕНИЯ ПОВОРОТОМ И ОСНОВНАЯ РАМА ОСНОВН. МУФТА¤ ДЕМПФЕР¤ ТРАНСМИССИЯ¤ РУЛЕВ. УПРАВЛЕНИЕ И КОНЕЧНАЯ ПЕРЕДАЧА
FIT
1:1
100%

Артикул

Название

Примечание

Количество

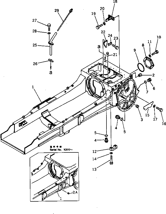
1

12F-21-41101

MAIN FRAME ASS'Y

SN: 10510-UP

1шт.

|1

12F-21-41100

MAIN FRAME ASS'Y

SN: 10001-10509

1шт.

2

07049-02430

PLUG

SN: 10001-UP

12шт.

2A

07049-02430

PLUG

SN: 10510-UP

8шт.

3

131-21-41520

PLUG

SN: 10001-UP

4шт.

4

07044-13620

PLUG

SN: 10001-UP

3шт.

5

07002-03634

O-RING

SN: 10001-UP

3шт.

6

07040-13016

PLUG

SN: 10001-UP

2шт.

7

07002-03034

O-RING

SN: 10001-UP

2шт.

8

131-21-41222

COVER

SN: 10001-UP

1шт.

9

07000-05185

O-RING

SN: 10001-UP

1шт.

10

01010-51430

BOLT

SN: 10001-UP

6шт.

11

01602-21442

WASHER,SPRING

SN: 10001-UP

6шт.

12

120-21-31381

CAP

SN: 10001-UP

4шт.

13

01010-52280

BOLT

SN: 10001-UP

8шт.

14

01643-32260

WASHER

SN: 10001-UP

8шт.

15

120-21-31220

COVER

SN: 10001-UP

2шт.

16

01010-51425

BOLT

SN: 10001-UP

4шт.

17

01602-21442

WASHER,SPRING

SN: 10001-UP

4шт.

18

120-21-31241

BRACKET

SN: 10001-UP

2шт.

19

01010-51230

BOLT

SN: 10001-UP

4шт.

20

01643-31232

WASHER

SN: 10136-UP

4шт.

|20

01650-21212

WASHER,LOCK

SN: 10001-10135

4шт.

21

113-21-22190

PIN

SN: 10001-UP

2шт.

22

120-21-31391

PLATE

SN: 10001-UP

2шт.

23

01010-51016

BOLT

SN: 10001-UP

4шт.

24

113-21-22160

LOCK

SN: 10001-UP

2шт.

25

120-21-31284

FILLER

SN: 10205-UP

1шт.

|25

0

FILLER

SN: 10001-10204

1шт.

|$$30

(120-21-31284{01010-51030(2))}

-1шт.

26

120-21-31263

GASKET

SN: 11114-UP

1шт.

|26

0

GASKET

SN: (10001-11113)

1шт.

27

01010-51030

BOLT

SN: 10205-UP

2шт.

|27

01010-51025

BOLT

SN: 10001-10204

2шт.

28

01643-31032

WASHER

SN: 10001-UP

2шт.

29

120-21-41511

GAUGE,OIL LEVEL

SN: 10001-UP

1шт.

|29

0

GAUGE,OIL LEVEL

SN: (10001-10204)

1шт.

Выбрано товаров: 37