Запчасти Komatsu D40PF-1 ОСНОВН. МУФТА ВАЛ И РЫЧАГ ОСНОВН. МУФТА И ТРАНСМИССИЯ

Схема запчастей Komatsu D40PF-1 - ОСНОВН. МУФТА ВАЛ И РЫЧАГ ОСНОВН. МУФТА И ТРАНСМИССИЯ
FIT
1:1
100%

Артикул

Название

Примечание

Количество

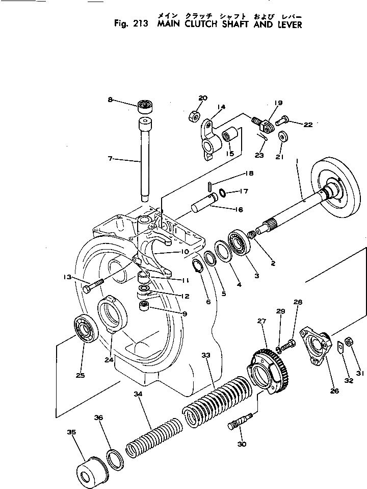
1

12F-10-12210

SHAFT,MAIN CLUTCH

SN: 2201-UP

1шт.

2

12F-10-12350

PLUG

SN: 2201-UP

1шт.

3

06000-06210

BEARING,ROLLER

SN: 2201-UP

1шт.

4

124-11-21240

PLATE

SN: 2201-UP

1шт.

5

124-11-21230

PLATE

SN: 2201-UP

1шт.

6

04064-04510

RING,SNAP

SN: 2201-UP

1шт.

7

12F-10-11350

SHAFT

SN: 2201-UP

1шт.

8

06120-03520

BEARING,NEEDLE

SN: 2201-UP

1шт.

9

06120-02016

BEARING,NEEDLE

SN: 2201-UP

1шт.

10

12F-10-11360

YOKE

SN: 2201-UP

1шт.

11

121-10-11580

SPACER

SN: 2201-UP

1шт.

12

121-10-11540

WASHER

SN: 2201-UP

1шт.

13

01010-31040

BOLT

SN: 2201-UP

1шт.

14

12F-10-11470

LEVER

SN: 2201-UP

1шт.

15

06120-02538

BEARING,NEEDLE

SN: 2201-UP

1шт.

16

121-10-11560

SHAFT

SN: 2201-UP

1шт.

17

07000-02021

O-RING

SN: 2201-UP

1шт.

18

04025-00516

PIN,SPRING

SN: 2201-UP

1шт.

19

12F-10-11480

YOKE

SN: 2201-UP

1шт.

20

01583-01610

NUT

SN: 2201-UP

1шт.

21

12F-10-11490

ROLLER

SN: 2201-UP

1шт.

22

12F-10-11520

PIN

SN: 2201-UP

1шт.

23

04050-13018

PIN,COTTER

SN: 2201-UP

1шт.

24

12F-10-11150

CAGE

SN: 2201-UP

1шт.

25

06050-06210

BEARING,BALL

SN: 2201-UP

1шт.

26

121-10-11381

FLANGE

SN: 2201-UP

1шт.

27

121-10-11321

GEAR

SN: 2201-UP

1шт.

28

01010-31025

BOLT

SN: 2201-UP

3шт.

29

01602-01030

WASHER,SPRING

SN: 2201-UP

3шт.

30

121-10-11371

ROD

SN: 2201-UP

3шт.

31

01580-01210

NUT

SN: 2201-UP

3шт.

32

121-10-11430

LOCK

SN: 2201-UP

3шт.

33

121-10-11350

SPRING

SN: 2201-UP

1шт.

34

121-10-11340

SPRING

SN: 2201-UP

1шт.

35

121-10-11331

HOLDER

SN: 2201-UP

1шт.

36

121-10-11420

SEAT

SN: 2201-UP

1шт.

Выбрано товаров: 36