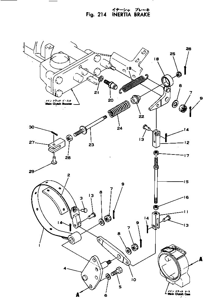
Запчасти Komatsu D40PF-1A INERTIA ТОРМОЗ. ОСНОВН. МУФТА И ТРАНСМИССИЯ

Схема запчастей Komatsu D40PF-1A - INERTIA ТОРМОЗ. ОСНОВН. МУФТА И ТРАНСМИССИЯ
FIT
1:1
100%

Артикул

Название

Примечание

Количество

|1

12F-10-00010

BRAKE BAND ASS'Y

SN: 2201-UP

1шт.

1

0

BAND,INERTIA BRAKE

SN: 2201-UP

1шт.

2

111-11-33120

LINING

SN: 2201-UP

3шт.

3

04412-00610

RIVET

SN: 2201-UP

6шт.

4

12F-10-12360

BRACKET

SN: 2201-UP

1шт.

5

01010-31025

BOLT

SN: 2201-UP

3шт.

6

01602-01030

WASHER,SPRING

SN: 2201-UP

3шт.

7

01590-01012

NUT

SN: 2201-UP

3шт.

8

01640-21016

WASHER

SN: 2201-UP

3шт.

9

04050-12018

PIN,COTTER

SN: 2201-UP

3шт.

10

121-10-12130

LEVER

SN: 2201-UP

1шт.

11

04221-20844

YOKE,L.H. THREAD

SN: 2201-UP

1шт.

12

04211-20844

YOKE,R.H. THREAD

SN: 2201-UP

1шт.

13

04205-10822

PIN

SN: 2201-UP

3шт.

14

04050-12012

PIN,COTTER

SN: 2201-UP

3шт.

15

04248-30817

ROD

SN: 2201-UP

1шт.

16

01508-10805

NUT¤ L.H. THREAD,L.H. THREAD

SN: 2201-UP

1шт.

17

01580-00806

NUT,R.H. THREAD

SN: 2201-UP

1шт.

18

121-10-12141

LEVER

SN: 2201-UP

1шт.

19

170-33-12360

SPRING

SN: 2201-UP

1шт.

20

121-10-12150

BOLT

SN: 2201-UP

1шт.

21

01602-01030

WASHER,SPRING

SN: 2201-UP

1шт.

22

141-10-13210

GUIDE

SN: 2201-UP

1шт.

23

121-10-12160

ROD

SN: 2201-UP

1шт.

24

121-10-12180

SPRING

SN: 2201-UP

1шт.

25

01590-00809

NUT

SN: 2201-UP

1шт.

26

04050-12018

PIN,COTTER

SN: 2201-UP

1шт.

27

04210-21040

YOKE

SN: 2201-UP

1шт.

28

01582-01008

NUT

SN: 2201-UP

1шт.

29

04205-11028

PIN

SN: 2201-UP

1шт.

30

04050-13015

PIN,COTTER

SN: 2201-UP

1шт.

Выбрано товаров: 31