Запчасти Komatsu D40PF-1A КОРПУС ТРАНСМИССИИ ОСНОВН. МУФТА И ТРАНСМИССИЯ

Схема запчастей Komatsu D40PF-1A - КОРПУС ТРАНСМИССИИ ОСНОВН. МУФТА И ТРАНСМИССИЯ
FIT
1:1
100%

Артикул

Название

Примечание

Количество

|1

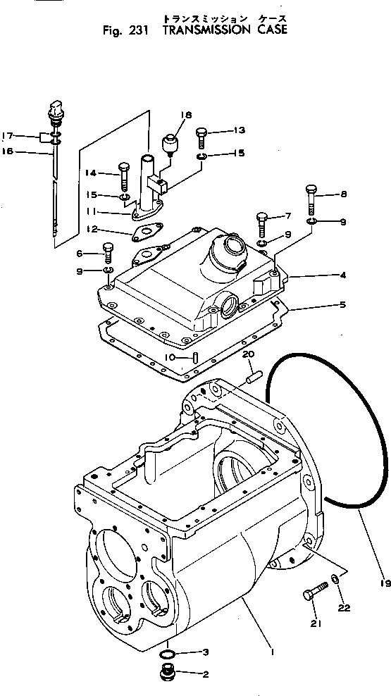
12F-14-00101

TRANSMISSION ASS'Y

SN: 2201-UP

1шт.

1

12F-14-18111

CASE,TRANSMISSION

SN: 2201-UP

1шт.

2

07044-13620

PLUG,DRAIN

SN: 2201-UP

1шт.

3

07002-03634

O-RING

SN: 2201-UP

1шт.

4

12F-14-18510

COVER,CASE

SN: 2201-UP

1шт.

5

12F-14-18530

GASKET

SN: 2201-UP

1шт.

6

01010-31030

BOLT

SN: 2201-UP

7шт.

7

01010-31055

BOLT

SN: 2201-UP

4шт.

8

01010-31065

BOLT

SN: 2201-UP

2шт.

9

01602-01030

WASHER,SPRING

SN: 2201-UP

13шт.

10

04020-01024

PIN,DOWEL

SN: 2201-UP

2шт.

11

12F-14-18340

GUIDE

SN: 2201-UP

1шт.

12

12F-14-12190

GASKET

SN: 2201-UP

1шт.

13

01010-31030

BOLT

SN: 2201-UP

1шт.

14

01010-31070

BOLT

SN: 2201-UP

1шт.

15

01602-01030

WASHER,SPRING

SN: 2201-UP

2шт.

16

12F-14-12180

GAUGE

SN: 2201-UP

1шт.

17

07000-03022

O-RING

SN: 2201-UP

2шт.

18

07030-00252

BREATHER

SN: 2201-UP

1шт.

19

07000-05440

O-RING

SN: 2201-UP

1шт.

20

04020-01638

PIN,DOWEL

SN: 2201-UP

1шт.

21

01010-31850

BOLT

SN: 2201-UP

8шт.

22

01643-31845

WASHER

SN: 2201-UP

8шт.

Выбрано товаров: 23