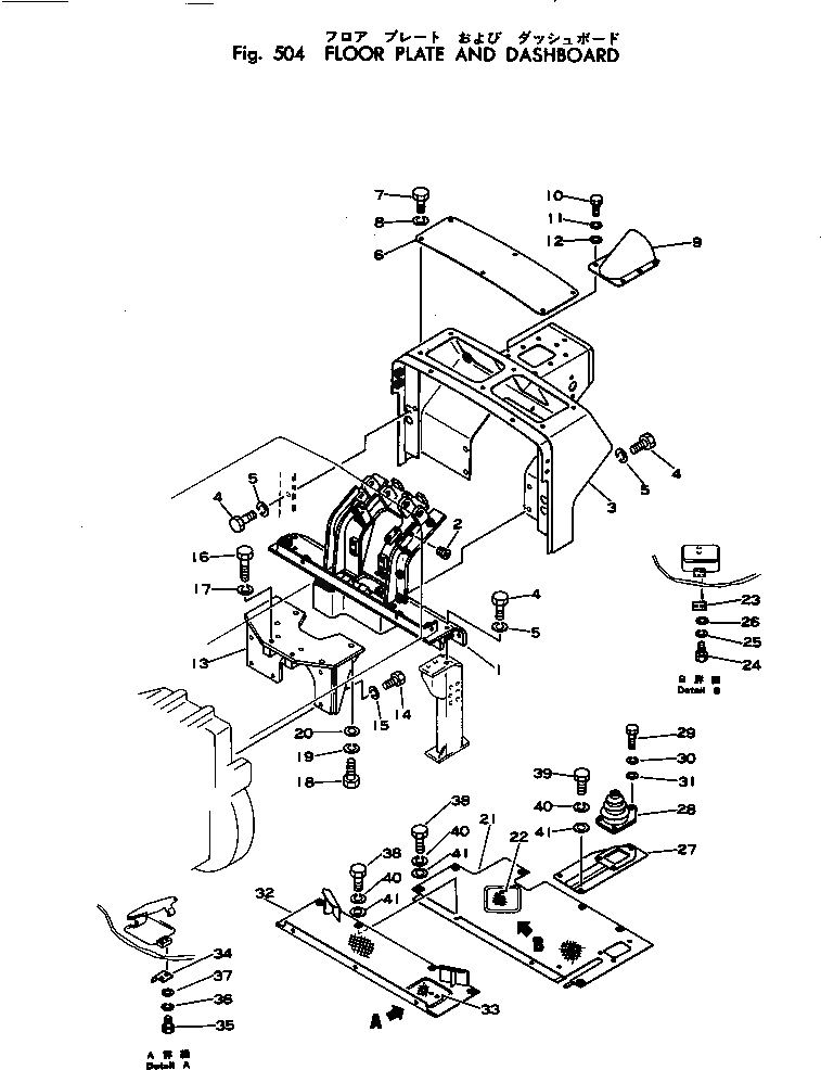
Запчасти Komatsu D40PF-1A ПОЛ КАБИНЫ И ПРИБОРНАЯ ПАНЕЛЬ ЧАСТИ КОРПУСА

Схема запчастей Komatsu D40PF-1A - ПОЛ КАБИНЫ И ПРИБОРНАЯ ПАНЕЛЬ ЧАСТИ КОРПУСА
FIT
1:1
100%

Артикул

Название

Примечание

Количество

1

124-54-21562

FRAME

SN: 2201-UP

1шт.

2

07049-01215

PLUG

SN: 2201-UP

2шт.

3

12F-06-14131

DASHBOARD

SN: 2907-UP

1шт.

|3

12F-06-14130

DASHBOARD

SN: 2201-2906

1шт.

4

01010-31225

BOLT

SN: 2201-UP

21шт.

5

01602-01236

WASHER,SPRING

SN: 2201-UP

21шт.

6

124-54-21580

PLATE

SN: 2201-UP

1шт.

7

01010-31220

BOLT

SN: 2201-UP

6шт.

8

01602-01236

WASHER,SPRING

SN: 2201-UP

6шт.

9

12F-06-14120

COVER

SN: 2201-UP

1шт.

10

01010-30816

BOLT

SN: 2201-UP

6шт.

11

01602-00825

WASHER,SPRING

SN: 2201-UP

6шт.

12

01641-00812

WASHER

SN: 2201-UP

6шт.

13

124-54-21631

BRACKET

SN: 2201-UP

1шт.

14

01010-31030

BOLT

SN: 2201-UP

6шт.

15

01602-01030

WASHER,SPRING

SN: 2201-UP

6шт.

16

01010-31260

BOLT

SN: 2201-UP

4шт.

17

01602-01236

WASHER,SPRING

SN: 2201-UP

4шт.

18

01010-31440

BOLT

SN: 2201-UP

4шт.

19

01602-01442

WASHER,SPRING

SN: 2201-UP

4шт.

20

01643-31445

WASHER

SN: 2201-UP

4шт.

21

12F-54-11681

PLATE

SN: 2201-UP

1шт.

22

12F-54-11560

COVER

SN: 2201-UP

1шт.

23

12F-54-11590

PLATE

SN: 2201-UP

1шт.

24

01010-30610

BOLT

SN: 2201-UP

2шт.

25

01602-00619

WASHER,SPRING

SN: 2201-UP

2шт.

26

01640-20610

WASHER

SN: 2201-UP

2шт.

27

12F-54-11670

COVER

SN: 2201-UP

1шт.

28

12F-54-11450

BOOTS

SN: 2201-UP

1шт.

29

01010-30820

BOLT

SN: 2201-UP

4шт.

30

01602-00825

WASHER,SPRING

SN: 2201-UP

4шт.

31

01640-20816

WASHER

SN: 2201-UP

4шт.

|32

12F-54-00030

PLATE ASS'Y

SN: 2201-UP

1шт.

32

0

PLATE

SN: 2201-UP

1шт.

33

12F-54-11560

COVER

SN: 2201-UP

1шт.

34

12F-54-11590

PLATE

SN: 2201-UP

1шт.

35

01010-30610

BOLT

SN: 2201-UP

2шт.

36

01602-00619

WASHER,SPRING

SN: 2201-UP

2шт.

37

01640-20610

WASHER

SN: 2201-UP

2шт.

38

01010-31225

BOLT

SN: 2201-UP

12шт.

39

01010-31230

BOLT

SN: 2201-UP

1шт.

40

01602-01236

WASHER,SPRING

SN: 2201-UP

13шт.

41

01643-31232

WASHER

SN: 2201-UP

13шт.

Выбрано товаров: 0