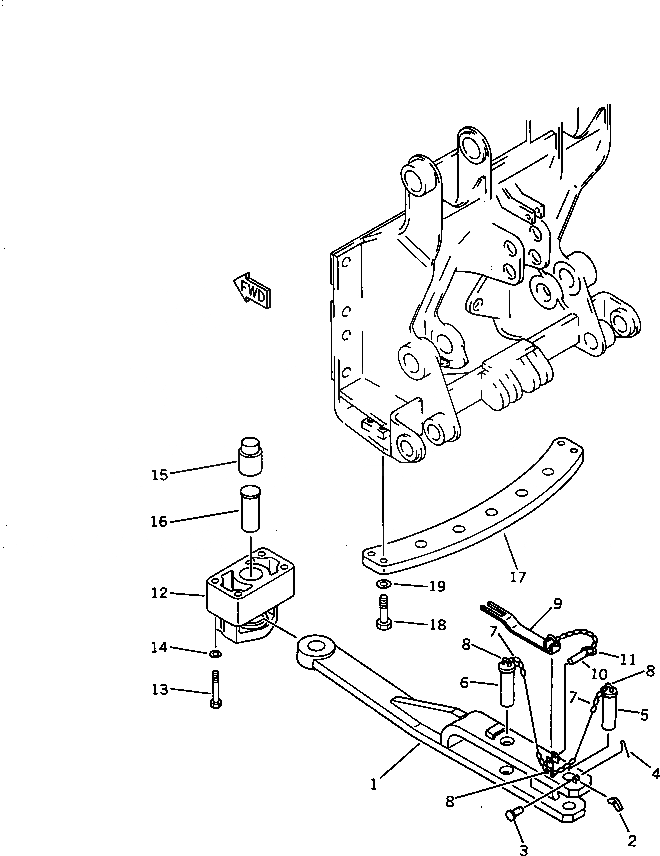
Запчасти Komatsu D40PF-5 ПОВОРОТН. СЦЕПНОЕ УСТРОЙСТВО(№-) РАБОЧЕЕ ОБОРУДОВАНИЕ

Схема запчастей Komatsu D40PF-5 - ПОВОРОТН. СЦЕПНОЕ УСТРОЙСТВО(№-) РАБОЧЕЕ ОБОРУДОВАНИЕ
FIT
1:1
100%

Артикул

Название

Примечание

Количество

|1

120-Y54-4912

DRAWBAR ASS'Y

SN: 10001-11001

1шт.

1

120-Y54-4922

DRAWBAR

SN: 10001-@

1шт.

2

09249-00009

LATCH

SN: 10001-11001

1шт.

3

04205-10828

PIN

SN: 10001-11001

1шт.

4

04050-12012

PIN,COTTER

SN: 10001-11001

1шт.

5

120-Y54-4931

PIN

SN: 10001-@

1шт.

6

120-Y54-5370

PIN

SN: 10001-@

1шт.

7

09245-14827

CHAIN

SN: 10001-@

2шт.

8

09245-50060

HOOK (WELDED)

SN: 10001-@

3шт.

9

120-X54-1910

PLATE

SN: 10001-@

1шт.

10

120-Y54-5360

PIN

SN: 10001-@

1шт.

11

120-Y54-4310

RING

SN: 10001-@

1шт.

12

130-919-1281

BRACKET

SN: 10001-@

1шт.

13

01011-52030

BOLT

SN: 10001-@

4шт.

14

01643-32060

WASHER

SN: 10001-@

4шт.

15

130-919-1320

PIN

SN: 10001-@

1шт.

16

130-919-1291

PIN

SN: 10001-@

1шт.

17

120-Y54-5380

GUIDE

SN: 10001-@

1шт.

18

01011-52015

BOLT

SN: 10001-@

4шт.

19

01643-32060

WASHER

SN: 10001-@

4шт.

Выбрано товаров: 20