Запчасти Komatsu 6D105-1CC-PF ВОЗДУХООЧИСТИТЕЛЬ И КРЕПЛЕНИЕ(№98-7) ГОЛОВКА ЦИЛИНДРОВ

Схема запчастей Komatsu 6D105-1CC-PF - ВОЗДУХООЧИСТИТЕЛЬ И КРЕПЛЕНИЕ(№98-7) ГОЛОВКА ЦИЛИНДРОВ
FIT
1:1
100%

Артикул

Название

Примечание

Количество

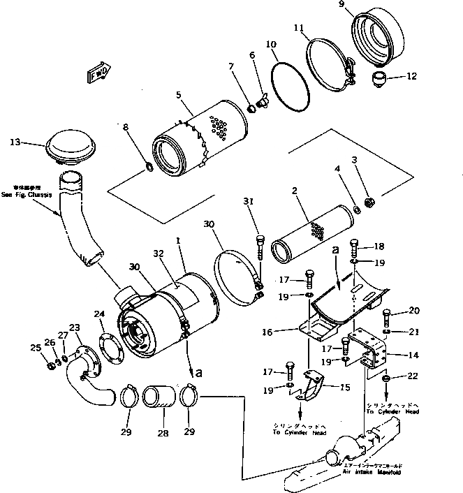
|1

6136-81-7100

AIR CLEANER ASS'Y

SN: 92268-@

1шт.

1

6136-81-7200

BODY

SN: 92268-@

1шт.

|2

6131-82-7011

ELEMENT ASS'Y

SN: 92268-@

1шт.

2

0

ELEMENT,INNER

SN: 92268-@

1шт.

3

600-181-9631

NUT

SN: 92268-@

1шт.

4

600-181-7511

WASHER,SEAL

SN: 92268-@

1шт.

|5

600-181-8300

ELEMENT ASS'Y,OUTER

SN: 92268-@

1шт.

5

0

ELEMENT,OUTER

SN: 92268-@

1шт.

6

600-181-8640

NUT,WING

SN: 92268-@

1шт.

7

600-181-7511

WASHER,SEAL

SN: 92268-@

1шт.

8

04064-01510

RING,SNAP

SN: 92268-@

1шт.

9

600-181-8590

PAN,DUST

SN: 92268-@

1шт.

10

600-181-8490

O-RING

SN: 92268-@

1шт.

11

600-181-8580

CLAMP

SN: 92268-@

1шт.

12

600-181-2480

VALVE

SN: 92268-@

1шт.

13

6136-82-8210

CAP

SN: 92268-@

1шт.

14

6136-11-4532

BRACKET

SN: 92268-@

1шт.

15

6136-11-4521

BRACKET

SN: 92268-@

1шт.

16

6136-11-4271

BRACKET

SN: 92268-@

1шт.

17

01010-31025

BOLT

SN: 92268-106575

7шт.

18

01010-31205

BOLT

SN: 92268-106575

4шт.

19

01602-01030

WASHER,SPRING

SN: 92268-106575

11шт.

20

01010-31030

BOLT

SN: 92268-106575

1шт.

21

01602-01030

WASHER,SPRING

SN: 92268-106575

1шт.

22

6136-11-2980

SPACER

SN: 92268-@

1шт.

23

6136-11-4540

CONNECTOR

SN: 92268-@

1шт.

24

6136-11-4831

GASKET (K1)

SN: 92268-@

1шт.

25

01580-00806

NUT

SN: 92268-106575

6шт.

26

01602-00825

WASHER,SPRING

SN: 92268-106575

6шт.

27

01640-20816

WASHER

SN: 92268-106575

6шт.

28

6131-11-4470

HOSE

SN: 92268-@

1шт.

29

07281-00909

CLAMP

SN: 92268-@

2шт.

30

6136-11-4450

BAND ASS'Y

SN: 92268-@

2шт.

|30

6110-11-4520

PIN

SN: 92268-@

1шт.

|30

6110-11-4530

PIN¤ WITH THREAD

SN: 92268-@

1шт.

31

6643-11-4641

BOLT

SN: 92268-@

2шт.

32

09637-00161

PLATE¤ INSTRUCTION,(JAPANESE-ENGLISH)

SN: 92268-@

1шт.

|1

6136-81-7100

AIR CLEANER ASS'Y

SN: 92268-@

1шт.

1

6136-81-7200

BODY

SN: 92268-@

1шт.

|2

6131-82-7011

ELEMENT ASS'Y

SN: 92268-@

1шт.

2

0

ELEMENT,INNER

SN: 92268-@

1шт.

3

600-181-9631

NUT

SN: 92268-@

1шт.

4

600-181-7511

WASHER,SEAL

SN: 92268-@

1шт.

|5

600-181-8300

ELEMENT ASS'Y,OUTER

SN: 92268-@

1шт.

5

0

ELEMENT,OUTER

SN: 92268-@

1шт.

6

600-181-8640

NUT,WING

SN: 92268-@

1шт.

7

600-181-7511

WASHER,SEAL

SN: 92268-@

1шт.

8

04064-01510

RING,SNAP

SN: 92268-@

1шт.

9

600-181-8590

PAN,DUST

SN: 92268-@

1шт.

10

600-181-8490

O-RING

SN: 92268-@

1шт.

11

600-181-8580

CLAMP

SN: 92268-@

1шт.

12

600-181-2480

VALVE

SN: 92268-@

1шт.

13

6136-82-8210

CAP

SN: 92268-@

1шт.

14

6136-11-4532

BRACKET

SN: 92268-@

1шт.

15

6136-11-4521

BRACKET

SN: 92268-@

1шт.

16

6136-11-4271

BRACKET

SN: 92268-@

1шт.

17

01010-31025

BOLT

SN: 92268-106575

7шт.

18

01010-31205

BOLT

SN: 92268-106575

4шт.

19

01602-01030

WASHER,SPRING

SN: 92268-106575

11шт.

20

01010-31030

BOLT

SN: 92268-106575

1шт.

21

01602-01030

WASHER,SPRING

SN: 92268-106575

1шт.

22

6136-11-2980

SPACER

SN: 92268-@

1шт.

23

6136-11-4540

CONNECTOR

SN: 92268-@

1шт.

24

6136-11-4831

GASKET (K1)

SN: 92268-@

1шт.

25

01580-00806

NUT

SN: 92268-106575

6шт.

26

01602-00825

WASHER,SPRING

SN: 92268-106575

6шт.

27

01640-20816

WASHER

SN: 92268-106575

6шт.

28

6131-11-4470

HOSE

SN: 92268-@

1шт.

29

07281-00909

CLAMP

SN: 92268-@

2шт.

30

6136-11-4450

BAND ASS'Y

SN: 92268-@

2шт.

|30

6110-11-4520

PIN

SN: 92268-@

1шт.

|30

6110-11-4530

PIN¤ WITH THREAD

SN: 92268-@

1шт.

31

6643-11-4641

BOLT

SN: 92268-@

2шт.

32

09637-00161

PLATE¤ INSTRUCTION,(JAPANESE-ENGLISH)

SN: 92268-@

1шт.

Выбрано товаров: 74