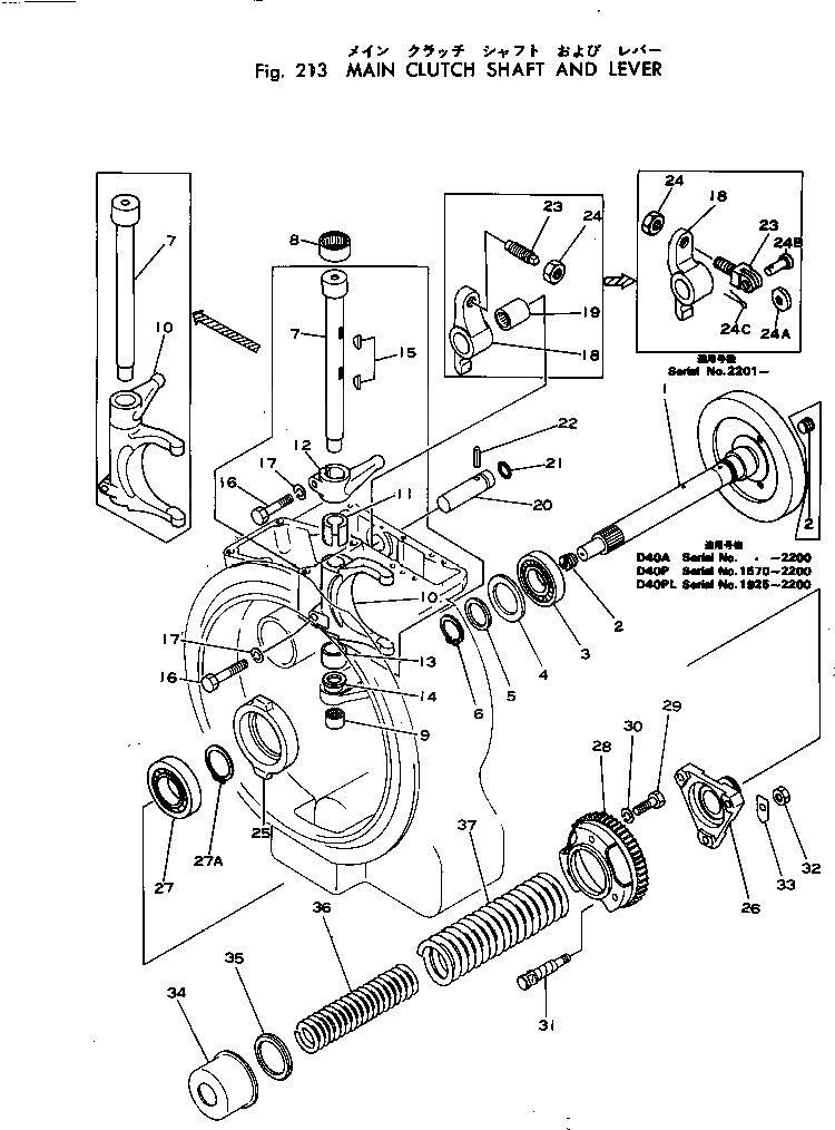
Запчасти Komatsu D40PL-1 ОСНОВН. МУФТА ВАЛ И РЫЧАГ ОСНОВН. МУФТА И ТРАНСМИССИЯ

Схема запчастей Komatsu D40PL-1 - ОСНОВН. МУФТА ВАЛ И РЫЧАГ ОСНОВН. МУФТА И ТРАНСМИССИЯ
FIT
1:1
100%

Артикул

Название

Примечание

Количество

1

12F-10-12210

SHAFT,MAIN CLUTCH

SN: 2201-UP

1шт.

1

12F-10-11160

SHAFT,MAIN CLUTCH

SN: 1501-2200

1шт.

2

12F-10-12350

PLUG

SN: 2201-UP

1шт.

2

07043-00108

PLUG

SN: 1501-2200

1шт.

3

06000-06210

BEARING,ROLLER

SN: 2201-UP

1шт.

3

06042-00208

BEARING,ROLLER

SN: 1501-2200

1шт.

4

124-11-21240

PLATE

SN: 2201-UP

1шт.

4

121-10-11180

PLATE

SN: 1501-2200

1шт.

5

124-11-21230

PLATE

SN: 2201-UP

1шт.

5

12F-10-11120

PLATE

SN: 1501-2200

1шт.

6

04064-04518

RING,SNAP

SN: 2201-UP

1шт.

6

140-09-15410

RING,SNAP

SN: 1501-2200

1шт.

7

12F-10-11350

SHAFT

SN: .-UP

1шт.

7

121-10-11510

SHAFT

SN: 1501-.

1шт.

8

06120-03520

BEARING,NEEDLE

SN: 1501-UP

1шт.

9

06120-02016

BEARING,NEEDLE

SN: 1501-UP

1шт.

10

12F-10-11360

YOKE

SN: .-UP

1шт.

10

121-10-11521

YOKE

SN: 1501-.

1шт.

11

121-10-11530

LEVER

SN: 1501-.

1шт.

12

121-10-11590

SPACER

SN: 1501-.

1шт.

13

121-10-11580

SPACER

SN: 1501-UP

1шт.

14

121-10-11540

WASHER

SN: 1501-UP

1шт.

15

04010-00725

KEY

SN: 1501-.

2шт.

16

01010-31040

BOLT

SN: .-UP

1шт.

16

01010-31040

BOLT

SN: 1501-.

2шт.

17

01602-01030

WASHER,SPRING

SN: 1501-.

2шт.

18

12F-10-11470

LEVER

SN: 1861-UP

1шт.

18

121-10-11550

LEVER

SN: 1501-1860

1шт.

19

06120-02538

BEARING,NEEDLE

SN: 1501-UP

1шт.

20

121-10-11560

SHAFT

SN: 1501-UP

1шт.

21

07000-02021

O-RING

SN: 1501-UP

1шт.

22

04025-00516

PIN,ROLL

SN: 1501-UP

1шт.

23

12F-10-11480

YOKE

SN: 1861-UP

1шт.

23

121-10-11570

SCREW

SN: 1501-1860

1шт.

24

01583-01610

NUT

SN: 1861-UP

1шт.

24

01582-01613

NUT

SN: 1501-1860

1шт.

24A

12F-10-11490

ROLLER

SN: 1861-UP

1шт.

24B

12F-10-11520

PIN

SN: 1861-UP

1шт.

24C

04050-13018

PIN,COTTER

SN: 1861-UP

1шт.

25

12F-10-11150

CAGE

SN: 1501-UP

1шт.

26

121-10-11381

FLANGE

SN: 1501-UP

1шт.

27

06050-06210

BEARING,BALL

SN: 1501-UP

1шт.

27A

04064-05020

RING,SNAP

SN: 1501-UP

1шт.

28

121-10-11322

GEAR

SN: .-UP

1шт.

28

0

GEAR

SN: 1501-.

1шт.

29

01010-31025

BOLT

SN: 1501-UP

3шт.

30

01602-01030

WASHER,SPRING

SN: 1501-UP

3шт.

31

121-10-11371

ROD

SN: 1501-UP

3шт.

32

01580-01210

NUT

SN: 1501-UP

3шт.

33

121-10-11430

LOCK

SN: 1501-UP

3шт.

34

121-10-11331

HOLDER

SN: 1501-UP

1шт.

35

121-10-11420

SEAT

SN: 1501-UP

1шт.

36

121-10-11340

SPRING,SMALL

SN: 1501-UP

1шт.

37

121-10-11350

SPRING,LARGE

SN: 1501-UP

1шт.

Выбрано товаров: 54