Запчасти Komatsu D40PL-1 ОСНОВН. МУФТА УСИЛИТЕЛЬ ОСНОВН. МУФТА И ТРАНСМИССИЯ

Схема запчастей Komatsu D40PL-1 - ОСНОВН. МУФТА УСИЛИТЕЛЬ ОСНОВН. МУФТА И ТРАНСМИССИЯ
FIT
1:1
100%

Артикул

Название

Примечание

Количество

|$0

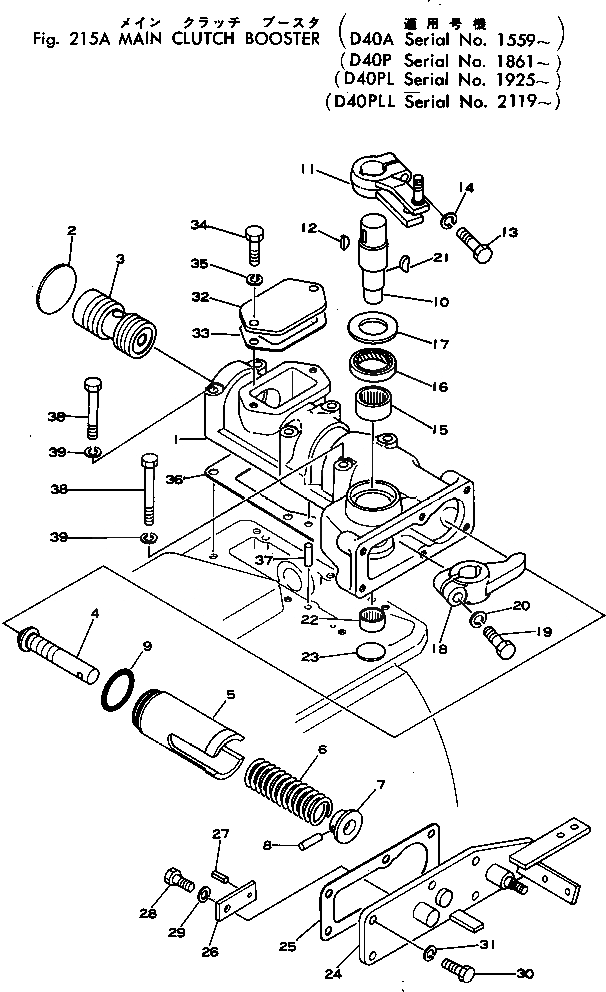
12F-10-00022

BOOSTER ASS'Y

SN: 2201-UP

1шт.

|$1

0

BOOSTER ASS'Y

SN: 1559-2200

1шт.

1

12F-10-11410

BODY

SN: 1559-UP

1шт.

2

07046-15520

PLUG

SN: 1501-UP

1шт.

3

12F-10-11420

PISTON

SN: 1559-UP

1шт.

4

12F-10-11430

VALVE

SN: 1559-UP

1шт.

5

12F-10-11440

GUIDE

SN: 1559-UP

1шт.

6

121-10-13160

SPRING

SN: 1501-UP

1шт.

7

12F-10-11530

GUIDE

SN: 1559-UP

1шт.

8

12F-10-11540

PIN

SN: 1559-UP

1шт.

9

07000-33040

O-RING

SN: 1559-UP

1шт.

10

121-10-13180

SHAFT

SN: 1501-UP

1шт.

11

12F-10-11370

LEVER

SN: 2201-UP

1шт.

11

121-10-13250

LEVER

SN: 1501-2200

1шт.

12

04010-00722

KEY

SN: 1501-UP

1шт.

13

01010-31240

BOLT

SN: 1501-UP

1шт.

14

01602-01236

WASHER,SPRING

SN: 1501-UP

1шт.

15

06120-03520

BEARING,NEEDLE

SN: 1501-UP

1шт.

16

120-09-11310

SEAL,OIL

SN: 1501-UP

1шт.

17

121-10-13190

COLLAR

SN: 1501-UP

1шт.

18

12F-10-11610

LEVER

SN: 2201-UP

1шт.

18

121-10-13170

LEVER

SN: 1501-2200

1шт.

19

01010-31040

BOLT

SN: 1501-UP

1шт.

20

01602-01030

WASHER,SPRING

SN: 1501-UP

1шт.

21

04010-00725

KEY

SN: 1501-UP

1шт.

22

06120-02216

BEARING,NEEDLE

SN: 1501-UP

1шт.

23

07046-13520

PLUG

SN: 1501-UP

1шт.

24

12F-10-12310

BRACKET

SN: 2201-UP

1шт.

24

12F-10-11210

BRACKET

SN: 1501-2200

1шт.

25

121-10-13220

GASKET

SN: 1501-UP

1шт.

26

121-10-13270

PLATE

SN: 1501-UP

1шт.

27

04020-00616

PIN,DOWEL

SN: 1501-UP

1шт.

28

01010-31020

BOLT

SN: 1501-UP

1шт.

29

01602-01030

WASHER,SPRING

SN: 1501-UP

1шт.

30

01010-31025

BOLT

SN: 1501-UP

5шт.

31

01602-01030

WASHER,SPRING

SN: 1501-UP

5шт.

32

12F-10-11450

COVER

SN: 1861-UP

1шт.

33

12F-10-11460

GASKET

SN: 1861-UP

1шт.

34

01010-31025

BOLT

SN: 1501-UP

2шт.

35

01602-01030

WASHER,SPRING

SN: 1501-UP

2шт.

36

12F-10-11510

GASKET

SN: 1861-UP

1шт.

37

04020-00820

PIN,DOWEL

SN: 1501-UP

2шт.

38

01010-31085

BOLT

SN: 1861-UP

6шт.

39

01602-01030

WASHER,SPRING

SN: 1501-UP

6шт.

Выбрано товаров: 0