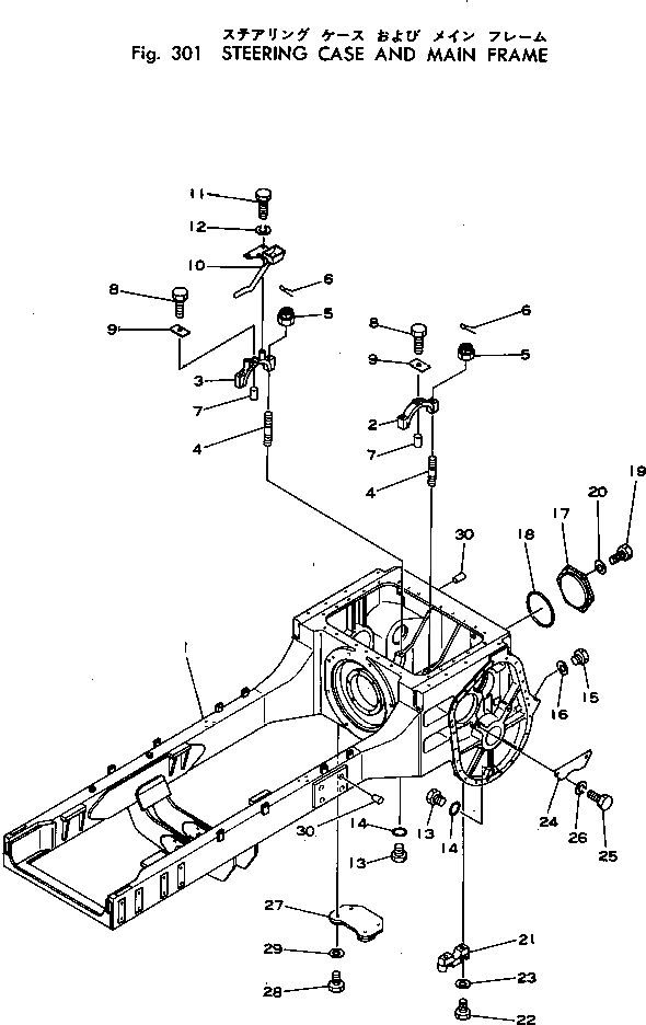
Запчасти Komatsu D40PL-1 КОРПУС БЛОКА УПРАВЛЕНИЯ ПОВОРОТОМ И ОСНОВНАЯ РАМА СИСТЕМАУПРАВЛЕНИЯ ПОВОРОТОМ И КОНЕЧНАЯ ПЕРЕДАЧА

Схема запчастей Komatsu D40PL-1 - КОРПУС БЛОКА УПРАВЛЕНИЯ ПОВОРОТОМ И ОСНОВНАЯ РАМА СИСТЕМАУПРАВЛЕНИЯ ПОВОРОТОМ И КОНЕЧНАЯ ПЕРЕДАЧА
FIT
1:1
100%

Артикул

Название

Примечание

Количество

|$0

12F-21-00011

MAIN FRAME ASS'Y

SN: 2201-UP

1шт.

|$1

12F-21-00010

MAIN FRAME ASS'Y

SN: 1500-1500

1шт.

|$2

12F-21-00050

MAIN FRAME ASS'Y

SN: 1501-2200

1шт.

1

12F-21-11102

CASE AND FRAME

SN: 2201-UP

1шт.

1

12F-21-11101

CASE AND FRAME

SN: 1500-1500

1шт.

1

12F-929-8130

FRAME

SN: 1501-2200

1шт.

2

131-21-41450

CAP

SN: 1501-UP

1шт.

3

12F-21-11160

CAP

SN: 1501-UP

1шт.

4

01122-62090

STUD

SN: 1501-UP

4шт.

5

01592-02022

NUT

SN: 1501-UP

4шт.

6

04050-04040

PIN,COTTER

SN: 1501-UP

4шт.

7

04020-00616

PIN,DOWEL

SN: 1501-UP

2шт.

8

01010-30816

BOLT

SN: 1501-UP

2шт.

9

130-21-12322

LOCK

SN: 1501-UP

2шт.

10

12F-21-11311

FILLER

SN: 2201-UP

1шт.

10

12F-21-11310

FILLER

SN: 1501-2200

1шт.

11

01010-31016

BOLT

SN: 1501-UP

2шт.

12

01602-01030

WASHER,SPRING

SN: 1501-UP

2шт.

13

07044-13620

PLUG

SN: 1501-UP

3шт.

14

07002-03634

O-RING

SN: 1501-UP

3шт.

15

07040-13016

PLUG

SN: 1501-UP

2шт.

16

07002-03034

O-RING

SN: 1501-UP

2шт.

17

131-21-41222

COVER

SN: 1501-UP

1шт.

18

07000-05185

O-RING

SN: 1501-UP

1шт.

19

01010-31430

BOLT

SN: 1501-UP

6шт.

20

01602-01442

WASHER,SPRING

SN: 1501-UP

6шт.

21

125-21-21351

CAP

SN: 1501-UP

4шт.

22

01010-32280

BOLT

SN: 1501-UP

8шт.

23

01643-32260

WASHER

SN: 1501-UP

8шт.

24

130-21-41261

PLATE

SN: 1501-UP

2шт.

25

01010-31425

BOLT

SN: 1501-UP

4шт.

26

01602-01442

WASHER,SPRING

SN: 1501-UP

4шт.

27

130-21-41350

PLATE

SN: 2201-UP

1шт.

27

130-21-51170

PLATE

SN: 1501-2200

1шт.

28

01010-32040

BOLT

SN: 2201-UP

4шт.

28

01010-32045

BOLT

SN: 1501-2200

4шт.

29

01643-32060

WASHER

SN: 1501-UP

4шт.

30

07049-02430

PLUG

SN: 1501-UP

20шт.

Выбрано товаров: 0