Запчасти Komatsu D40PLF-1A КОНЕЧНАЯ ПЕРЕДАЧА И ВАЛ СИСТЕМАУПРАВЛЕНИЯ ПОВОРОТОМ И КОНЕЧНАЯ ПЕРЕДАЧА

Схема запчастей Komatsu D40PLF-1A - КОНЕЧНАЯ ПЕРЕДАЧА И ВАЛ СИСТЕМАУПРАВЛЕНИЯ ПОВОРОТОМ И КОНЕЧНАЯ ПЕРЕДАЧА
FIT
1:1
100%

Артикул

Название

Примечание

Количество

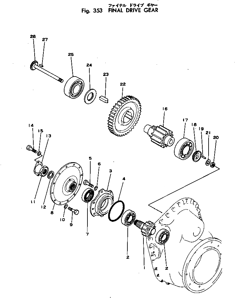
1

125-27-21210

PINION¤ 13 TEETH,1ST

SN: 2201-UP

2шт.

2

06043-00311

BEARING,BALL

SN: 2201-UP

4шт.

3

125-27-21320

CAGE

SN: 2201-UP

2шт.

4

01010-31230

BOLT

SN: 2201-UP

12шт.

5

01602-01236

WASHER,SPRING

SN: 2201-UP

12шт.

6

07000-05155

O-RING

SN: 2201-UP

2шт.

7

07013-10080

SEAL,OIL

SN: 2201-UP

2шт.

8

125-27-21310

FLANGE

SN: 2201-UP

2шт.

9

01010-31025

BOLT

SN: 2201-UP

24шт.

10

01602-01030

WASHER,SPRING

SN: 2201-UP

24шт.

11

131-21-52320

NUT

SN: 2201-UP

2шт.

12

111-27-11230

GASKET

SN: 2201-UP

2шт.

13

111-27-31130

LOCK

SN: 2201-UP

2шт.

14

01010-31220

BOLT

SN: 2201-UP

4шт.

15

01602-01236

WASHER,SPRING

SN: 2201-UP

4шт.

16

12F-27-11260

PINION¤ 11 TEETH,2ND

SN: 2201-UP

2шт.

17

130-09-31331

BEARING,ROLLER

SN: 2201-UP

2шт.

18

135-27-21230

HOLDER

SN: 2201-UP

2шт.

19

04020-00820

PIN,DOWEL

SN: 2201-UP

1шт.

20

01583-02213

NUT

SN: 2201-UP

2шт.

21

01653-02216

WASHER,LOCK

SN: 2201-UP

2шт.

22

125-27-21230

GEAR¤ 38 TEETH

SN: 2201-UP

2шт.

23

125-27-22310

KEY

SN: 2201-UP

6шт.

24

135-27-11340

SPACER

SN: 2201-UP

2шт.

25

130-09-31321

BEARING,ROLLER

SN: 2201-UP

2шт.

26

12F-27-12220

SHAFT

SN: 2201-UP

2шт.

27

04020-00820

PIN,DOWEL

SN: 2201-UP

1шт.

Выбрано товаров: 27