Запчасти Komatsu D40PLF-1A АККУМУЛЯТОР КОМПОНЕНТЫ ДВИГАТЕЛЯ И ЭЛЕКТРИКА

Схема запчастей Komatsu D40PLF-1A - АККУМУЛЯТОР КОМПОНЕНТЫ ДВИГАТЕЛЯ И ЭЛЕКТРИКА
FIT
1:1
100%

Артикул

Название

Примечание

Количество

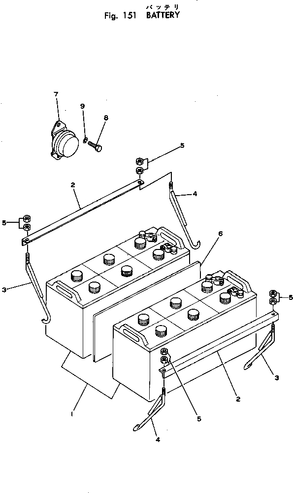
1

08000-02212

BATTERY (115F51)

SN: .-UP

2шт.

|1

0

BATTERY (115F51)

SN: 2201-.

2шт.

2

112-06-21131

HOLDER,BATTERY

SN: 2201-UP

2шт.

3

125-06-22440

BOLT

SN: 2201-UP

2шт.

4

125-06-22430

BOLT

SN: 2201-UP

2шт.

5

01580-01008

NUT

SN: 2201-UP

8шт.

6

120-06-11150

PLATE

SN: 2201-UP

1шт.

7

08088-10000

SWITCH,BATTERY RELAY

SN: 2201-UP

1шт.

8

01010-30816

BOLT

SN: 2201-UP

2шт.

9

01602-00825

WASHER,SPRING

SN: 2201-UP

2шт.

Выбрано товаров: 10