Качественные детали и логистика
Оригинальные и аналоговые запчасти с доставкой по России, Казахстану и Беларуси
©2022 PartSell ООО "Система" ИНН 2463123282 ОГРН 1212400004838
Центральный офис: г. Красноярск, Академика Киренского, д.87, пом.4
Телефон: 8 (800) 777-65-74 Email: zakaz@partsell.ru
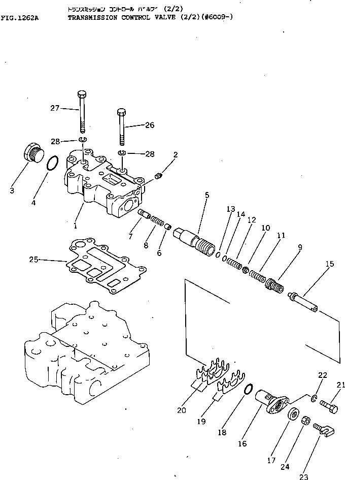
КЛАПАН УПРАВЛЕНИЯ ТРАНСМИССИЕЙ (/)(№9-)
№
Артикул
Название
Примечание
Количество
|$0
124-15-00023
TRANSMISSION ASS'Y
SN: 6732-UP
1шт.
|$1
0
SN: 6556-6731
|$$3
THESE ASSEMBLIES CONSIST OF ALL PARTS SHOWN IN FIGS.1251 TO 1262A.
-1шт.
|$3
124-15-00530
CONTROL VALVE ASS'Y
SN: 6556-UP
|$4
124-15-00520
BODY ASS'Y
1
BODY
2
07042-20108
PLUG
4шт.
3
362-15-15550
4
07002-03034
O-RING (KIT)
SN: 6001-UP
5
124-15-45420
VALVE
6
22W-75-18890
7
22W-75-18880
8
125-15-15290
SPRING
9
104-15-35170
STOPPER
10
104-15-35180
11
124-15-46190
12
124-15-46180
13
104-15-36480
SHIM, 0.5MM
3шт.
14
104-15-36490
SHIM, 0.2MM
2шт.
15
104-15-35160
SPOOL
16
104-15-35230
COVER
17
113-15-29110
SEAL,OIL (KIT)
18
07000-72021
19
104-15-36460
SHIM, 0.5MM (KIT)
20
104-15-36470
SHIM, 0.2MM (KIT)
21
01010-30825
BOLT
22
01602-00825
WASHER,SPRING
23
09363-00850
YOKE
24
01580-10806
NUT
25
124-15-45950
GASKET (KIT)
26
01010-30880
5шт.
27
125-15-36410
6шт.
28
11шт.
Выбрано товаров: 0