Запчасти Komatsu D41A-3 ВЫХОДНОЙ ВАЛ ОСНОВН. МУФТА И ТРАНСМИССИЯ

Схема запчастей Komatsu D41A-3 - ВЫХОДНОЙ ВАЛ ОСНОВН. МУФТА И ТРАНСМИССИЯ
FIT
1:1
100%

Артикул

Название

Примечание

Количество

|$0

124-15-00023

TRANSMISSION ASS'Y

SN: 6732-UP

1шт.

|$1

0

TRANSMISSION ASS'Y

SN: 6556-6731

1шт.

|$2

124-15-00021

TRANSMISSION ASS'Y

SN: 6001-6555

1шт.

|$$4

THESE ASSEMBLIES CONSIST OF ALL PARTS SHOWN IN FIGS.1251 TO 1262A.

-1шт.

|$4

124-15-00112

TRANSMISSION ASS'Y

SN: 6556-6731

1шт.

|$5

124-15-00111

TRANSMISSION ASS'Y

SN: 6001-6555

1шт.

|$$7

THESE ASSEMBLIES CONSIST OF ALL PARTS SHOWN IN FIGS.1251 TO 1257.

-1шт.

|$7

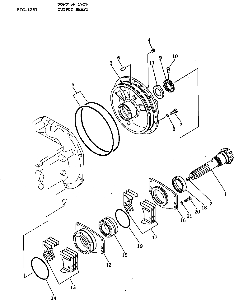
124-15-00261

SHAFT ASS'Y

SN: 6001-UP

1шт.

1

0

SHAFT

SN: 6001-UP

1шт.

2

568-15-11380

PLUG

SN: 6001-UP

1шт.

|$10

124-15-00251

COVER ASS'Y

SN: 6001-UP

1шт.

3

0

COVER

SN: 6001-UP

1шт.

4

568-15-11380

PLUG

SN: 6001-UP

1шт.

5

07000-05370

O-RING (KIT)

SN: 6001-UP

2шт.

6

04020-01228

PIN,DOWEL

SN: 6001-UP

1шт.

7

01010-31240

BOLT

SN: 6001-UP

12шт.

8

01602-01236

WASHER,SPRING

SN: 6001-UP

12шт.

9

124-15-42960

NUT

SN: 6001-UP

1шт.

10

145-15-31331

PIN

SN: 6001-UP

1шт.

11

124-15-42980

COLLAR

SN: 6001-UP

1шт.

12

124-15-41242

CAGE

SN: 6001-UP

1шт.

13

124-15-05010

SHIM KIT (KIT)

SN: 6001-UP

1шт.

13

0

SHIM, 0.2MM

SN: 6001-UP

2шт.

13

0

SHIM, 0.2MM

SN: 6001-UP

2шт.

13

0

SHIM, 0.3MM

SN: 6001-UP

4шт.

13

0

SHIM, 0.3MM

SN: 6001-UP

4шт.

13

0

SHIM, 1.0MM

SN: 6001-UP

4шт.

13

0

SHIM, 1.0MM

SN: 6001-UP

2шт.

14

07000-05160

O-RING (KIT)

SN: 6001-UP

1шт.

15

144-15-22810

BEARING,ROLLER

SN: 6001-UP

1шт.

16

124-15-41231

COVER

SN: 6001-UP

1шт.

17

124-15-05020

SHIM KIT (KIT)

SN: 6001-UP

1шт.

17

0

SHIM, 0.2MM

SN: 6001-UP

2шт.

17

0

SHIM, 0.2MM

SN: 6001-UP

2шт.

17

0

SHIM, 0.3MM

SN: 6001-UP

4шт.

17

0

SHIM, 0.3MM

SN: 6001-UP

4шт.

18

07012-10090

SEAL,OIL (KIT)

SN: 6001-UP

1шт.

19

07000-02140

O-RING (KIT)

SN: 6001-UP

1шт.

20

01010-31245

BOLT

SN: 6001-UP

4шт.

21

01602-01236

WASHER,SPRING

SN: 6001-UP

4шт.

Выбрано товаров: 0