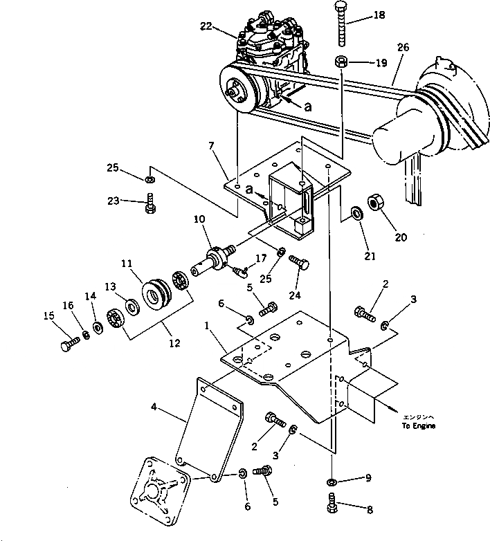
Запчасти Komatsu D41A-5 CAR ОХЛАДИТЕЛЬ КОМПРЕССОР И КОМПОНЕНТЫ (ДЛЯ СТАЛЬНАЯ КАБИНА)(№9-) ЧАСТИ КОРПУСА

Схема запчастей Komatsu D41A-5 - CAR ОХЛАДИТЕЛЬ КОМПРЕССОР И КОМПОНЕНТЫ (ДЛЯ СТАЛЬНАЯ КАБИНА)(№9-) ЧАСТИ КОРПУСА
FIT
1:1
100%

Артикул

Название

Примечание

Количество

1

120-Y79-7120

BRACKET

SN: 10091-10235

1шт.

2

01010-50845

BOLT

SN: 10091-@

3шт.

3

01602-20825

WASHER,SPRING

SN: 10091-@

3шт.

4

120-Y79-7130

PLATE

SN: 10091-@

1шт.

5

01010-51035

BOLT

SN: 10091-@

4шт.

6

01602-21030

WASHER,SPRING

SN: 10091-@

4шт.

7

120-Y79-7110

BRACKET

SN: 10091-10235

1шт.

8

01010-51230

BOLT

SN: 10091-10235

4шт.

9

01602-21236

WASHER,SPRING

SN: 10091-@

4шт.

10

120-Y79-7150

SHAFT

SN: 10091-@

1шт.

11

120-Y79-7160

PULLEY,TENSION

SN: 10091-@

1шт.

12

06007-06204

BEARING

SN: 10091-@

2шт.

13

6115-61-4130

SPACER

SN: 10091-@

1шт.

14

6115-61-4140

WASHER

SN: 10091-@

1шт.

15

01010-51020

BOLT

SN: 10091-@

1шт.

16

01602-01030

WASHER,SPRING

SN: 10091-@

1шт.

17

07020-00675

FITTING,GREASE

SN: 10091-@

1шт.

18

6715-61-3810

BOLT

SN: 10091-@

1шт.

19

01580-11210

NUT

SN: 10091-@

1шт.

20

01582-11613

NUT

SN: 10091-@

1шт.

21

01643-31645

WASHER

SN: 10091-@

1шт.

22

198-911-4501

COMPRESSOR ASS'Y

SN: 10091-10235

1шт.

23

01010-50835

BOLT

SN: 10091-10235

4шт.

24

01010-50825

BOLT

SN: 10091-10235

2шт.

25

01602-20825

WASHER,SPRING

SN: 10091-10235

6шт.

26

04120-21741

V-BELT

SN: 10091-10235

1шт.

Выбрано товаров: 26