Запчасти Komatsu D41A-5 МАРКИРОВКА (ЯПОН.)(№-7) МАРКИРОВКА¤ ИНСТРУМЕНТ И РЕМКОМПЛЕКТЫ

Схема запчастей Komatsu D41A-5 - МАРКИРОВКА (ЯПОН.)(№-7) МАРКИРОВКА¤ ИНСТРУМЕНТ И РЕМКОМПЛЕКТЫ
FIT
1:1
100%

Артикул

Название

Примечание

Количество

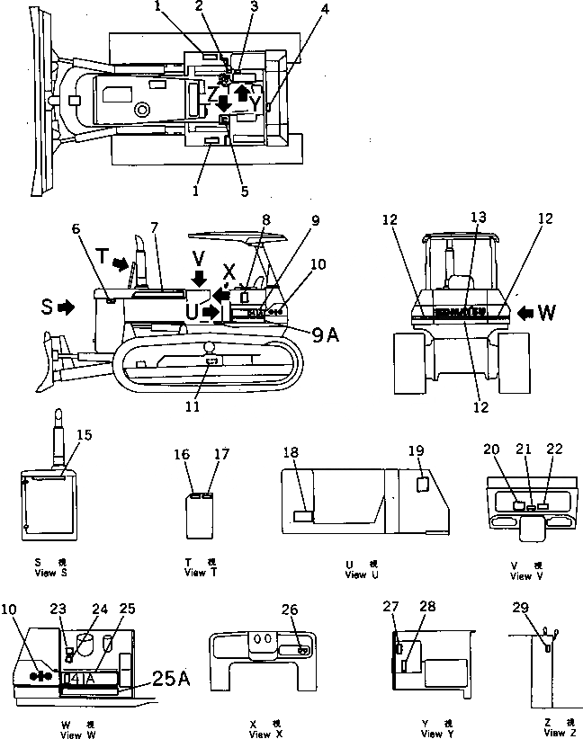
1

120-54-32451

SHEET,ANTISKID

SN: 10001-@

2шт.

2

09670-00004

PLATE¤ OPERATING,TILT CONTROL LEVER

SN: 10001-@

1шт.

3

09670-00007

PLATE¤ OPERATING,ANGLE CONTROL LEVER (D41A-5A)

SN: 10106-@

1шт.

|3

0

PLATE¤ OPERATING,ANGLE CONTROL LEVER

SN: 10001-10105

1шт.

|3

09670-00001

PLATE¤ OPERATING,ANGLE CONTROL LEVER (D41A-5)

SN: 10001-@

1шт.

4

09652-01101

PLATE¤ CAUTION,FUEL TANK

SN: 10001-@

1шт.

5

124-54-32251

PLATE¤ OPERATING,TRANSMISSION CONTROL LEVER

SN: 10001-@

1шт.

|5

04418-03060

SCREW

SN: 10001-@

6шт.

6

09667-00100

PLATE¤ SAFETY,ENGINE ROOM

SN: 10001-10273

2шт.

7

12F-54-31321

PLATE¤ MARK,LINE¤ L.H.

SN: 10106-@

1шт.

|7

12F-54-31320

PLATE¤ MARK,LINE¤ L.H.

SN: 10001-10105

1шт.

|7

12F-54-31331

PLATE¤ MARK,LINE¤ R.H.

SN: 10106-@

1шт.

|7

12F-54-31330

PLATE¤ MARK,LINE¤ R.H.

SN: 10001-10105

1шт.

8

124-54-45110

CHART¤ OIL

SN: 10001-@

1шт.

9

124-54-45160

PLATE¤ MARK,D41A

SN: 10183-@

1шт.

|9

0

PLATE¤ MARK,D41A¤ L.H.

SN: 10106-10182

1шт.

|9

124-54-45130

PLATE¤ MARK,D41A¤ L.H.

SN: 10001-10105

1шт.

9A

134-54-35132

PLATE¤ MARK

SN: 10183-@

1шт.

10

134-54-35110

PLATE¤ MARK,SYMBOL

SN: 10001-10182

2шт.

11

09657-00110

PLATE¤ SAFETY,TRACK SHOE ADJUSTING

SN: 10001-10273

2шт.

12

134-54-35351

PLATE¤ MARK,WHITE LINE

SN: 10186-@

3шт.

|12

134-54-35350

PLATE¤ MARK,WHITE LINE

SN: 10106-10185

3шт.

|12

134-54-35170

PLATE¤ MARK,WHITE LINE

SN: 10001-10105

3шт.

13

09690-C0400

PLATE¤ MARK

SN: 10183-@

1шт.

|13

0

PLATE¤ MARK,KOMATSU

SN: 10001-10182

1шт.

15

09690-C0280

PLATE¤ MARK

SN: 10183-@

1шт.

|15

0

PLATE¤ MARK,KOMATSU

SN: 10001-10182

1шт.

16

09668-00100

PLATE¤ SAFETY,RADIATOR HIGH TEMP

SN: 10001-10273

1шт.

17

09650-01103

PLATE¤ INSTRUCTION,RADIATOR WATER LEVEL

SN: 10001-@

1шт.

18

09602-01635

PLATE¤ NAME,(LIMITED SUPPLY)

SN: 10001-@

1шт.

|18

04418-13060

SCREW

SN: 10001-@

4шт.

19

124-54-45120

PLATE¤ DATA,(D41A-5A)

SN: 10001-@

1шт.

|19

124-54-45210

PLATE¤ DATA,(D41A-5)

SN: 10001-@

1шт.

20

09173-00100

PLATE¤ SAFETY,INSPECTION AND MAINTENANCE

SN: 10001-10273

1шт.

21

09651-00100

PLATE¤ SAFETY,BEFORE OPERATING

SN: 10001-10273

1шт.

22

09654-00100

PLATE¤ SAFETY,STARTING AND AFTER OPERATING

SN: 10001-10273

1шт.

23

09653-00100

PLATE¤ SAFETY,HYDRAULIC TANK

SN: 10001-10273

1шт.

24

120-54-36121

PLATE¤ CAUTION,OIL FILTER

SN: 10001-@

1шт.

25

124-54-45160

PLATE¤ MARK,D41A

SN: 10183-@

1шт.

|25

0

PLATE¤ MARK,D41A¤ R.H.

SN: 10106-10182

1шт.

|25

124-54-45140

PLATE¤ MARK,D41A¤ R.H.

SN: 10001-10105

1шт.

25A

124-54-45142

PLATE¤ MARK

SN: 10183-@

1шт.

26

09683-01060

PLATE¤ OPERATING,STARTING SWITCH

SN: 10001-@

1шт.

27

09685-00005

PLATE¤ OPERATING,BLADE CONTROL LEVER LOCK

SN: 10001-@

1шт.

28

09685-00001

PLATE¤ OPERATING,BRAKE LOCK LEVER

SN: 10001-@

1шт.

29

09685-00002

PLATE¤ OPERATING,TRANSMISSION LOCK LEVER

SN: 10001-@

1шт.

Выбрано товаров: 46