Запчасти Komatsu D41A-5 ДЕМПФЕР(№-) ОСНОВН. МУФТА¤ ДЕМПФЕР¤ ТРАНСМИССИЯ¤ РУЛЕВ. УПРАВЛЕНИЕ И КОНЕЧНАЯ ПЕРЕДАЧА

Схема запчастей Komatsu D41A-5 - ДЕМПФЕР(№-) ОСНОВН. МУФТА¤ ДЕМПФЕР¤ ТРАНСМИССИЯ¤ РУЛЕВ. УПРАВЛЕНИЕ И КОНЕЧНАЯ ПЕРЕДАЧА
FIT
1:1
100%

Артикул

Название

Примечание

Количество

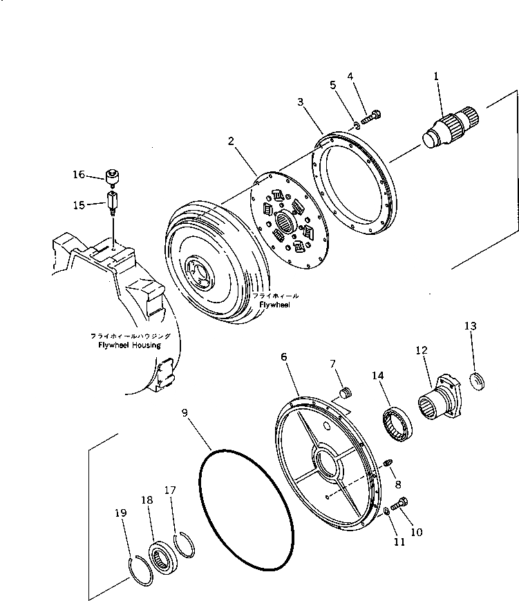
1

124-11-32120

SHAFT

SN: 10024-UP

1шт.

2

124-11-31161

DAMPER

SN: 10001-UP

1шт.

3

125-11-31151

WEIGHT

SN: 10001-UP

1шт.

4

01010-51045

BOLT

SN: 10001-UP

12шт.

5

01643-31032

WASHER

SN: 10001-UP

12шт.

6

124-11-32110

COVER

SN: 10024-UP

1шт.

7

07043-01019

PLUG

SN: 10001-UP

1шт.

8

07042-20211

PLUG

SN: 10001-UP

1шт.

9

120-10-31120

O-RING

SN: 10001-UP

1шт.

10

01010-51030

BOLT

SN: 10001-UP

12шт.

11

01643-31032

WASHER

SN: 10024-UP

12шт.

12

12F-14-11290

YOKE

SN: 10024-UP

1шт.

13

07046-15520

PLUG

SN: 10024-UP

1шт.

14

07012-10065

SEAL,OIL

SN: 10024-UP

1шт.

15

124-11-31181

TUBE

SN: 10001-UP

1шт.

16

07030-00252

BREATHER

SN: 10001-UP

1шт.

17

04064-05020

RING,SNAP

SN: 10024-UP

1шт.

18

06000-06210

BEARING

SN: 10024-UP

1шт.

19

04065-09030

RING,SNAP

SN: 10024-UP

1шт.

Выбрано товаров: 19