Запчасти Komatsu D41A-5 ТРАНСМИССИЯ (КОРПУС) (/7) ОСНОВН. МУФТА¤ ДЕМПФЕР¤ ТРАНСМИССИЯ¤ РУЛЕВ. УПРАВЛЕНИЕ И КОНЕЧНАЯ ПЕРЕДАЧА

Схема запчастей Komatsu D41A-5 - ТРАНСМИССИЯ (КОРПУС) (/7) ОСНОВН. МУФТА¤ ДЕМПФЕР¤ ТРАНСМИССИЯ¤ РУЛЕВ. УПРАВЛЕНИЕ И КОНЕЧНАЯ ПЕРЕДАЧА
FIT
1:1
100%

Артикул

Название

Примечание

Количество

|1

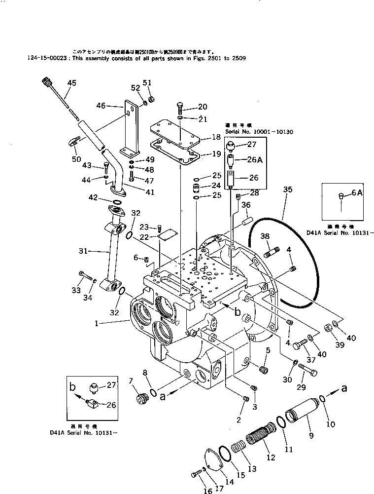
124-15-00023

TRANSMISSION ASS'Y

SN: 10001-UP

1шт.

|$$2

THIS ASSEMBLY CONSISTS OF ALL PARTS SHOWN IN FIGS.2501 TO 2509.

-1шт.

|1

124-15-00201

CASE ASS'Y

SN: 10001-UP

1шт.

1

0

CASE

SN: 10001-UP

1шт.

2

07043-00211

PLUG

SN: 10001-UP

2шт.

3

07042-20108

PLUG

SN: 10001-UP

1шт.

4

07043-00312

PLUG

SN: 10001-UP

5шт.

5

07043-01019

PLUG

SN: 10001-UP

1шт.

6

07043-50211

PLUG

SN: 10001-UP

1шт.

6A

07042-70211

PLUG

SN: 10131-UP

1шт.

7

07044-13620

PLUG

SN: 10001-UP

1шт.

8

07002-03634

O-RING

SN: 10001-UP

1шт.

9

125-15-11711

CASE

SN: 10001-UP

1шт.

10

07000-73030

O-RING

SN: 10001-UP

1шт.

11

07000-72055

O-RING

SN: 10001-UP

1шт.

12

125-15-11722

MAGNET ASS'Y

SN: 10001-UP

1шт.

13

125-15-11790

SPRING

SN: 10001-UP

1шт.

14

125-15-31420

COVER

SN: 10001-UP

1шт.

15

07000-72075

O-RING

SN: 10001-UP

1шт.

16

01010-51025

BOLT

SN: 10001-UP

3шт.

17

01602-21030

WASHER,SPRING

SN: 10001-UP

3шт.

18

124-15-41810

PLATE

SN: 10001-UP

1шт.

19

124-15-41820

GASKET

SN: 10001-UP

1шт.

20

01010-51230

BOLT

SN: 10001-UP

6шт.

21

01602-21236

WASHER,SPRING

SN: 10001-UP

6шт.

22

09608-05080

PLATE¤ NAME,(LIMITED SUPPLY)

SN: 10001-UP

1шт.

23

04418-13060

SCREW

SN: 10001-UP

4шт.

24

124-15-41310

SLEEVE

SN: 10001-UP

4шт.

25

07000-72021

O-RING

SN: 10001-UP

8шт.

26

568-15-11610

ELBOW

SN: 10131-UP

1шт.

|26

124-15-41680

BOSS

SN: 10001-10130

1шт.

26A

124-15-41690

PIN

SN: 10001-10130

1шт.

27

07030-00252

BREATHER

SN: 10001-UP

1шт.

28

07048-01410

PLUG

SN: 10001-UP

3шт.

29

01010-51455

BOLT

SN: 10001-UP

4шт.

30

01643-31445

WASHER

SN: 10001-UP

4шт.

31

124-15-41710

FILLER

SN: 10001-UP

1шт.

32

07000-03035

O-RING

SN: 10001-UP

2шт.

33

01010-51065

BOLT

SN: 10001-UP

4шт.

34

01602-21030

WASHER,SPRING

SN: 10001-UP

4шт.

35

07000-05440

O-RING

SN: 10001-UP

1шт.

36

04020-01638

PIN,DOWEL

SN: 10001-UP

1шт.

37

01010-51850

BOLT

SN: 10001-UP

6шт.

38

01124-51845

STUD

SN: 10001-UP

2шт.

39

01580-11815

NUT

SN: 10001-UP

2шт.

40

01643-31845

WASHER

SN: 10001-UP

8шт.

41

124-15-41720

FILLER

SN: 10001-UP

1шт.

42

07000-03035

O-RING

SN: 10001-UP

1шт.

43

01010-51030

BOLT

SN: 10001-UP

2шт.

44

01602-21030

WASHER,SPRING

SN: 10001-UP

2шт.

45

124-15-41760

GAUGE,OIL LEVEL

SN: 10001-UP

1шт.

46

124-15-41740

BRACKET

SN: 10001-UP

1шт.

47

01010-51025

BOLT

SN: 10001-UP

2шт.

48

01602-21030

WASHER,SPRING

SN: 10001-UP

2шт.

49

01643-31032

WASHER

SN: 10001-UP

2шт.

50

07283-23442

CLIP

SN: 10001-UP

1шт.

51

01599-01011

NUT

SN: 10001-UP

2шт.

52

01643-31032

WASHER

SN: 10001-UP

2шт.

Выбрано товаров: 58