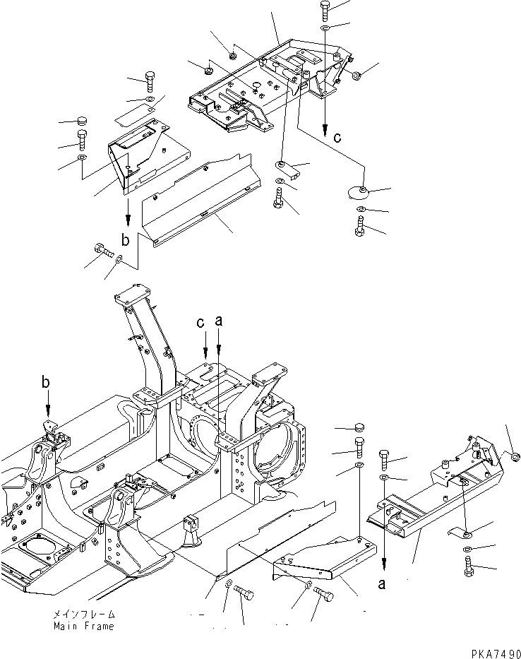
Запчасти Komatsu D41E-6 ЗАДН. ЧАСТИ КОРПУСА (КРЫЛО)(№B-B) ЧАСТИ КОРПУСА

Схема запчастей Komatsu D41E-6 - ЗАДН. ЧАСТИ КОРПУСА (КРЫЛО)(№B-B) ЧАСТИ КОРПУСА
1
2
3
4
5
6
7
8
9
9
10
10
11
12
13
14
15
16
17
18
19
20
21
22
23
24
25
26
27
28
29
30
31
32
33
34
35
36
FIT
1:1
100%

Артикул

Название

Примечание

Количество

1

124-54-53113

FENDER,L.H.

SN: B20001-B20500

1шт.

2

124-54-53131

COVER

SN: B20001-@

1шт.

3

01010-81225

BOLT

SN: B20001-@

1шт.

4

01643-31232

WASHER

SN: B20001-@

1шт.

5

09415-05022

CAP

SN: B20001-@

1шт.

6

01010-82050

BOLT

SN: B20001-@

4шт.

7

01643-32060

WASHER

SN: B20001-@

4шт.

8

124-54-53143

STEP,L.H.

SN: B20001-B20500

1шт.

9

01010-81225

BOLT

SN: B20001-@

6шт.

10

01643-31232

WASHER

SN: B20001-@

6шт.

11

09415-02512

CAP

SN: B20001-@

4шт.

12

124-54-53222

COVER,L.H.

SN: B20001-B20500

1шт.

13

01010-81225

BOLT

SN: B20001-B20500

3шт.

14

01643-31232

WASHER

SN: B20001-@

3шт.

15

09415-05022

CAP

SN: B20001-@

1шт.

16

124-54-53124

FENDER,R.H.

SN: B20001-@

1шт.

17

124-54-53131

COVER

SN: B20001-@

1шт.

18

01010-81225

BOLT

SN: B20001-@

1шт.

19

01643-31232

WASHER

SN: B20001-@

1шт.

20

14X-54-13160

COVER

SN: B20001-@

1шт.

21

01010-81225

BOLT

SN: B20001-@

1шт.

22

01643-31232

WASHER

SN: B20001-@

1шт.

23

14X-54-13132

COVER

SN: B20001-@

1шт.

24

01010-81225

BOLT

SN: B20001-@

1шт.

25

01643-31232

WASHER

SN: B20001-@

1шт.

26

09415-03614

CAP

SN: B20001-@

2шт.

27

09415-05016

CAP

SN: B20001-@

1шт.

28

01010-82050

BOLT

SN: B20001-@

4шт.

29

01643-32060

WASHER

SN: B20001-@

4шт.

30

124-54-53153

STEP,R.H.

SN: B20001-B20500

1шт.

31

01010-81225

BOLT

SN: B20001-@

6шт.

32

01643-31232

WASHER

SN: B20001-@

6шт.

33

09415-02512

CAP

SN: B20001-@

4шт.

34

124-54-53232

COVER,R.H.

SN: B20001-B20500

1шт.

35

01010-81225

BOLT

SN: B20001-B20500

3шт.

36

01643-31232

WASHER

SN: B20001-@

3шт.

Выбрано товаров: 36