Запчасти Komatsu D41E-6 ОСНОВН. КОНСТРУКЦИЯ (БЛОКИР. ОТВАЛА) (ДЛЯ ПОВОРОТН. ОТВАЛА С ИЗМ. УГЛОМ DOZER) КАБИНА ОПЕРАТОРА И СИСТЕМА УПРАВЛЕНИЯ

Схема запчастей Komatsu D41E-6 - ОСНОВН. КОНСТРУКЦИЯ (БЛОКИР. ОТВАЛА) (ДЛЯ ПОВОРОТН. ОТВАЛА С ИЗМ. УГЛОМ DOZER) КАБИНА ОПЕРАТОРА И СИСТЕМА УПРАВЛЕНИЯ
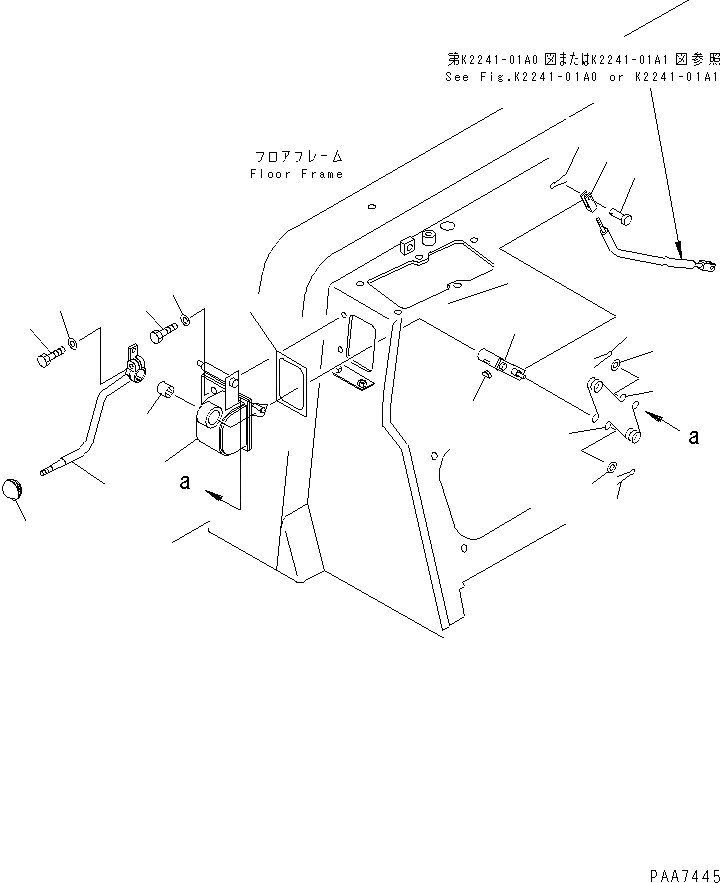
1
2
3
4
5
6
7
8
9
10
11
12
12
13
13
14
15
16
17
18
FIT
1:1
100%

Артикул

Название

Примечание

Количество

1

14X-43-14412

BRACKET

SN: B20001-UP

1шт.

2

14X-43-14340

SHEET

SN: B20001-UP

1шт.

3

06124-02020

BEARING

SN: B20001-UP

1шт.

4

09304-10835

KNOB

SN: B20001-UP

1шт.

5

17A-43-15121

LEVER

SN: B20001-UP

1шт.

6

04010-00516

KEY

SN: B20001-UP

1шт.

7

17A-43-25460

LEVER

SN: B20001-UP

1шт.

8

01010-80830

BOLT

SN: B20001-UP

1шт.

9

01643-30823

WASHER

SN: B20001-UP

1шт.

10

09463-00002

SPRING

SN: B20001-UP

1шт.

11

09463-00006

SPRING

SN: B20001-UP

1шт.

12

01641-20608

WASHER

SN: B20001-UP

2шт.

13

04050-11612

PIN

SN: B20001-UP

2шт.

14

01010-81025

BOLT

SN: B20001-UP

2шт.

15

01643-31032

WASHER

SN: B20001-UP

2шт.

16

04205-10622

PIN

SN: B20001-UP

1шт.

17

04050-11612

PIN

SN: B20001-UP

1шт.

18

124-43-54340

YOKE

SN: B20001-UP

1шт.

Выбрано товаров: 18