Запчасти Komatsu D41E-6 ЗАЩИТА КАТКОВ (ДЛЯ HD СОЕДИНИТЕЛЬН. ЗВЕНО) ХОДОВАЯ

Схема запчастей Komatsu D41E-6 - ЗАЩИТА КАТКОВ (ДЛЯ HD СОЕДИНИТЕЛЬН. ЗВЕНО) ХОДОВАЯ
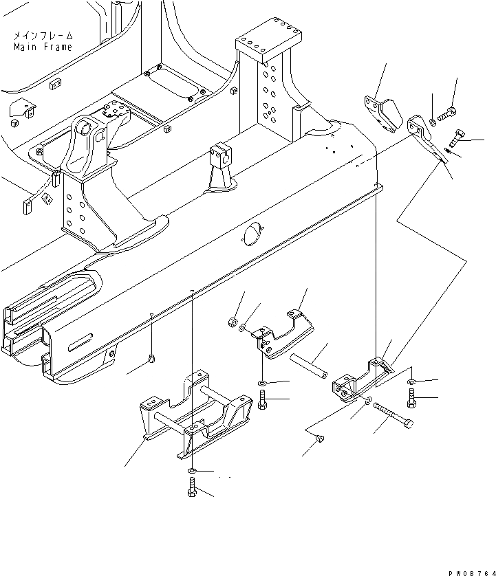
1
2
3
4
5
6
7
8
9
9
10
10
11
12
13
14
14
15
16
17
18
19
FIT
1:1
100%

Артикул

Название

Примечание

Количество

1

12G-21-52151

BRACKET

SN: B30001-UP

2шт.

2

01010-81635

BOLT

SN: B30001-UP

4шт.

3

01643-31645

WASHER

SN: B30001-UP

4шт.

4

12G-21-52161

BRACKET

SN: B30001-UP

2шт.

5

01010-81635

BOLT

SN: B30001-UP

4шт.

6

01643-31645

WASHER

SN: B30001-UP

4шт.

7

12G-21-51182

GUARD

SN: B30001-UP

2шт.

8

12G-21-51192

GUARD

SN: B30001-UP

2шт.

9

01010-81645

BOLT

SN: B30001-UP

16шт.

10

01643-31645

WASHER

SN: B30001-UP

16шт.

11

12G-30-51531

COLLAR

SN: B30001-UP

2шт.

12

09205-26270

BOLT

SN: B30001-UP

2шт.

13

01580-11613

NUT

SN: B30001-UP

2шт.

14

01643-31645

WASHER

SN: B30001-UP

4шт.

15

07049-01215

PLUG

SN: B30001-UP

16шт.

16

07049-01620

PLUG

SN: B30001-UP

6шт.

17

12G-30-52611

GUARD

SN: B30001-UP

2шт.

18

01010-81635

BOLT

SN: B30001-UP

8шт.

19

01643-31645

WASHER

SN: B30001-UP

8шт.

Выбрано товаров: 19