Запчасти Komatsu D41E-6 ОСНОВН. КОНСТРУКЦИЯ (РУЛЕВ. УПРАВЛЕНИЕ УПРАВЛ-Е) (/) КАБИНА ОПЕРАТОРА И СИСТЕМА УПРАВЛЕНИЯ

Схема запчастей Komatsu D41E-6 - ОСНОВН. КОНСТРУКЦИЯ (РУЛЕВ. УПРАВЛЕНИЕ УПРАВЛ-Е) (/) КАБИНА ОПЕРАТОРА И СИСТЕМА УПРАВЛЕНИЯ
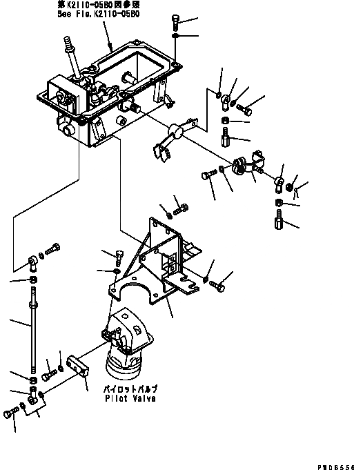
1
2
22
20
22
21
27
26
23
24
25
27
26
3
5
4
12
13
10
11
19
17
18
14
15
16
13
12
7
6
9
8
FIT
1:1
100%

Артикул

Название

Примечание

Количество

1

01010-81025

BOLT

SN: B40001-UP

6шт.

2

01643-31032

WASHER

SN: B40001-UP

6шт.

3

124-43-61270

LEVER

SN: B40001-UP

1шт.

4

01010-80830

BOLT

SN: B40001-UP

1шт.

5

01643-30823

WASHER

SN: B40001-UP

1шт.

6

124-43-61151

BRACKET

SN: B40001-UP

1шт.

7

124-43-51480

LEVER

SN: B40001-UP

1шт.

8

01010-80835

BOLT

SN: B40001-UP

2шт.

9

01643-30823

WASHER

SN: B40001-UP

2шт.

10

01010-80830

BOLT

SN: B40001-UP

3шт.

11

01643-30823

WASHER

SN: B40001-UP

3шт.

12

01010-81025

BOLT

SN: B40001-UP

4шт.

13

01643-31032

WASHER

SN: B40001-UP

4шт.

14

04250-90847

END

SN: B40001-UP

1шт.

15

01010-80830

BOLT

SN: B40001-UP

1шт.

16

04254-10823

SPACER

SN: B40001-UP

2шт.

17

04248-30825

ROD

SN: B40001-UP

1шт.

18

01508-40805

NUT

SN: B40001-UP

1шт.

19

01580-10806

NUT

SN: B40001-UP

1шт.

20

04250-91056

END

SN: B40001-UP

1шт.

21

01010-81035

BOLT

SN: B40001-UP

1шт.

22

01643-31032

WASHER

SN: B40001-UP

2шт.

23

04250-91056

END

SN: B40001-UP

1шт.

24

01593-11008

NUT

SN: B40001-UP

1шт.

25

04050-12018

PIN

SN: B40001-UP

1шт.

26

14Z-43-11170

JOINT

SN: B40001-UP

2шт.

27

01508-41006

NUT

SN: B40001-UP

2шт.

Выбрано товаров: 27