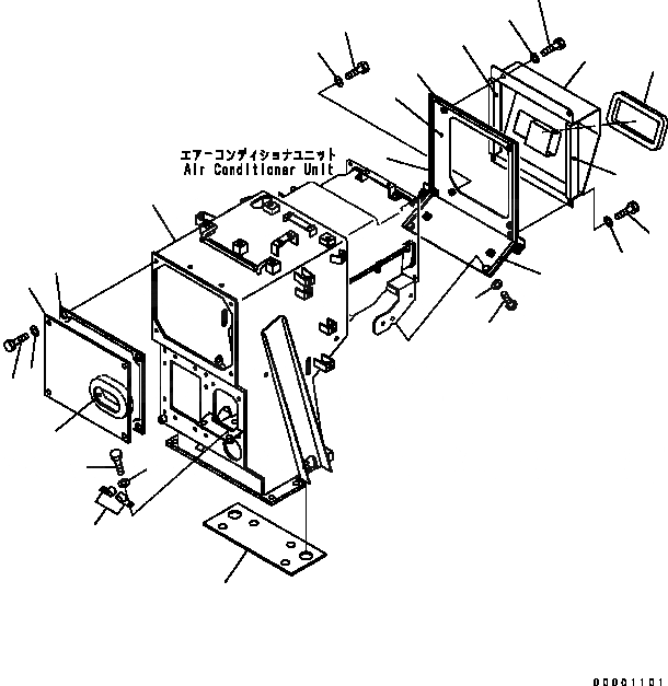
Запчасти Komatsu D41E-6 ПРИБОРНАЯ ПАНЕЛЬ (КАБИНА) (С КОНДИЦИОНЕРОМ) (КОНДИЦ. ВОЗДУХА КОРПУС) КАБИНА ОПЕРАТОРА И СИСТЕМА УПРАВЛЕНИЯ

Схема запчастей Komatsu D41E-6 - ПРИБОРНАЯ ПАНЕЛЬ (КАБИНА) (С КОНДИЦИОНЕРОМ) (КОНДИЦ. ВОЗДУХА КОРПУС) КАБИНА ОПЕРАТОРА И СИСТЕМА УПРАВЛЕНИЯ
15
2
17
16
5
6
7
3
4
1
13
14
9
22
21
20
19
18
12
11
9
8
10
20
12
11
FIT
1:1
100%

Артикул

Название

Примечание

Количество

1

14X-911-9111

BRACKET

SN: B40001-UP

1шт.

2

14X-911-9360

SHEET

SN: B40001-UP

1шт.

3

14X-911-8243

PLATE

SN: B40001-UP

1шт.

4

14X-911-8820

SHEET

SN: B40001-UP

1шт.

5

14X-911-8950

SHEET

SN: B40001-UP

1шт.

6

01010-80816

BOLT

SN: B40001-UP

4шт.

7

01643-30823

WASHER

SN: B40001-UP

4шт.

8

14X-911-9121

PLATE

SN: B40001-UP

1шт.

9

14X-911-9141

SHEET

SN: B40001-UP

2шт.

10

14X-911-8830

SHEET

SN: B40001-UP

1шт.

11

01010-80825

BOLT

SN: B40001-UP

4шт.

12

01643-30823

WASHER

SN: B40001-UP

4шт.

13

01245-00816

SCREW

SN: B40001-UP

2шт.

14

01643-70823

WASHER

SN: B40001-UP

2шт.

15

04434-51610

CLIP

SN: B40001-UP

2шт.

16

01010-81020

BOLT

SN: B40001-UP

2шт.

17

01643-31032

WASHER

SN: B40001-UP

2шт.

18

14X-911-9370

COVER

SN: B40001-UP

1шт.

19

17A-Z11-7630

COVER

SN: B40001-UP

1шт.

20

17A-Z11-7670

COVER

SN: B40001-UP

2шт.

21

01010-80816

BOLT

SN: B40001-UP

2шт.

22

01643-30823

WASHER

SN: B40001-UP

2шт.

Выбрано товаров: 22