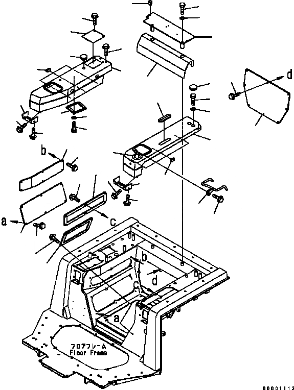
Запчасти Komatsu D41E-6 ПОДЛОКОТНИК КРЫШКА(НИЖН.) (БЕЗ КАБИНЫ) (С ОГНЕТУШИТЕЛЬ) КАБИНА ОПЕРАТОРА И СИСТЕМА УПРАВЛЕНИЯ

Схема запчастей Komatsu D41E-6 - ПОДЛОКОТНИК КРЫШКА(НИЖН.) (БЕЗ КАБИНЫ) (С ОГНЕТУШИТЕЛЬ) КАБИНА ОПЕРАТОРА И СИСТЕМА УПРАВЛЕНИЯ
28
27
21
1
4
3
5
26
19
18
17
20
11
9
16
6
2
7
8
8
22
29
26
23
31
32
30
13
26
24
26
25
26
13
12
10
33
14
15
FIT
1:1
100%

Артикул

Название

Примечание

Количество

1

134-54-68121

COVER

SN: B40001-UP

1шт.

2

17A-54-16881

SHEET

SN: B40001-UP

1шт.

3

01010-81020

BOLT

SN: B40001-UP

2шт.

4

01643-31032

WASHER

SN: B40001-UP

2шт.

5

09415-02512

CAP

SN: B40001-UP

2шт.

6

134-54-68161

GROMMET

SN: B40001-UP

1шт.

7

14X-54-16442

COVER

SN: B40001-UP

1шт.

8

01439-00814

BOLT

SN: B40001-UP

4шт.

9

124-54-68330

COVER

SN: B40001-UP

1шт.

10

17A-54-16881

SHEET

SN: B40001-UP

1шт.

11

01439-00825

BOLT

SN: B40001-UP

2шт.

12

14X-54-16452

COVER

SN: B40001-UP

1шт.

13

01439-00814

BOLT

SN: B40001-UP

4шт.

14

17A-54-25650

COVER

SN: B40001-UP

1шт.

|14

17A-54-25660

COVER

SN: B40001-UP

1шт.

15

01439-00825

BOLT

SN: B40001-UP

2шт.

16

124-54-66480

COVER

SN: B40001-UP

1шт.

17

01011-81005

BOLT

SN: B40001-UP

2шт.

18

01643-31032

WASHER

SN: B40001-UP

2шт.

19

14X-A62-1690

BRACKET

SN: B40001-UP

2шт.

20

07049-00608

PLUG

SN: B40001-UP

8шт.

21

124-54-64620

COVER

SN: B40001-UP

1шт.

|21

14X-54-26390

SEAL

SN: B40001-UP

1шт.

22

134-54-65121

COVER

SN: B40001-UP

1шт.

|22

134-54-65140

COVER

SN: B40001-UP

1шт.

23

14X-54-16143

COVER

SN: B40001-UP

1шт.

|23

14X-54-16183

SEAL

SN: B40001-UP

1шт.

24

14X-54-16153

COVER

SN: B40001-UP

1шт.

|24

14X-54-16193

SEAL

SN: B40001-UP

1шт.

25

14X-54-26410

COVER

SN: B40001-UP

1шт.

|25

14X-54-26380

SEAL

SN: B40001-UP

1шт.

26

01439-00820

BOLT

SN: B40001-UP

32шт.

27

134-54-66211

HANDLE

SN: B40001-UP

1шт.

28

01439-01025

BOLT

SN: B40001-UP

2шт.

29

14X-54-16660

GROMMET

SN: B40001-UP

1шт.

30

14X-43-14141

COVER

SN: B40001-UP

1шт.

|30

14X-54-16270

SEAL

SN: B40001-UP

1шт.

31

01010-80825

BOLT

SN: B40001-UP

4шт.

32

01643-30823

WASHER

SN: B40001-UP

4шт.

33

09415-01610

CAP

SN: B40001-UP

1шт.

Выбрано товаров: 40