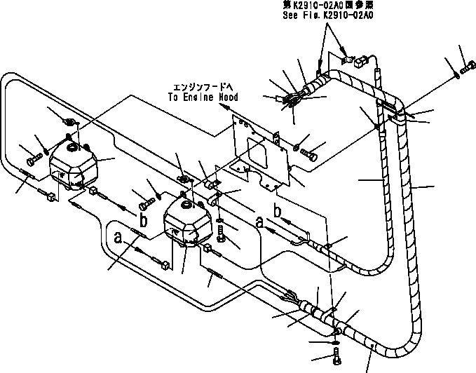
Запчасти Komatsu D41E-6 ОМЫВАТЕЛЬ СТЕКЛА БАК КАБИНА ОПЕРАТОРА И СИСТЕМА УПРАВЛЕНИЯ

Схема запчастей Komatsu D41E-6 - ОМЫВАТЕЛЬ СТЕКЛА БАК КАБИНА ОПЕРАТОРА И СИСТЕМА УПРАВЛЕНИЯ
3
4
2
1
13
3
4
14
1
15
26
27
2
25
24
17
16
19
23
22
18
16
20
21
5
6
11
7
30
10
9
16
15
14
12
12
12
29
28
13
8
FIT
1:1
100%

Артикул

Название

Примечание

Количество

1

14X-911-1161

TANK

SN: B40001-UP

2шт.

2

421-07-21570

CAP

SN: B40001-UP

1шт.

3

01010-80616

BOLT

SN: B40001-UP

4шт.

4

01643-30623

WASHER

SN: B40001-UP

4шт.

5

124-Z11-1841

BRACKET

SN: B40001-UP

1шт.

6

124-06-64212

WIRING HARNESS

SN: B41393-UP

1шт.

|6

124-06-64211

WIRING HARNESS

SN: B41188-B41392

1шт.

|6

124-06-64210

WIRING HARNESS

SN: B40001-B41187

1шт.

7

04434-51910

CLIP

SN: B40001-UP

1шт.

8

04434-51010

CLIP

SN: B40001-UP

1шт.

9

01010-81016

BOLT

SN: B40001-UP

1шт.

10

01643-31032

WASHER

SN: B40001-UP

1шт.

11

124-Z11-1832

HOSE ASSEMBLY

SN: B41188-UP

1шт.

|12

124-Z11-1831

HOSE ASSEMBLY

SN: B40001-B41187

1шт.

12

22L-54-22990

VALVE

SN: B41188-UP

4шт.

|12

195-979-8590

VALVE

SN: B40001-B41187

4шт.

13

14X-911-1150

TUBE

SN: B40001-UP

2шт.

14

14X-911-1140

TUBE

SN: B40001-UP

2шт.

15

14X-911-1130

TUBE

SN: B40001-UP

2шт.

16

08024-91920

TAPE

SN: B40001-UP

2шт.

17

08024-21910

TAPE, WHITE

SN: B40001-UP

1шт.

18

08017-31503

CONDUIT

SN: B40001-UP

1шт.

19

08017-31502

CONDUIT

SN: B40001-UP

1шт.

20

04434-51910

CLIP

SN: B40001-UP

1шт.

21

04434-51010

CLIP

SN: B40001-UP

1шт.

22

01010-81020

BOLT

SN: B40001-UP

1шт.

23

01643-31032

WASHER

SN: B40001-UP

1шт.

24

04434-50610

CLIP

SN: B40001-UP

1шт.

25

04434-50810

CLIP

SN: B40001-UP

1шт.

26

01010-81016

BOLT

SN: B40001-UP

1шт.

27

01643-31032

WASHER

SN: B40001-UP

1шт.

28

01010-81225

BOLT

SN: B40001-UP

4шт.

29

01643-31232

WASHER

SN: B40001-UP

4шт.

30

08034-00519

BAND

SN: B40001-UP

1шт.

Выбрано товаров: 34