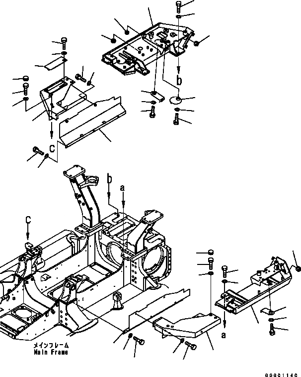
Запчасти Komatsu D41E-6 ЗАДН. ЧАСТИ КОРПУСА (КРЫЛО) ЧАСТИ КОРПУСА

Схема запчастей Komatsu D41E-6 - ЗАДН. ЧАСТИ КОРПУСА (КРЫЛО) ЧАСТИ КОРПУСА
32
31
33
23
25
24
31
32
30
35
36
34
18
19
17
20
22
21
15
29
28
16
26
27
12
14
13
10
9
8
1
3
4
2
10
9
11
6
7
5
FIT
1:1
100%

Артикул

Название

Примечание

Количество

1

124-54-63511

FENDER, L.H.

SN: B40001-UP

1шт.

2

124-54-53131

COVER

SN: B40001-UP

1шт.

3

01010-81225

BOLT

SN: B40001-UP

1шт.

4

01643-31232

WASHER

SN: B40001-UP

1шт.

5

09415-05022

CAP

SN: B40001-UP

1шт.

6

01010-82050

BOLT

SN: B40001-UP

4шт.

7

01643-32060

WASHER

SN: B40001-UP

4шт.

8

124-54-63541

STEP, L.H.

SN: B40001-UP

1шт.

9

01010-81225

BOLT

SN: B40001-UP

6шт.

10

01643-31232

WASHER

SN: B40001-UP

6шт.

11

09415-02512

CAP

SN: B40001-UP

4шт.

12

124-54-53223

COVER

SN: B40001-UP

1шт.

13

01010-81220

BOLT

SN: B40001-UP

3шт.

14

01643-31232

WASHER

SN: B40001-UP

3шт.

15

09415-05022

CAP

SN: B40001-UP

1шт.

16

124-54-63522

FENDER, R.H.

SN: B40021-UP

1шт.

|16

124-54-63521

FENDER, R.H.

SN: B40001-B40020

1шт.

17

124-54-53131

COVER

SN: B40001-UP

1шт.

18

01010-81225

BOLT

SN: B40001-UP

1шт.

19

01643-31232

WASHER

SN: B40001-UP

1шт.

20

14X-54-13160

COVER

SN: B40001-UP

1шт.

21

01010-81225

BOLT

SN: B40001-UP

1шт.

22

01643-31232

WASHER

SN: B40001-UP

1шт.

23

14X-54-23130

COVER

SN: B40001-UP

1шт.

24

01010-81225

BOLT

SN: B40001-UP

1шт.

25

01643-31232

WASHER

SN: B40001-UP

1шт.

26

09415-03614

CAP

SN: B40001-UP

2шт.

27

09415-05016

CAP

SN: B40001-UP

1шт.

28

01010-82050

BOLT

SN: B40001-UP

4шт.

29

01643-32060

WASHER

SN: B40001-UP

4шт.

30

124-54-63551

STEP, R.H.

SN: B40001-UP

1шт.

31

01010-81225

BOLT

SN: B40001-UP

6шт.

32

01643-31232

WASHER

SN: B40001-UP

6шт.

33

09415-02512

CAP

SN: B40001-UP

4шт.

34

124-54-53233

COVER, R.H.

SN: B40001-UP

1шт.

35

01010-81220

BOLT

SN: B40001-UP

3шт.

36

01643-31232

WASHER

SN: B40001-UP

3шт.

Выбрано товаров: 37