Запчасти Komatsu D41E-6 ТРАНСМИССИЯ (КОРПУС) СИЛОВАЯ ПЕРЕДАЧА И КОНЕЧНАЯ ПЕРЕДАЧА

Схема запчастей Komatsu D41E-6 - ТРАНСМИССИЯ (КОРПУС) СИЛОВАЯ ПЕРЕДАЧА И КОНЕЧНАЯ ПЕРЕДАЧА
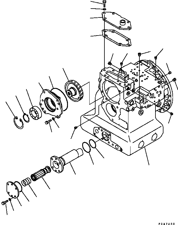
15
14
13
11
16
12
17
18
2
24
23
19
20
25
26
22
23
21
1
6
5
3
3
4
3
5
8
7
10
9
FIT
1:1
100%

Артикул

Название

Примечание

Количество

|1

124-15-51010

TRANSMISSION ASSEMBLY

SN: B40001-UP

1шт.

|$2

THIS ASSEMBLY CONSISTS OF ALL PARTS SHOWN IN FIGS.F2320-01A0 TO F2320-13A0.

-1шт.

|1

124-15-01070

CASE ASSEMBLY

SN: B40001-UP

1шт.

1

0

CASE

SN: B40001-UP

1шт.

2

07043-00108

PLUG

SN: B40001-UP

1шт.

3

07043-70108

PLUG

SN: B40001-UP

7шт.

4

07043-00211

PLUG

SN: B40001-UP

2шт.

5

07043-00312

PLUG

SN: B40001-UP

2шт.

6

125-15-22780

PLUG

SN: B40001-UP

1шт.

7

124-15-51811

PLATE

SN: B40001-UP

1шт.

8

124-15-51820

GASKET (K1)

SN: B40001-UP

1шт.

9

01010-81235

BOLT

SN: B40001-UP

6шт.

10

01643-31232

WASHER

SN: B40001-UP

6шт.

11

124-15-52840

COVER

SN: B40001-UP

1шт.

12

124-15-52820

GEAR, 69 TEETH

SN: B40001-UP

1шт.

13

06030-05210

BEARING

SN: B40001-UP

1шт.

14

04064-05020

RING

SN: B40001-UP

1шт.

15

04065-09030

RING

SN: B40001-UP

1шт.

16

07000-75165

O-RING (K1)

SN: B40001-UP

1шт.

17

01010-81235

BOLT

SN: B40001-UP

5шт.

18

01643-31232

WASHER

SN: B40001-UP

5шт.

19

124-15-51711

CASE

SN: B40001-UP

1шт.

20

124-15-51740

MAGNET ASSEMBLY

SN: B40001-UP

1шт.

21

124-15-51720

SPRING, (L= 50.0)

SN: B40001-UP

1шт.

22

124-15-51731

PLATE

SN: B40001-UP

1шт.

23

07000-72070

O-RING (K1)

SN: B40001-UP

2шт.

24

07000-72060

O-RING (K1)

SN: B40001-UP

1шт.

25

01010-81245

BOLT

SN: B40001-UP

4шт.

26

01643-31232

WASHER

SN: B40001-UP

4шт.

Выбрано товаров: 0