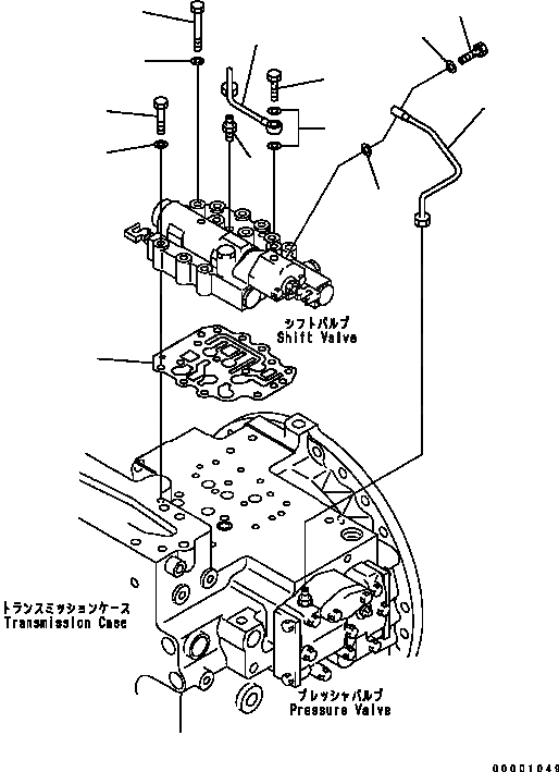
Запчасти Komatsu D41E-6 ТРАНСМИССИЯ (SHIFT КЛАПАН КРЕПЛЕНИЕ И КЛАПАН ТРУБЫ) СИЛОВАЯ ПЕРЕДАЧА И КОНЕЧНАЯ ПЕРЕДАЧА

Схема запчастей Komatsu D41E-6 - ТРАНСМИССИЯ (SHIFT КЛАПАН КРЕПЛЕНИЕ И КЛАПАН ТРУБЫ) СИЛОВАЯ ПЕРЕДАЧА И КОНЕЧНАЯ ПЕРЕДАЧА
10
7
6
9
8
1
4
5
3
5
2
5
4
FIT
1:1
100%

Артикул

Название

Примечание

Количество

|1

124-15-51010

TRANSMISSION ASSEMBLY

SN: B40001-UP

1шт.

|$2

THIS ASSEMBLY CONSISTS OF ALL PARTS SHOWN IN FIGS.F2320-01A0 TO F2320-13A0.

-1шт.

1

124-15-55610

TUBE

SN: B40001-UP

1шт.

2

124-15-55620

TUBE

SN: B40001-UP

1шт.

3

07213-50710

CONNECTOR

SN: B40001-UP

1шт.

4

07206-30710

BOLT

SN: B40001-UP

2шт.

5

07005-01012

GASKET (K2)

SN: B40001-UP

4шт.

6

01010-80850

BOLT

SN: B40001-UP

8шт.

7

01643-30823

WASHER

SN: B40001-UP

8шт.

8

01010-80875

BOLT

SN: B40001-UP

4шт.

9

01643-30823

WASHER

SN: B40001-UP

4шт.

10

124-15-55920

GASKET (K2)

SN: B40001-UP

1шт.

Выбрано товаров: 12