Запчасти Komatsu D41E-6 ТРАНСМИССИЯ (ФИЛЬТР. И ТРУБЫ) СИЛОВАЯ ПЕРЕДАЧА И КОНЕЧНАЯ ПЕРЕДАЧА

Схема запчастей Komatsu D41E-6 - ТРАНСМИССИЯ (ФИЛЬТР. И ТРУБЫ) СИЛОВАЯ ПЕРЕДАЧА И КОНЕЧНАЯ ПЕРЕДАЧА
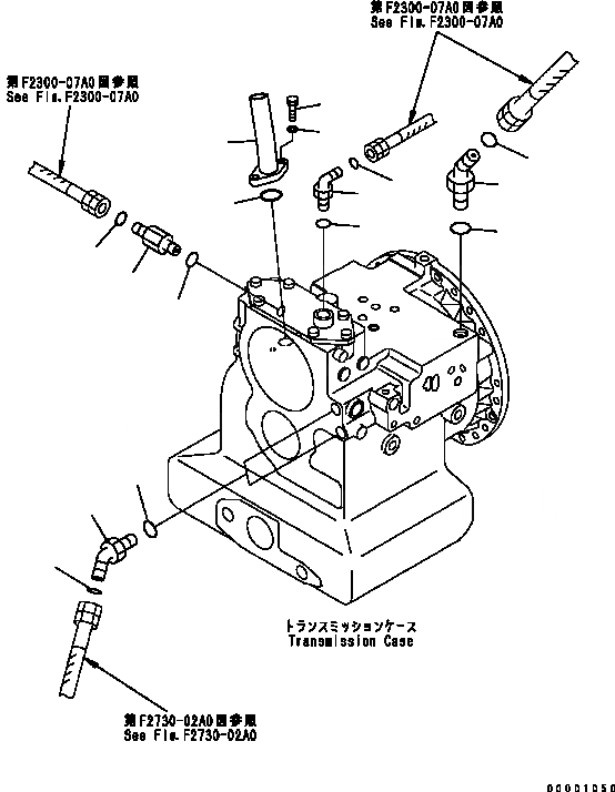
12
11
13
4
1
3
2
9
10
8
7
5
6
15
14
16
FIT
1:1
100%

Артикул

Название

Примечание

Количество

|1

124-15-51010

TRANSMISSION ASSEMBLY

SN: B40001-UP

1шт.

|$2

THIS ASSEMBLY CONSISTS OF ALL PARTS SHOWN IN FIGS.F2320-01A0 TO F2320-13A0.

-1шт.

1

124-49-51192

FILLER

SN: B40001-UP

1шт.

2

01010-81030

BOLT

SN: B40001-UP

2шт.

3

01643-31032

WASHER

SN: B40001-UP

2шт.

4

07000-73035

O-RING (K1)

SN: B40001-UP

1шт.

5

02783-10522

ELBOW

SN: B40001-UP

1шт.

6

02896-11015

O-RING

SN: B40001-UP

1шт.

7

07002-32434

O-RING (K1)

SN: B40001-UP

1шт.

8

02782-10315

ELBOW

SN: B40001-UP

1шт.

9

02896-11009

O-RING

SN: B40001-UP

1шт.

10

07002-32034

O-RING (K1)

SN: B40001-UP

1шт.

11

21W-62-42470

NIPPLE

SN: B40001-UP

1шт.

12

02896-11012

O-RING

SN: B40001-UP

1шт.

13

07002-32034

O-RING (K1)

SN: B40001-UP

1шт.

14

02783-10422

ELBOW

SN: B40001-UP

2шт.

15

02896-11012

O-RING

SN: B40001-UP

2шт.

16

07002-32034

O-RING (K1)

SN: B40001-UP

2шт.

Выбрано товаров: 0