Запчасти Komatsu D41E-6K ЗАЩИТА КАТКОВ (ДЛЯ TОБОД КОЛЕСАMING DOZER) ХОДОВАЯ

Схема запчастей Komatsu D41E-6K - ЗАЩИТА КАТКОВ (ДЛЯ TОБОД КОЛЕСАMING DOZER) ХОДОВАЯ
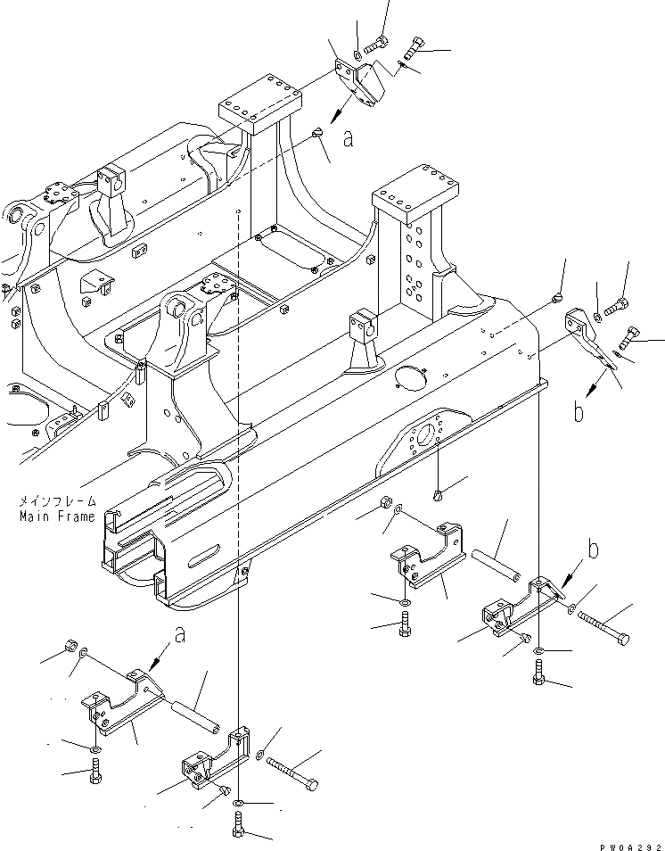
1
1
2
2
3
3
4
4
5
5
6
6
7
8
9
9
9
9
10
10
10
10
11
11
12
12
13
13
14
14
14
14
15
15
16
16
16
FIT
1:1
100%

Артикул

Название

Примечание

Количество

1

126-21-51310

BRACKET

SN: 50001-UP

2шт.

2

01010-81635

BOLT

SN: 50001-UP

4шт.

3

01643-31645

WASHER

SN: 50001-UP

4шт.

4

126-21-51320

BRACKET

SN: 50001-UP

2шт.

5

01010-81635

BOLT

SN: 50001-UP

4шт.

6

01643-31645

WASHER

SN: 50001-UP

4шт.

7

12G-21-51182

GUARD

SN: 50075-UP

1шт.

7

12G-21-51181

GUARD

SN: 50001-50074

1шт.

8

12G-21-51192

GUARD

SN: 50075-UP

1шт.

8

12G-21-51191

GUARD

SN: 50001-50074

1шт.

9

01010-81645

BOLT

SN: 50001-UP

8шт.

10

01643-31645

WASHER

SN: 50001-UP

8шт.

11

12G-30-51531

COLLAR

SN: 50001-UP

4шт.

12

09205-26270

BOLT

SN: 50001-UP

4шт.

13

01580-11613

NUT

SN: 50001-UP

4шт.

14

01643-31645

WASHER

SN: 50001-UP

8шт.

15

07049-01215

PLUG

SN: 50001-UP

8шт.

16

07049-01620

PLUG

SN: 50001-UP

16шт.

Выбрано товаров: 18