Запчасти Komatsu D41E-BB-6C ЗАДН. ЧАСТИ КОРПУСА (КРЫЛО) (REGULATION OF ЕС DYNAMIC NOISE) ЧАСТИ КОРПУСА

Схема запчастей Komatsu D41E-BB-6C - ЗАДН. ЧАСТИ КОРПУСА (КРЫЛО) (REGULATION OF ЕС DYNAMIC NOISE) ЧАСТИ КОРПУСА
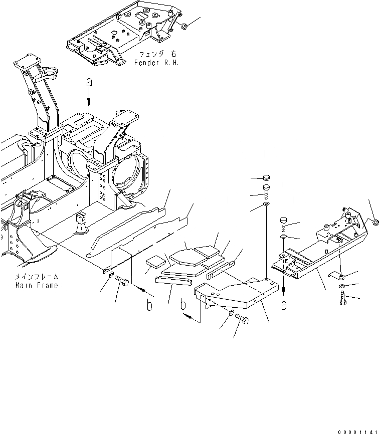
1
2
3
4
5
6
7
8
9
10
11
12
13
14
15
16
16
17
17
18
19
20
21
22
23
FIT
1:1
100%

Артикул

Название

Примечание

Количество

1

124-54-63511

FENDER,L.H.

SN: B40001-UP

1шт.

2

124-54-53131

COVER

SN: B40001-UP

1шт.

3

01010-81225

BOLT

SN: B40001-UP

1шт.

4

01643-31232

WASHER

SN: B40001-UP

1шт.

5

09415-05022

CAP

SN: B40001-UP

1шт.

6

01010-82050

BOLT

SN: B40001-UP

4шт.

7

01643-32060

WASHER

SN: B40001-UP

4шт.

|8

124-C62-4540

STEP,L.H.

SN: B40001-UP

1шт.

8

124-54-63541

STEP,L.H.

SN: B40001-UP

1шт.

9

124-A62-3750

ABSORBER

SN: B40001-UP

1шт.

10

124-A62-3760

ABSORBER

SN: B40001-UP

1шт.

11

124-A62-3770

ABSORBER

SN: B40001-UP

1шт.

12

124-A62-3780

ABSORBER

SN: B40001-UP

1шт.

13

124-C62-4790

ABSORBER

SN: B40001-UP

1шт.

14

124-A62-3810

ABSORBER

SN: B40001-UP

1шт.

15

124-C62-4830

ABSORBER

SN: B40001-UP

1шт.

16

01010-81225

BOLT

SN: B40001-UP

6шт.

17

01643-31232

WASHER

SN: B40001-UP

6шт.

18

09415-02512

CAP

SN: B40001-UP

4шт.

19

124-A62-3520

COVER

SN: B40001-UP

1шт.

20

124-A62-3730

ABSORBER

SN: B40001-UP

1шт.

21

01010-81220

BOLT

SN: B40001-UP

3шт.

22

01643-31232

WASHER

SN: B40001-UP

3шт.

23

09415-05022

CAP

SN: B40001-UP

1шт.

Выбрано товаров: 24