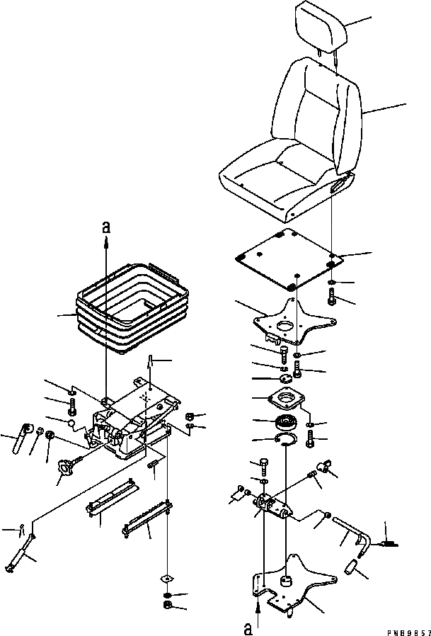
Запчасти Komatsu D41E6T OPERATORґS СИДЕНЬЕ (TURN И С ОТКИДН. СПИНКОЙ ТИП) (ТКАНЕВОЕ СИДЕНЬЕ) (C ПОДГОЛОВНИКОМ) OPERATORґS ОБСТАНОВКА И СИСТЕМА УПРАВЛЕНИЯ

Схема запчастей Komatsu D41E6T - OPERATORґS СИДЕНЬЕ (TURN И С ОТКИДН. СПИНКОЙ ТИП) (ТКАНЕВОЕ СИДЕНЬЕ) (C ПОДГОЛОВНИКОМ) OPERATORґS ОБСТАНОВКА И СИСТЕМА УПРАВЛЕНИЯ
42
1
2
39
38
23
22
12
11
3
10
4
5
6
20
21
16
13
16
15
18
14
17
8
7
26
27
32
19
9
40
41
28
33
29
24
25
31
26
27
30
34
35
36
37
FIT
1:1
100%

Артикул

Название

Примечание

Количество

|$1

195-57-45501

SEAT ASS'Y

SN: B35001-UP

1шт.

1

195-57-43510

SEAT A. {FABRIC}

SN: B35001-UP

1шт.

2

195-57-41720

BRACKET

SN: B35001-UP

1шт.

|$4

195-57-11100

TURNING ASS'Y

SN: B35001-UP

1шт.

3

195-57-11740

PLATE

SN: B35001-UP

1шт.

4

195-57-11760

CAGE

SN: B35001-UP

1шт.

5

06004-06210

BEARING

SN: B35001-UP

1шт.

6

04065-09030

RING

SN: B35001-UP

1шт.

7

01010-81025

BOLT

SN: B35001-UP

4шт.

8

01602-21030

WASHER

SN: B35001-UP

4шт.

9

195-57-11750

PLATE

SN: B35001-UP

1шт.

10

04080-04508

HOLDER

SN: B35001-UP

1шт.

11

01010-81025

BOLT

SN: B35001-UP

2шт.

12

01602-21030

WASHER

SN: B35001-UP

2шт.

13

195-57-11780

BRACKET

SN: B35001-UP

1шт.

14

195-57-11770

LEVER

SN: B35001-UP

1шт.

15

195-57-11790

LEVER

SN: B35001-UP

1шт.

16

09350-01615

BUSHING

SN: B35001-UP

3шт.

17

01322-40616

SCREW

SN: B35001-UP

1шт.

18

154-44-12460

SPRING

SN: B35001-UP

1шт.

19

09304-01240

KNOB

SN: B35001-UP

1шт.

20

01010-81025

BOLT

SN: B35001-UP

5шт.

21

01643-31032

WASHER

SN: B35001-UP

5шт.

22

01010-81030

BOLT

SN: B35001-UP

4шт.

23

01602-21030

WASHER

SN: B35001-UP

4шт.

|$26

195-57-21181

SUSPENSION ASS'Y

SN: B35001-UP

1шт.

24

155-57-12320

KNOB

SN: B35001-UP

1шт.

25

155-57-12330

DAMPER

SN: B35001-UP

1шт.

26

01580-11210

NUT

SN: B35001-UP

5шт.

27

01602-31236

WASHER

SN: B35001-UP

5шт.

28

195-57-21211

ADJUSTER

SN: B35001-UP

1шт.

29

195-57-21221

ADJUSTER

SN: B35001-UP

1шт.

30

195-57-21190

LEVER

SN: B35001-UP

1шт.

31

04050-13015

PIN

SN: B35001-UP

2шт.

32

04050-14025

PIN

SN: B35001-UP

2шт.

33

04025-00432

PIN

SN: B35001-UP

7шт.

34

09304-00835

KNOB

SN: B35001-UP

1шт.

35

01010-81020

BOLT

SN: B35001-UP

4шт.

36

01602-21030

WASHER

SN: B35001-UP

4шт.

37

195-57-41760

COVER

SN: B35001-UP

1шт.

38

01010-80630

BOLT

SN: B35001-UP

4шт.

39

01643-30623

WASHER

SN: B35001-UP

4шт.

40

01580-11210

NUT

SN: B35001-UP

4шт.

41

01643-31232

WASHER

SN: B35001-UP

4шт.

42

17A-57-21170

HEAD REST

SN: B35001-UP

1шт.

Выбрано товаров: 45