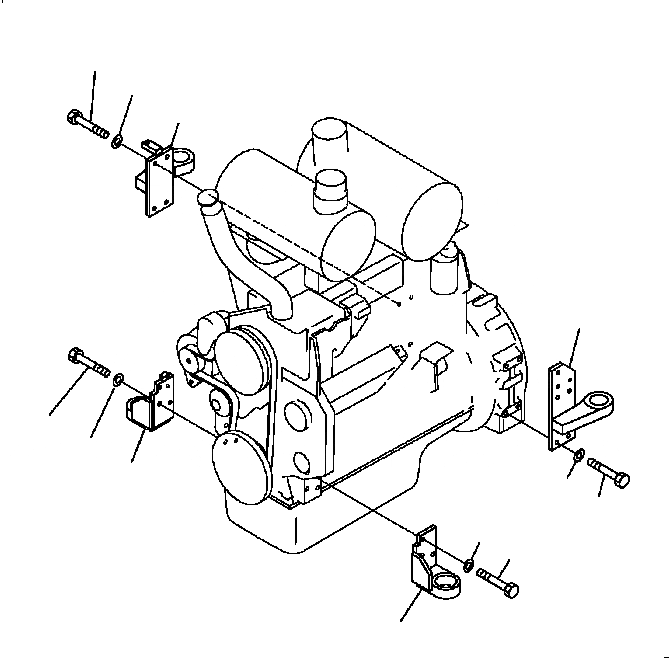
Запчасти Komatsu D41E6T КОРПУС КРЕПЛЕНИЯ КОМПОНЕНТЫ ДВИГАТЕЛЯ

Схема запчастей Komatsu D41E6T - КОРПУС КРЕПЛЕНИЯ КОМПОНЕНТЫ ДВИГАТЕЛЯ
7
8
6
5
3
4
2
8
7
4
3
1
FIT
1:1
100%

Артикул

Название

Примечание

Количество

1

124-01-51412

BRACKET

SN: B35001-UP

1шт.

2

124-01-62420

BRACKET

SN: B35001-UP

1шт.

3

01011-81240

BOLT

SN: B35001-UP

6шт.

4

01643-31232

WASHER

SN: B35001-UP

6шт.

5

124-01-51431

BRACKET

SN: B35001-UP

1шт.

6

124-01-51442

BRACKET

SN: B35001-UP

1шт.

7

01011-81240

BOLT

SN: B35001-UP

8шт.

8

01643-31232

WASHER

SN: B35001-UP

8шт.

Выбрано товаров: 8