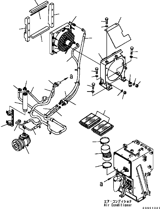
Запчасти Komatsu D41E6T КОНДИЦ. ВОЗДУХА (КОНДЕНСАТОР И КОМПРЕССОР) OPERATORґS ОБСТАНОВКА И СИСТЕМА УПРАВЛЕНИЯ

Схема запчастей Komatsu D41E6T - КОНДИЦ. ВОЗДУХА (КОНДЕНСАТОР И КОМПРЕССОР) OPERATORґS ОБСТАНОВКА И СИСТЕМА УПРАВЛЕНИЯ
20
23
22
21
1
24
24
29
28
27
4
4
18
19
25
26
7
25
26
13
19
17
19
17
4
6
5
3
2
9
9
10
5
11
8
3
2
12
15
14
15
FIT
1:1
100%

Артикул

Название

Примечание

Количество

1

144-Y11-1851

CONDENSER ASS'Y

SN: B35001-UP

1шт.

2

124-Z11-1371

HOSE ASS'Y

SN: B35001-UP

1шт.

|$3

20Y-979-3130

O-RING

SN: B35001-UP

2шт.

3

124-Z11-1271

HOSE ASS'Y

SN: B35001-UP

1шт.

|$5

20Y-979-3140

O-RING

SN: B35001-UP

1шт.

|$6

08017-31917

CONDUIT

SN: B35001-UP

1шт.

4

124-Z11-2310

HOSE ASS'Y

SN: B35001-UP

1шт.

|$8

20Y-979-3140

O-RING

SN: B35001-UP

1шт.

|$9

08017-31912

CONDUIT

SN: B35001-UP

1шт.

5

124-Z11-1620

HOSE ASS'Y

SN: B35001-UP

1шт.

|$11

20Y-979-3130

O-RING

SN: B35001-UP

2шт.

|$12

08017-31505

CONDUIT

SN: B35001-UP

1шт.

6

124-Z11-1950

HOSE ASS'Y

SN: B35001-UP

1шт.

|$14

20Y-979-3150

O-RING

SN: B35001-UP

2шт.

7

205-979-6460

RELAY ASS'Y

SN: B35001-UP

1шт.

8

120-X11-1510

HOLDER

SN: B35001-UP

1шт.

9

124-Z11-1850

HOSE ASS'Y

SN: B35001-UP

1шт.

|$18

20Y-979-3150

O-RING

SN: B35001-UP

2шт.

|$19

08017-31505

CONDUIT

SN: B35001-UP

1шт.

10

17A-911-1671

JOINT

SN: B35001-UP

1шт.

|$21

20Y-979-3150

O-RING

SN: B35001-UP

1шт.

11

20Y-979-3120

TANK

SN: B35001-UP

1шт.

12

42C-07-11210

COMPRESSOR

SN: B35001-UP

1шт.

|$24

14X-911-7030

FILTER ASS'Y

SN: B35001-UP

1шт.

13

14X-911-7750

FILTER

SN: B35001-UP

2шт.

14

09485-01003

HOSE

SN: B35001-UP

1шт.

15

14X-911-7670

CLAMP

SN: B35001-UP

2шт.

16

124-Z11-1791

BRACKET

SN: B35001-UP

1шт.

17

01010-81225

BOLT

SN: B35001-UP

2шт.

18

01010-81250

BOLT

SN: B35001-UP

2шт.

19

01643-31232

WASHER

SN: B35001-UP

4шт.

20

124-Z11-1220

SHEET

SN: B35001-UP

1шт.

21

124-Z11-1230

SHEET

SN: B35001-UP

1шт.

22

124-Z11-1240

SHEET

SN: B35001-UP

1шт.

23

124-Z11-2210

SHEET

SN: B35001-UP

1шт.

24

124-911-1251

SHEET

SN: B35001-UP

1шт.

25

01580-10806

NUT

SN: B35001-UP

6шт.

26

01643-30823

WASHER

SN: B35001-UP

6шт.

27

124-911-1350

COVER

SN: B35001-UP

1шт.

28

01010-81220

BOLT

SN: B35001-UP

2шт.

29

01643-31232

WASHER

SN: B35001-UP

2шт.

Выбрано товаров: 41