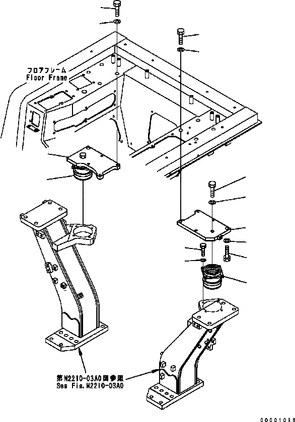
Запчасти Komatsu D41E6T ПОЛ SUSPENTION (VISCOUS КРЕПЛЕНИЕ) OPERATORґS ОБСТАНОВКА И СИСТЕМА УПРАВЛЕНИЯ

Схема запчастей Komatsu D41E6T - ПОЛ SUSPENTION (VISCOUS КРЕПЛЕНИЕ) OPERATORґS ОБСТАНОВКА И СИСТЕМА УПРАВЛЕНИЯ
8
9
8
9
5
6
1
7
4
11
2
10
3
1
FIT
1:1
100%

Артикул

Название

Примечание

Количество

1

14X-54-29310

VISCOUS MOUNT

SN: B35001-UP

2шт.

2

01010-81025

BOLT

SN: B35001-UP

8шт.

3

01643-31032

WASHER

SN: B35001-UP

8шт.

4

124-54-63431

PLATE

SN: B35325-UP

1шт.

|$4

124-54-63430

PLATE

SN: B35001-B35324

1шт.

5

124-54-63440

PLATE

SN: B35001-UP

1шт.

6

01010-81850

BOLT

SN: B35001-UP

2шт.

7

01643-31845

WASHER

SN: B35001-UP

2шт.

8

01010-81675

BOLT

SN: B35001-UP

8шт.

9

01643-31645

WASHER

SN: B35001-UP

8шт.

10

01010-81645

BOLT

SN: B35001-UP

2шт.

11

01643-31645

WASHER

SN: B35001-UP

2шт.

Выбрано товаров: 12