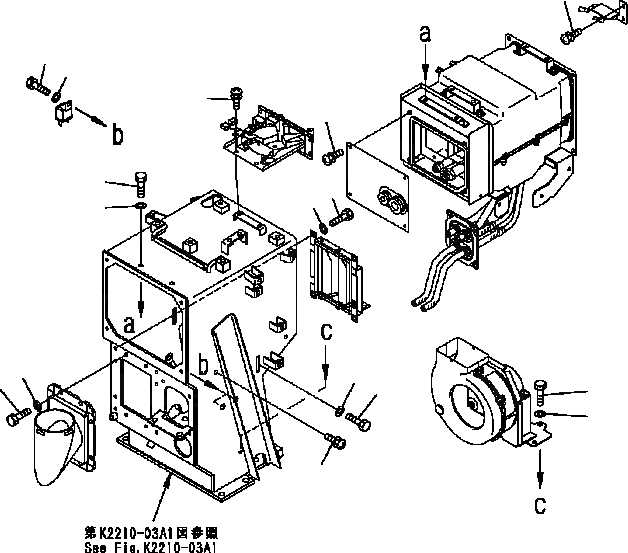
Запчасти Komatsu D41E6T ПРИБОРНАЯ ПАНЕЛЬ (КАБИНА) (С ВОЗД.-CONDITIONER) (ВОЗД.-CONDITIONER КРЕПЛЕНИЕ) OPERATORґS ОБСТАНОВКА И СИСТЕМА УПРАВЛЕНИЯ

Схема запчастей Komatsu D41E6T - ПРИБОРНАЯ ПАНЕЛЬ (КАБИНА) (С ВОЗД.-CONDITIONER) (ВОЗД.-CONDITIONER КРЕПЛЕНИЕ) OPERATORґS ОБСТАНОВКА И СИСТЕМА УПРАВЛЕНИЯ
1
3
8
7
2
2
3
3
1
3
5
4
6
3
1
8
FIT
1:1
100%

Артикул

Название

Примечание

Количество

1

01010-80816

BOLT

SN: B35001-UP

14шт.

2

01010-80820

BOLT

SN: B35001-UP

16шт.

3

01643-30823

WASHER

SN: B35001-UP

30шт.

4

01010-81020

BOLT

SN: B35001-UP

2шт.

5

01643-31032

WASHER

SN: B35001-UP

2шт.

6

01023-10510

SCREW

SN: B35001-UP

6шт.

7

01023-10608

SCREW

SN: B35001-UP

4шт.

8

01023-10612

SCREW

SN: B35001-UP

6шт.

Выбрано товаров: 8