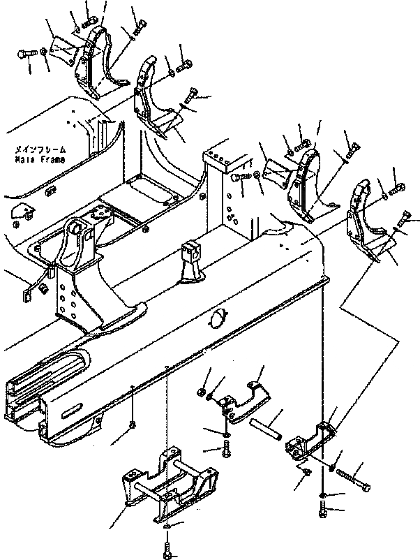
Запчасти Komatsu D41E6T ЗАЩИТА КАТКОВ (ДЛЯ HD СОЕДИНИТЕЛЬН. ЗВЕНО) НИЖН.CARRIAGE

Схема запчастей Komatsu D41E6T - ЗАЩИТА КАТКОВ (ДЛЯ HD СОЕДИНИТЕЛЬН. ЗВЕНО) НИЖН.CARRIAGE
11
13
8
13
11
12
15
14
12
17
16
13
14
9
11
13
12
15
14
10
11
12
17
16
14
7
4
20
21
18
1
6
21
23
5
19
3
22
2
26
24
25
FIT
1:1
100%

Артикул

Название

Примечание

Количество

1

12G-21-52151

BRACKET

SN: B35085-UP

2шт.

2

01010-81635

BOLT

SN: B35085-UP

4шт.

3

01643-31645

WASHER

SN: B35085-UP

4шт.

4

12G-21-52161

BRACKET

SN: B35085-UP

2шт.

5

01010-81635

BOLT

SN: B35085-UP

4шт.

6

01643-31645

WASHER

SN: B35085-UP

4шт.

7

12G-21-61310

GUARD

SN: B35085-UP

1шт.

8

12G-21-61320

GUARD

SN: B35085-UP

1шт.

9

12G-21-61330

GUARD

SN: B35085-UP

1шт.

10

12G-21-61340

GUARD

SN: B35085-UP

1шт.

11

01010-81665

BOLT

SN: B35085-UP

12шт.

12

01643-31645

WASHER

SN: B35085-UP

12шт.

13

01010-81645

BOLT

SN: B35085-UP

8шт.

14

01643-31645

WASHER

SN: B35085-UP

8шт.

15

12G-21-61350

PLATE

SN: B35085-UP

2шт.

16

01010-81240

BOLT

SN: B35085-UP

4шт.

17

01643-31232

WASHER

SN: B35085-UP

4шт.

18

12G-30-51531

COLLAR

SN: B35085-UP

2шт.

19

09205-26270

BOLT

SN: B35085-UP

2шт.

20

01580-11613

NUT

SN: B35085-UP

2шт.

21

01643-31645

WASHER

SN: B35085-UP

4шт.

22

07049-01215

PLUG

SN: B35085-UP

16шт.

23

07049-01620

PLUG

SN: B35085-UP

12шт.

24

12G-30-52611

GUARD

SN: B35085-UP

2шт.

25

01010-81635

BOLT

SN: B35085-UP

8шт.

26

01643-31645

WASHER

SN: B35085-UP

8шт.

Выбрано товаров: 26