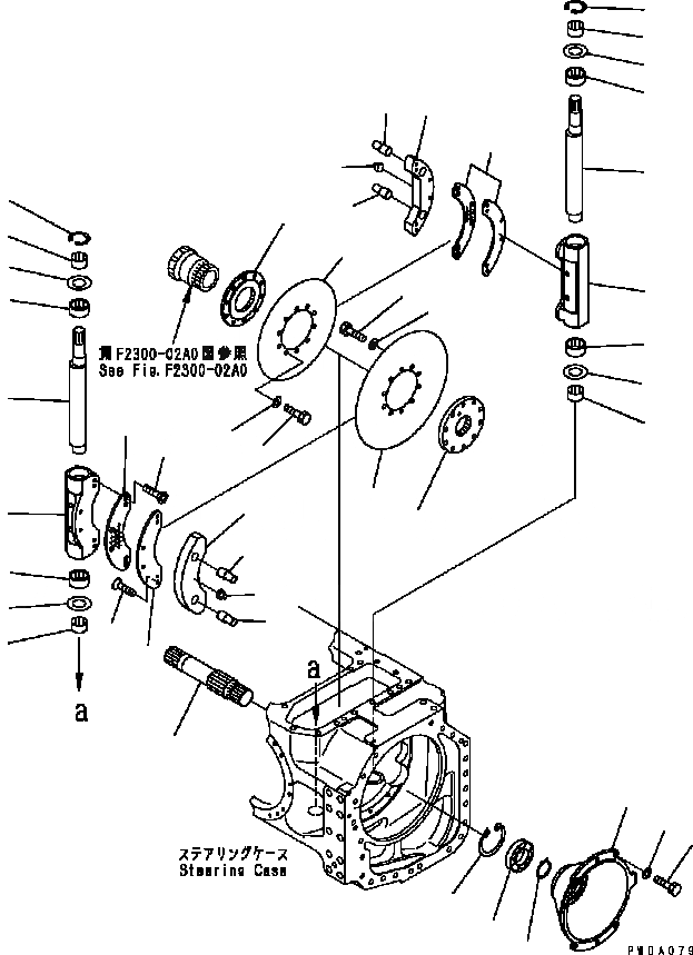
Запчасти Komatsu D41E6T СИЛОВАЯ ЛИНИЯ (МУФТА И ТОРМОЗ.) СИЛОВАЯ ПЕРЕДАЧА И КОНЕЧНАЯ ПЕРЕДАЧА

Схема запчастей Komatsu D41E6T - СИЛОВАЯ ЛИНИЯ (МУФТА И ТОРМОЗ.) СИЛОВАЯ ПЕРЕДАЧА И КОНЕЧНАЯ ПЕРЕДАЧА
19
17
18
16
15
14
16
18
17
5
7
8
11
10
12
9
3
4
8
7
1
2
22
23
21
20
11
10
12
9
6
25
24
26
27
29
28
19
17
18
16
15
13
16
18
17
FIT
1:1
100%

Артикул

Название

Примечание

Количество

1

124-22-52130

HUB

SN: B35001-UP

2шт.

2

124-22-53130

PLATE

SN: B35001-UP

2шт.

3

01010-81225

BOLT

SN: B35001-UP

20шт.

4

01643-31232

WASHER

SN: B35001-UP

20шт.

5

124-22-51251

SHAFT

SN: B35001-UP

2шт.

6

124-22-53280

LINING

SN: B35001-UP

4шт.

7

124-22-53280

LINING

SN: B35001-UP

4шт.

8

01240-00820

SCREW

SN: B35001-UP

48шт.

9

124-22-53331

PLATE

SN: B35001-UP

4шт.

10

124-22-52171

PIN

SN: B35001-UP

4шт.

11

124-22-52250

PIN

SN: B35001-UP

4шт.

12

124-22-52260

PIN

SN: B35001-UP

4шт.

13

124-22-53270

CASE

SN: B35001-UP

2шт.

14

124-22-53270

CASE

SN: B35001-UP

2шт.

15

124-22-52211

SHAFT

SN: B35001-UP

4шт.

16

124-22-52220

BEARING

SN: B35001-UP

8шт.

17

124-22-52230

BEARING

SN: B35001-UP

8шт.

18

124-22-52240

SPACER

SN: B35001-UP

8шт.

19

04064-03515

RING

SN: B35001-UP

4шт.

20

124-22-53121

HUB

SN: B35001-UP

2шт.

21

124-22-53242

PLATE

SN: B35001-UP

2шт.

22

01010-81225

BOLT

SN: B35001-UP

20шт.

23

01643-31232

WASHER

SN: B35001-UP

20шт.

24

06040-06212

BEARING

SN: B35001-UP

2шт.

25

04065-01104

RING

SN: B35001-UP

2шт.

26

04064-06020

RING

SN: B35001-UP

2шт.

27

124-22-55122

CAGE

SN: B35001-UP

2шт.

28

01010-81230

BOLT

SN: B35001-UP

12шт.

29

01643-31232

WASHER

SN: B35001-UP

12шт.

Выбрано товаров: 29