Запчасти Komatsu D41E6T ТРАНСМИССИЯ (INCHING УПРАВЛ-Е) СИЛОВАЯ ПЕРЕДАЧА И КОНЕЧНАЯ ПЕРЕДАЧА

Схема запчастей Komatsu D41E6T - ТРАНСМИССИЯ (INCHING УПРАВЛ-Е) СИЛОВАЯ ПЕРЕДАЧА И КОНЕЧНАЯ ПЕРЕДАЧА
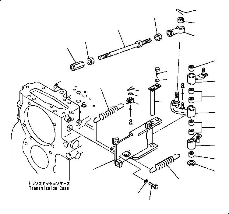
19
19
20
14
18
12
21
10
10
10
17
23
22
6
8
9
4
6
11
5
2
3
1
7
13
15
FIT
1:1
100%

Артикул

Название

Примечание

Количество

|$1

124-15-51010

TRANSMISSION ASS'Y

SN: B35001-UP

1шт.

|$2

THIS ASSEMBLY CONSISTS OF ALL PARTS SHOWN IN FIGS. F2320-01A0 TO F2320-13A0.

-1шт.

1

124-43-52653

BRACKET

SN: B35001-UP

1шт.

2

124-43-52684

LEVER

SN: B35001-UP

1шт.

3

124-43-52920

LEVER

SN: B35001-UP

1шт.

4

124-43-52931

LEVER

SN: B35001-UP

1шт.

5

124-43-52950

PIN

SN: B35001-UP

1шт.

6

06123-01414

BEARING

SN: B35001-UP

6шт.

7

01643-31445

WASHER

SN: B35001-UP

1шт.

8

01010-81025

BOLT

SN: B35001-UP

1шт.

9

01643-31032

WASHER

SN: B35001-UP

1шт.

10

124-43-52510

LEVER

SN: B35001-UP

1шт.

11

01640-21016

WASHER

SN: B35001-UP

1шт.

12

04050-13020

PIN

SN: B35001-UP

1шт.

13

113-43-11294

SPRING

SN: B35001-UP

1шт.

14

124-43-52671

SPRING

SN: B35001-UP

1шт.

15

01010-81025

BOLT

SN: B35001-UP

2шт.

16

01643-31032

WASHER

SN: B35001-UP

2шт.

17

04250-81474

END

SN: B35001-UP

1шт.

18

01593-31411

NUT

SN: B35001-UP

1шт.

19

04050-13022

PIN

SN: B35001-UP

1шт.

20

01582-11411

NUT

SN: B35001-UP

1шт.

21

04248-31426

ROD

SN: B35001-UP

1шт.

22

17A-43-24160

JOINT

SN: B35001-UP

1шт.

23

01508-41408

NUT

SN: B35001-UP

1шт.

Выбрано товаров: 25