Запчасти Komatsu D41P-5 МАРКИРОВКА (ЯПОН.)(№-) МАРКИРОВКА¤ ИНСТРУМЕНТ И РЕМКОМПЛЕКТЫ

Схема запчастей Komatsu D41P-5 - МАРКИРОВКА (ЯПОН.)(№-) МАРКИРОВКА¤ ИНСТРУМЕНТ И РЕМКОМПЛЕКТЫ
FIT
1:1
100%

Артикул

Название

Примечание

Количество

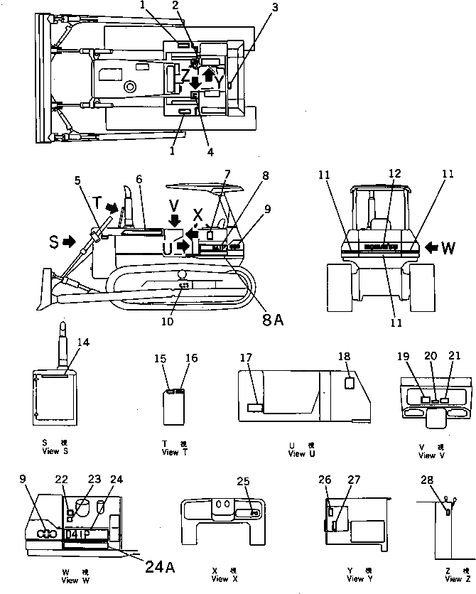
1

120-54-32451

SHEET,ANTISKID

SN: 10001-@

2шт.

2

12F-54-45310

PLATE¤ OPERATING,BLADE CONTROL LEVER

SN: 10001-@

1шт.

3

09652-01101

PLATE¤ CAUTION,FUEL TANK

SN: 10001-11320

1шт.

4

124-54-32251

PLATE¤ OPERATING,TRANSMISSION CONTROL LEVER

SN: 10001-@

1шт.

|4

04418-03060

SCREW

SN: 10001-@

6шт.

5

09667-00100

PLATE¤ SAFETY,ENGINE ROOM

SN: 10001-11320

2шт.

6

12F-54-31321

PLATE¤ MARK,LINE¤ L.H.

SN: 10362-@

1шт.

|6

12F-54-31320

PLATE¤ MARK,LINE¤ L.H.

SN: 10001-10361

1шт.

|6

12F-54-31331

PLATE¤ MARK,LINE¤ R.H.

SN: 10362-@

1шт.

|6

12F-54-31330

PLATE¤ MARK,LINE¤ R.H.

SN: 10001-10361

1шт.

7

124-54-45110

CHART¤ OIL,OIL

SN: 10001-@

1шт.

8

12G-54-45150

PLATE¤ MARK,D41P

SN: 11039-@

1шт.

|8

0

PLATE¤ MARK,D41P¤ L.H.

SN: 10624-11038

1шт.

|8

0

PLATE¤ MARK,D41P¤ L.H.

SN: 10001-10623

1шт.

8A

134-54-35132

PLATE¤ MARK

SN: 11039-@

1шт.

9

134-54-35110

PLATE¤ MARK,SYMBOL

SN: 10001-11038

2шт.

10

09657-00110

PLATE¤ SAFETY,TRACK ADJUSTING

SN: 10001-11320

2шт.

11

134-54-35351

PLATE¤ MARK,WHITE LINE

SN: 11047-@

3шт.

|11

134-54-35350

PLATE¤ MARK,WHITE LINE

SN: 10362-11046

3шт.

|11

134-54-35170

PLATE¤ MARK,WHITE LINE

SN: 10001-10361

3шт.

12

09690-C0400

PLATE¤ MARK,KOMATSU

SN: 11039-@

1шт.

|12

0

PLATE¤ MARK,KOMATSU

SN: 10001-11038

1шт.

14

09690-C0280

PLATE¤ MARK,KOMATSU

SN: 11039-@

1шт.

|14

0

PLATE¤ MARK,KOMATSU

SN: 10001-11038

1шт.

15

09668-00100

PLATE¤ SAFETY,RADIATOR

SN: 10001-11320

1шт.

16

09650-01103

PLATE¤ INSTRUCTION,RADIATOR

SN: 10001-@

1шт.

17

09602-01635

PLATE¤ NAME

SN: 10001-@

1шт.

|17

04418-13060

SCREW

SN: 10001-@

4шт.

18

12G-54-45120

PLATE¤ SAFETY

SN: 10001-@

1шт.

19

09173-00100

PLATE¤ SAFETY,INSPECTION AND MAINTENANCE

SN: 10001-11320

1шт.

20

09651-00100

PLATE¤ SAFETY,BEFORE OPERATING

SN: 10001-11320

1шт.

21

09654-00100

PLATE¤ SAFETY,STARTING AND AFTER OPERATING

SN: 10001-11320

1шт.

22

09653-00100

PLATE¤ SAFETY,HYDRAULIC TANK

SN: 10001-11320

1шт.

23

120-54-36121

PLATE¤ CAUTION,OIL FILTER

SN: 10001-@

1шт.

24

12G-54-45150

PLATE¤ MARK,D41P

SN: 11039-@

1шт.

|24

0

PLATE¤ MARK,D41P¤ R.H.

SN: 10624-11038

1шт.

|24

0

PLATE¤ MARK,D41P¤ R.H.

SN: 10001-10623

1шт.

24A

124-54-45142

PLATE¤ MARK

SN: 11039-@

1шт.

25

09683-01060

PLATE¤ OPERATING,STARTING SWITCH

SN: 10001-@

1шт.

26

09685-00005

PLATE¤ OPERATING,BLADE CONTROL LEVER LOCK

SN: 10001-@

1шт.

27

09685-00004

PLATE¤ OPERATING,BRAKE LOCK LEVER

SN: 10001-@

1шт.

28

09685-00002

PLATE¤ OPERATING,TRANSMISSION LOCK LEVER

SN: 10001-@

1шт.

Выбрано товаров: 42