Запчасти Komatsu D41P-5A РАБОЧЕЕ ОБОРУДОВАНИЕ НАСОС УПРАВЛ-Е РАБОЧИМ ОБОРУДОВАНИЕМ

Схема запчастей Komatsu D41P-5A - РАБОЧЕЕ ОБОРУДОВАНИЕ НАСОС УПРАВЛ-Е РАБОЧИМ ОБОРУДОВАНИЕМ
FIT
1:1
100%

Артикул

Название

Примечание

Количество

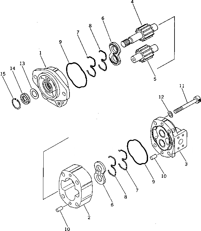
|1

705-12-32010

PUMP ASS'Y

SN: 10001-UP

1шт.

1

0

BRACKET

SN: 10001-UP

1шт.

2

0

CASE,GEAR

SN: 10001-UP

1шт.

3

0

COVER ASS'Y

SN: 10001-UP

1шт.

4

0

GEAR,DRIVE

SN: 10001-UP

1шт.

5

0

GEAR,DRIVEN

SN: 10001-UP

1шт.

6

0

PLATE,SIDE

SN: 10001-UP

2шт.

7

0

RING,BACK-UP

SN: 10001-UP

2шт.

8

0

RING,SEAL

SN: 10001-UP

2шт.

9

0

O-RING

SN: 10001-UP

2шт.

10

0

PIN,DOWEL

SN: 10001-UP

4шт.

11

0

BOLT

SN: 10001-UP

4шт.

12

0

WASHER,SPRING

SN: 10001-UP

4шт.

13

705-17-02870

PLATE

SN: 10001-UP

1шт.

14

705-17-02810

SEAL,OIL

SN: 10001-UP

1шт.

15

04065-04018

RING,SNAP

SN: 10001-UP

1шт.

Выбрано товаров: 16